ZHCSFZ6 December   2016 TAS6422-Q1

PRODUCTION DATA.  

  1. 特性
  2. 应用
  3. 说明
  4. 修订历史记录
  5. 说明(续)
  6. Device Comparison Table
  7. Pin Configuration and Functions
  8. Specifications
    1. 8.1 Absolute Maximum Ratings
    2. 8.2 ESD Ratings
    3. 8.3 Recommended Operating Conditions
    4. 8.4 Thermal Information
    5. 8.5 Electrical Characteristics
    6. 8.6 Timing Requirements
    7. 8.7 Typical Characteristics
  9. Parameter measurement Information
  10. 10Detailed description
    1. 10.1 Overview
    2. 10.2 Functional Block Diagram
    3. 10.3 Feature Description
      1. 10.3.1  Serial Audio Port
        1. 10.3.1.1 I2S Mode
        2. 10.3.1.2 Left-Justified Timing
        3. 10.3.1.3 Right-Justified Timing
        4. 10.3.1.4 TDM Mode
        5. 10.3.1.5 Supported Clock Rates
        6. 10.3.1.6 Audio-Clock Error Handling
      2. 10.3.2  High-Pass Filter
      3. 10.3.3  Volume Control and Gain
      4. 10.3.4  High-Frequency Pulse-Width Modulator (PWM)
      5. 10.3.5  Gate Drive
      6. 10.3.6  Power FETs
      7. 10.3.7  Load Diagnostics
        1. 10.3.7.1 DC Load Diagnostics
        2. 10.3.7.2 Line Output Diagnostics
        3. 10.3.7.3 AC Load Diagnostics
      8. 10.3.8  Protection and Monitoring
        1. 10.3.8.1 Overcurrent Limit (ILIMIT)
        2. 10.3.8.2 Overcurrent Shutdown (ISD)
        3. 10.3.8.3 DC Detect
        4. 10.3.8.4 Clip Detect
        5. 10.3.8.5 Global Overtemperature Warning (OTW), Overtemperature Shutdown (OTSD)
        6. 10.3.8.6 Channel Overtemperature Warning [OTW(i)] and Shutdown [OTSD(i)]
        7. 10.3.8.7 Undervoltage (UV) and Power-On-Reset (POR)
        8. 10.3.8.8 Overvoltage (OV) and Load Dump
      9. 10.3.9  Power Supply
        1. 10.3.9.1 Vehicle-Battery Power-Supply Sequence
        2. 10.3.9.2 Boosted Power-Supply Sequence
      10. 10.3.10 Hardware Control Pins
        1. 10.3.10.1 FAULT
        2. 10.3.10.2 WARN
        3. 10.3.10.3 MUTE
        4. 10.3.10.4 STANDBY
    4. 10.4 Device Functional Modes
      1. 10.4.1 Operating Modes and Faults
    5. 10.5 Programming
      1. 10.5.1 I2C Serial Communication Bus
      2. 10.5.2 I2C Bus Protocol
      3. 10.5.3 Random Write
      4. 10.5.4 Sequential Write
      5. 10.5.5 Random Read
      6. 10.5.6 Sequential Read
    6. 10.6 Register Maps
      1. 10.6.1  Mode Control Register (address = 0x00) [default = 0x00]
      2. 10.6.2  Miscellaneous Control 1 Register (address = 0x01) [default = 0x32]
      3. 10.6.3  Miscellaneous Control 2 Register (address = 0x02) [default = 0x62]
      4. 10.6.4  SAP Control (Serial Audio-Port Control) Register (address = 0x03) [default = 0x04]
      5. 10.6.5  Channel State Control Register (address = 0x04) [default = 0x55]
      6. 10.6.6  Channel 1 Through 2 Volume Control Registers (address = 0x05-0x06) [default = 0xCF]
      7. 10.6.7  DC Load Diagnostic Control 1 Register (address = 0x09) [default = 0x00]
      8. 10.6.8  DC Load Diagnostic Control 2 Register (address = 0x0A) [default = 0x11]
      9. 10.6.9  DC Load Diagnostic Report 1 Register (address = 0x0C) [default = 0x00]
      10. 10.6.10 DC Load Diagnostics Report 3 Line Output Register (address = 0x0E) [default = 0x00]
      11. 10.6.11 Channel State Reporting Register (address = 0x0F) [default = 0x55]
      12. 10.6.12 Channel Faults (Overcurrent, DC Detection) Register (address = 0x10) [default = 0x00]
      13. 10.6.13 Global Faults 1 Register (address = 0x11) [default = 0x00]
      14. 10.6.14 Global Faults 2 Register (address = 0x12) [default = 0x00]
      15. 10.6.15 Warnings Register (address = 0x13) [default = 0x20]
      16. 10.6.16 Pin Control Register (address = 0x14) [default = 0x00]
      17. 10.6.17 AC Load Diagnostic Control 1 Register (address = 0x15) [default = 0x00]
      18. 10.6.18 AC Load Diagnostic Control 2 Register (address = 0x16) [default = 0x00]
      19. 10.6.19 AC Load Diagnostic Impedance Report Ch1 through CH2 Registers (address = 0x17-0x18) [default = 0x00]
      20. 10.6.20 AC Load Diagnostic Phase Report High Register (address = 0x1B) [default = 0x00]
      21. 10.6.21 AC Load Diagnostic Phase Report Low Register (address = 0x1C) [default = 0x00]
      22. 10.6.22 AC Load Diagnostic STI Report High Register (address = 0x1D) [default = 0x00]
      23. 10.6.23 AC Load Diagnostic STI Report Low Register (address = 0x1E) [default = 0x00]
      24. 10.6.24 Miscellaneous Control 3 Register (address = 0x21) [default = 0x00]
      25. 10.6.25 Clip Control Register (address = 0x22) [default = 0x01]
      26. 10.6.26 Clip Window Register (address = 0x23) [default = 0x14]
      27. 10.6.27 Clip Warning Register (address = 0x24) [default = 0x00]
      28. 10.6.28 ILIMIT Status Register (address = 0x25) [default = 0x00]
      29. 10.6.29 Miscellaneous Control 4 Register (address = 0x26) [default = 0x40]
  11. 11Application and Implementation
    1. 11.1 Application Information
      1. 11.1.1 AM-Radio Band Avoidance
      2. 11.1.2 Parallel BTL Operation (PBTL)
      3. 11.1.3 Demodulation Filter Design
      4. 11.1.4 Line Driver Applications
    2. 11.2 Typical Application
      1. 11.2.1 BTL Application
        1. 11.2.1.1 Design Requirements
        2. 11.2.1.2 Communication
        3. 11.2.1.3 Detailed Design Procedure
          1. 11.2.1.3.1 Hardware Design
          2. 11.2.1.3.2 Digital Input and the Serial Audio Port
          3. 11.2.1.3.3 Bootstrap Capacitors
          4. 11.2.1.3.4 Output Reconstruction Filter
        4. 11.2.1.4 Application Curves
  12. 12Power Supply Recommendations
  13. 13Layout
    1. 13.1 Layout Guidelines
      1. 13.1.1 Electrical Connection of Thermal pad and Heat Sink
      2. 13.1.2 EMI Considerations
      3. 13.1.3 General Guidelines
    2. 13.2 Layout Example
    3. 13.3 Thermal Considerations
  14. 14器件和文档支持
    1. 14.1 文档支持
      1. 14.1.1 相关文档
    2. 14.2 接收文档更新通知
    3. 14.3 社区资源
    4. 14.4 商标
    5. 14.5 静电放电警告
    6. 14.6 Glossary
  15. 15机械、封装和可订购信息

封装选项

机械数据 (封装 | 引脚)
散热焊盘机械数据 (封装 | 引脚)
订购信息

Detailed description

Overview

The TAS6422-Q1 device is a two-channel digital-input Class-D audio amplifier for use in the automotive environment. The device is designed for vehicle battery operation or boosted voltage systems. The design uses ultra-efficient class-D technology developed by Texas Instruments specifically tailored for the automotive industry. This technology allows for reduced power consumption, reduced PCB area, reduced heat, and reduced peak currents in the electrical system. The device realizes an audio sound-system design with smaller size and lower weight than traditional class-AB solutions.

The core design blocks are as follows:

  • Serial audio port
  • Clock management
  • High-pass filter and volume control
  • Pulse width modulator (PWM) with output stage feedback
  • Gate drive
  • Power FETs
  • Diagnostics
  • Protection
  • Power supply
  • I2C serial communication bus

Functional Block Diagram

TAS6422-Q1 fbd_slos947.gif

Feature Description

Serial Audio Port

The serial audio port (SAP) receives audio in either I2S, left justified, right justified, or TDM formats.

Settings for the serial audio port are programmed in the SAP control register (address 0x03), see the SAP Control (Serial Audio-Port Control) Register (address = 0x03) [default = 0x04] section.

Figure 34 shows the digital audio data connections for I2S and TDM8 mode for an six channel system.

TAS6422-Q1 i2S_TDM_TAS6422.gif Figure 34. Digital-Audio Data Connection

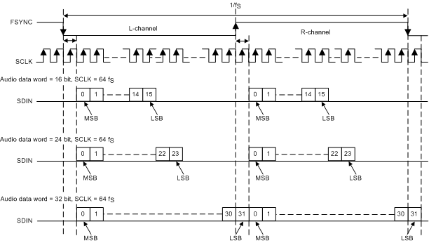
I2S Mode

I2S timing uses the FSYNC pin to define when the data being transmitted is for the left channel and when the data is for the right channel. The FSYNC pin is low for the left channel and high for the right channel. The bit clock, SCLK, runs at 32 × fS or 64 × fS and is used to clock in the data. A delay of one bit clock occurs from the time the FSYNC signal changes state to the first bit of data on the data lines. The data is presented in 2s-complement form (MSB-first). The data is valid on the rising edge of the bit clock and is used to clock in the data.

Left-Justified Timing

Left-justified (LJ) timing also uses the FSYNC pin to define when the data being transmitted is for the left channel and when the data is for the right channel. The FSYNC pin is high for the left channel and low for the right channel. A bit clock running at 32 × fS or 64 × fS is used to clock in the data. The first bit of data appears on the data lines at the same time FSYNC toggles. The data is written MSB-first and is valid on the rising edge of the bit clock. Digital words can be 16-bits or 24-bits wide and pad any unused trailing data-bit positions in the left-right (L/R) frame with zeros.

Right-Justified Timing

Right-justified (RJ) timing also uses the FSYNC pin to define when the data being transmitted is for the left channel and when the data is for the right channel. The FSYNC pin is high for the left channel and low for the right channel. A bit clock running at 32 × fS or 64 × fS is used to clock in the data. The first bit of data appears on the data 8-bit clock periods (for 24-bit data) after the FSYNC pin toggles. In RJ mode the LSB of data is always clocked by the last bit clock before the FSYNC pin transitions. The data is written MSB-first and is valid on the rising edge of bit clock. The device pads the unused leading data-bit positions in the L/R frame with zeros.

TDM Mode

TDM mode supports 4 or 8 channels of audio data. The TDM mode is automatically selected when the TDM clocks are present. The device can be configured through I2C to use different stereo pairs in the TDM data stream. The TDM mode supports 16-bit, 24-bit, and 32-bit input data lengths.

In TDM mode, the SCLK pin must be 128 or 256, depending on the TDM slot size. In TDM mode SCLK and MCLK can be connected together. If SCLK and MCLK are connected together than FSYNC should be minimum 2 MCLK pulses long.

In TDM mode, the SDIN1 pin (pin 15) is used for digital audio data. TI recommends to connect the unused SDIN2 pin (pin 16) to ground. Table 1 lists register settings for the TDM channel selection.

Table 1. TDM Channel Selection

REGISTER SETTING TDM8 CHANNEL SLOT
0x03
BIT 5
0x03
BIT 3
1 2 3 4 5 6 7 8
0 0 CH1 CH2 - -
1 0 CH1 CH2 - -
0 1 - - CH1 CH2
1 1 - - CH1 CH2

If PBTL mode is programmed for channel 1/2 the datasource can be set according to Table 2.

Table 2. TDM Channel Selection in PBTL Mode

REGISTER SETTING TDM8 CHANNEL SLOT
0x03
BIT 5
0x03
BIT 3
0x21
BIT 6
1 2 3 4 5 6 7 8
0 0 0 PBTL CH1/2 -
1 0 0 PBTL CH1/2 -
0 0 1 PBTL CH1/2 -
1 0 1 PBTL CH1/2 -
0 1 0 - PBTL CH1/2
1 1 0 - PBTL CH1/2
0 1 1 - PBTL CH1/2
1 1 1 - PBTL CH1/2

Supported Clock Rates

The device supports MCLK rates of 128 × fS, 256 × fS, or 512 × fS.

The device supports SCLK rates of 32 × fSor 64 × fS in I2S, LJ or RJ modes or 128 × fS, or 256 × fS in TDM mode.

The device supports FSYNC rates of 44.1 kHz, 48 kHz, or 96 kHz.

The maximum clock frequency is 25 MHz. Therefore, for a 96 kHz FSYNC rate, the maximum MCLK rate is
256 × fS.

The MCLK clock must not be in phase to sync to SCLK. Duty cycle of 50% is required for 128x FSYNC, for 256x and 512x 50% duty is not required.

Audio-Clock Error Handling

When any kind of clock error, MCLK-FSYNC or SCLK-FSYNC ratio, or clock halt is detected, the device puts all channels into the Hi-Z state. When all audio clocks are within the expected range, the device automatically returns to the state it was in. See the Timing Requirements table for timing requirements.

TAS6422-Q1 td_serial-audio_slos870.gif Figure 35. Serial Audio Timing
TAS6422-Q1 aud_data_format_lj_slos870.gif Figure 36. Left-Justified Audio Data Format
TAS6422-Q1 aud_data_format_i2s_slos870.gif Figure 37. I2S Audio Data Format
TAS6422-Q1 aud_data_format_TDMA_slos870.gif Figure 38. TDM8 Audio Data Format

High-Pass Filter

Direct-current (DC) content in the audio signal can damage speakers. The data path has a high-pass filter to remove any DC from the input signal. The corner frequency is selectable from 4 Hz, 8 Hz, or 15 Hz to 30 Hz with bits 0 through 3 in register 0x26. The default value of –3 dB is approximately 4 Hz for 44.1 kHz or 48 kHz and approximately 8 Hz for 96 kHz sampling rates.

Volume Control and Gain

Each channel has a independent digital-volume control with a range from –100 dB to +24 dB with 0.5-dB steps. The volume control is set through I2C. The gain-ramp rate is programmable through I2C to take one step every 1, 2, 4, or 8 FSYNC cycles.

The peak output-voltage swing is also configurable in the gain control register through I2C. The four gain settings are 7.5 V, 15 V, 21 V, and 29 V. TI recommends selecting the lowest possible for the expected PVDD operation to optimize output noise and dynamic range performance.

High-Frequency Pulse-Width Modulator (PWM)

The PWM converts the PCM input data into a switched signal of varying duty cycle. The PWM modulator is an advanced design with high bandwidth, low noise, low distortion, and excellent stability. The output switching rate is synchronous to the serial audio-clock input and is programmed through I2C to be between 8× and 48× the input-sample rate. The option to switch at high frequency allows the use of smaller and lower cost external filtering components. Table 3 lists the switch frequency options for bits 4 through 6 in the miscellaneous control 2 register (address 0x02).

Table 3. Output Switch Frequency Option

INPUT SAMPLE RATE BIT 6:4 SETTINGS
000 001 010 to 100 101 110 111
44.1 kHz 352.8 kHz 441 kHz RESERVED 1.68 MHz 1.94 MHz 2.12 MHz
48 kHz 384 kHz 480 kHz RESERVED 1.82 MHz 2.11 MHz Not supported
96 kHz 384 kHz 480 kHz RESERVED 1.82 MHz 2.11 MHz Not supported

Gate Drive

The gate driver accepts the low-voltage PWM signal and level shifts it to drive a high-current, full-bridge, power-FET stage. The device uses proprietary techniques to optimize EMI and audio performance.

The gate-driver power-supply voltage, GVDD, is internally generated and a decoupling capacitor is connected at pin 9 and pin 10.

The full H-bridge output stages use only NMOS transistors. Therefore, bootstrap capacitors are required for the proper operation of the high side NMOS transistors. A 1 µF ceramic capacitor of quality X7R or better, rated for at least 16 V, must be connected from each output to the corresponding bootstrap input (see the application circuit diagram in Figure 76). The bootstrap capacitors connected between the BST pins and corresponding output function as a floating power supply for the high-side N-channel power MOSFET gate drive circuitry. During each high-side switching cycle, the bootstrap capacitors hold the gate-to-source voltage high keeping the high-side MOSFETs turned on.

Power FETs

The BTL output for each channel comprises four N-channel 90-mΩ FETs for high efficiency and maximum power transfer to the load. These FETs are designed to handle the fast switching frequency and large voltage transients during load dump.

Load Diagnostics

The device incorporates both DC-load and AC-load diagnostics which are used to determine the status of the load. The DC diagnostics are turned on by default but if a fast startup without diagnostics is required the DC diagnostics can be bypassed through I2C. The DC diagnostics runs when any channel is directed to leave the Hi-Z state and enter the MUTE or PLAY state. The DC diagnostics can also be enabled manually to run on any or all channels. DC Diagnostics can be started from any operating condition but if the channel is in play state then the time to complete the diagnostic is longer because the device must ramp down the audio signal of that channel before transitioning to the Hi-Z state. The DC diagnostics are available as soon as the device supplies are within the recommended operating range. The DC diagnostics do not rely on the audio input clocks to be available to function. DC Diagnostic results are reported for each channel separately through the I2C registers.

DC Load Diagnostics

The DC load diagnostics are used to verify the load connected. The DC diagnostics consists of four tests: short-to-power (S2P), short-to-ground (S2G), open-load (OL), and shorted-load (SL). The S2P and S2G tests trigger if the impedance to GND or a power rail is below that specified in the Specifications section. The diagnostic detects a short to vehicle battery even when the supply is boosted. The SL test has an I2C-configurable threshold depending on the expected load to be connected. Because the speakers connected to each channel might be different, each channel can be assigned a unique threshold value. The OL test reports if the select channel has a load impedance greater than the limits in the Specifications section.

TAS6422-Q1 load_diagnostic_threshold_slos870.gif Figure 39. DC Load Diagnostic Reporting Thresholds

Line Output Diagnostics

The device also includes an optional test to detect a line-output load. A line-output load is a high-impedance load that is above the open-load (OL) threshold such that the DC-load diagnostics report an OL condition. After an OL condition is detected on a channel, if the line output detection bit is also set, the channel checks if a line-output load is present as well. This test is not pop free, so if an external amplifier is connected it should be muted.

AC Load Diagnostics

The AC load diagnostic is used to determine the proper connection of a capacitively coupled speaker or tweeter when used with a passive crossover. The AC load diagnostic is controlled through I2C. The AC diagnostics requires an external input signal and reports the approximate load impedance and phase. The selected signal frequency should create current flow through the desired speaker for proper detection. If multiple channels must be tested, the diagnostics should be run in series. The AC load-diagnostic test procedure is as follows.

For load-impedance detection, use the following test procedure:

  1. Set the channels to be tested into the Hi-Z state.
  2. Set the AC_DIAGS_LOOPBACK bit (bit 7 in register 0x16) to 0.
  3. Apply a full-scale input signal from the DSP for the tested channels with the desired frequency (recommended 10 kHz to 20 kHz).
  4. NOTE

    The device ramps the signal up and down automatically to prevent pops and clicks.

  5. Set the device into the AC diagnostic mode (set bits 3:0 in register 0x15 to 1 for CH1 and CH2, set bit 3 in register 0x15 to 1, and set bit 1 in register 0x15 to 1 for PBTL12).
  6. Read back the AC impedance (register 0x17 through register 0x1A).
  7. When the test is complete the channel reporting register indicates the status change from the AC diagnostic mode to the Hi-Z state. The detected impedance is stored in the appropriate I2C register.

For loopback delay detection, use the following test procedure for either BTL mode or PBTL mode:

  • BTL mode
    1. Set the AC_DIAGS_LOOPBACK bit (bit 7 in register 0x16) to 1 to enable AC loopback mode.
    2. Apply a 0-dBFS 19K signal and enable AC load diagnostics. CH1 and CH2 reuse the AC sensing loop of CH1 (set bit 3 in register 0x15 to 1).
    3. Read back the AC_LDG_PHASE1 value (register 0x1B and register 0x1C).
    4. When the test is complete, the channel reporting register indicates the status change from the AC diagnostic mode to the Hi-Z state. The detected impedance is stored in the appropriate I2C register.

  • PBTL mode
    1. Set the AC_DIAGS_LOOPBACK bit (bit 7 in register 0x16) to 1 to enable AC loopback mode.
    2. Set the PBTL CH12 bits (see register 0x00) to 0 without toggling SDz pin to enter BTL mode only for load diagnostics.
    3. Apply a 0 dBFS 19K signal and enable AC load diagnostics. For PBTL_12, enable the AC sensing loop of CH1 (set bit 3 in register 0x15 to 1).
    4. Read back the AC_LDG_PHASE1 (register 0x1B and register 0x1C).
    5. Set the PBTL CH12 bits (see register 0x00) to 1 to go back to PBTL mode for load diagnostics.

Table 4. AC Impedance Code to Magnitude

SETTING GAIN AT 19 kHz I(A) MEASUREMENT RANGE (Ω) MAPPING FROM CODE TO MAGNITUDE (Ω/Code)
Gain = 4, I = 10 mA (recommended) 4.28 0.01 12 0.05832
Gain = 4, I = 19 mA 4.28 0.019 6 0.0307
Gain = 1, I = 10 mA (recommended) 1 0.01 48 0.2496
Gain = 1, I = 19 mA 1 0.019 24 0.1314

Protection and Monitoring

Overcurrent Limit (ILIMIT)

The overcurrent limit terminates each PWM pulse to limit the output current flow when the current limit (ILIMIT) is exceeded. Power is limited but operation continues without disruption and prevents undesired shutdown for transient music events. ILIMIT is not reported as a fault condition to either registers or the FAULT pin. Each channel is independently monitored and limited. The two programable levels can be set by bit 4 in the miscellaneous control 1 register (address 0x01).

Overcurrent Shutdown (ISD)

If the output load current reaches ISD, such as an output short to GND, then a peak current limit occurs which shuts down the channel. The time to shutdown the channel varies depending on the severity of the short condition. The affected channel is placed into the Hi-Z state, the fault is reported to the register, and the FAULT pin is asserted. If the diagnostics are enabled then the device automatically starts diagnostics on the channel and, if no load failure is found, the device restarts. If a load fault is found the device continues to rerun the diagnostics once per second. Because this hiccup mode is using the diagnostics, no high current is created. If the diagnostics are disabled the device sets the state for that channel to Hi-Z and requires the MCU to take the appropriate action.

Two programable levels can be set by bit 4 in the miscellaneous control 1 register (address 0x01).

DC Detect

This circuit detects a DC offset continuously during normal operation at the output of the amplifier. If the DC offset exceeds the threshold, that channel is placed in the Hi-Z state, the fault is reported to the I2C register, and the FAULT pin is asserted. A register bit can be used to mask reporting to the FAULT pin if required.

Clip Detect

The clip detect is reported on the WARN pin if 100% duty-cycle PWM if reached for a minimum of 20 cycles. If any channel is clipping, the clipping is reported to the pin. The clip detect is latched and can be cleared by I2C . Masking the clip reporting to the pin is possible through I2C.

Global Overtemperature Warning (OTW), Overtemperature Shutdown (OTSD)

Four overtemperature warning levels are available in the device that can be selected (see the Register Maps section for thresholds). When the junction temperature exceeds the warning level, the WARN pin is asserted unless the mask bit has been set to disable reporting. The device functions until the OTSD value is reached at which point all channels are placed in the Hi-Z state and the FAULT pin is asserted. When the junction temperature returns to normal levels, the device automatically recovers and places all channels into the state indicated by the register settings.

Channel Overtemperature Warning [OTW(i)] and Shutdown [OTSD(i)]

In addition to the global OTW, each channel also has an individual overtemperature warning and shutdown. If a channel exceeds the OTW(i) threshold, the warning register bit is set as the WARN pin is asserted unless the mask bit has been set to disable reporting. If the channel temperature exceeds the OTSD(i) threshold then that channel goes to the Hi-Z state until the temperature drops below the OTW(i) threshold at which point the channel goes to the state indicated by the state control register.

Undervoltage (UV) and Power-On-Reset (POR)

The undervoltage (UV) protection detects low voltages on the PVDD and VBAT pins. In the event of an UV condition, the FAULT pin is asserted and the I2C register is updated. A power-on reset (POR) on the VDD pin causes the I2C to goes to the high-impedance (Hi-Z) state and all registers are reset to default values. At power-on or after a POR event, the POR warning bit and WARN pin are asserted.

Overvoltage (OV) and Load Dump

The overvoltage (OV) protection detects high voltages on the PVDD pin. If the PVDD pin reaches the OV threshold, the FAULT pin is asserted and the I2C register is updated. The device can withstand 40 V load-dump voltage spikes.

Power Supply

The device has three power supply inputs, VDD, PVDD, and VBAT, which are described as follows:

    VDD This pin is a 3.3V supply pin that provides power to the low voltage circuitry.
    VBAT This pin is a higher voltage supply that can be connected to the vehicle battery or the regulated voltage rail in a boosted system within the recommended limits. For best performance, this rail should be 10 V or higher. See the Recommended Operating Conditions table for the maximum supply voltage. This supply rail is used for higher voltage analog circuits but not the output FETs.
    PVDD This pin is a high-voltage supply that can either be connected to the vehicle battery or to another voltage rail in a boosted system. The PVDD pin supplies the power to the output FETs and can be within the recommended operating limits, even if that is below the VBAT supply, to allow for dynamic voltage systems.

Several on-chip regulators are included generating the voltages necessary for the internal circuitry. The external pins are provided only for bypass capacitors to filter the supply and should not be used to power other circuits.

The device can withstand fortuitous open ground and power conditions within the absolute maximum ratings for the device. Fortuitous open ground usually occurs when a speaker wire is shorted to ground, allowing for a second ground path through the body diode in the output FETs.

Vehicle-Battery Power-Supply Sequence

The device can accept any sequence of the VBAT, PVDD and VDD supply.

In a typical system, the VBAT and PVDD supplies are both connected to the vehicle battery and power up at the same time. The VDD supply should be applied after the VBAT and PVDD supplies are within the recommended operating range. When removing power from the device, TI recommends to deassert the VDD supply first then the VBAT, PVDD, or both supplies which provides the lowest click and pop performance.

Boosted Power-Supply Sequence

In this case, the VBAT and PVDD inputs are not connected to the same supply.

When powering up, apply the VBAT supply first, the VDD supply second, and the PVDD supply last.

When powering down, remove the PVDD supply first, the VDD supply second, and the VBAT supply last.

Hardware Control Pins

The device has four pins for control and device status: FAULT, MUTE, WARN, and STANDBY.

FAULT

The FAULT pin reports faults and is active low under any of the following conditions:

  • Any channel faults (overcurrent or DC detection)
  • Overtemperature shutdown
  • Overvoltage or undervoltage conditions on the VBAT or PVDD pins
  • Clock errors

The FAULT pin is deactivated when none of the previously listed conditions exist.

Register bits are available to mask fault categories from reporting to the FAULT pin. These bits only mask the setting of the pin and do not affect the register reporting or protection of the device. By default all faults are reported to the pin. See the Register Maps section for a description of the mask settings.

This pin is an open-drain output with an internal 100 kΩ pullup resistor to VDD.

WARN

This active-low output pin reports audio clipping, overtemperature warnings, and POR events.

Clipping is reported if any channel is at the maximum modulation for 20 consecutive PWM clocks which results in a 10-µs delay to report the onset of clipping. The warning bit is sticky and can be cleared by the CLEAR FAULT bit (bit 7) in register 0x21.

An overtemperature warning (OTW) is reported if the general temperature or any of the channel temperature warnings are set. The warning temperature can be set through bits 5 and 6 in register 0x01.

Register bits are available to mask either clipping or OTW reporting to the pin. These bits only mask the setting of the pin and do not affect the register reporting. By default both clipping and OTW are reported.

The WARN pin is latched and can be cleared by writing the CLEAR FAULT bit (bit 7) in register 0x21.

This pin is an open-drain output with an internal 100 kΩ pullup resistor to VDD.

MUTE

This active-low input pin is used for hardware control of the mute and unmute function for all channels.

This pin has a 100 kΩ internal pulldown resistor.

STANDBY

When this active-low input pin is asserted, the device goes into shutdown and current draw is limited. This pin can be used to shut down the device rapidly. The outputs are ramped down in less than 5 ms if the device is not already in the Hi-Z state. The I2C bus goes into the high-impedance (Hi-Z) state when in STANDBY.

This pin has a 100 kΩ internal pulldown resistor.

Device Functional Modes

Operating Modes and Faults

The operating modes and faults are listed in the following tables.

Table 5. Operating Modes

STATE NAME OUTPUT FETS OSCILLATOR I2C
STANDBY Hi-Z Stopped Stopped
Hi-Z Hi-Z Active Active
MUTE Switching at 50% Active Active
PLAY Switching with audio Active Active

Table 6. Global Faults and Actions

FAULT/
EVENT
FAULT/EVENT
CATEGORY
MONITORING
MODES
REPORTING
METHOD
ACTION
RESULT
POR Voltage fault All I2C + WARN pin Standby
VBAT UV Hi-Z, mute, normal I2C + FAULT pin Hi-Z
PVDD UV
VBAT or PVDD OV
OTW Thermal warning Hi-Z, mute, normal I2C + WARN pin None
OTSD Thermal shutdown Hi-Z, mute, normal I2C + FAULT pin Hi-Z

Table 7. Channel Faults and Actions

FAULT/
EVENT
FAULT/EVENT
CATEGORY
MONITORING
MODES
REPORTING
METHOD
ACTION
TYPE
Clipping Warning Mute and play WARN pin None
Overcurrent limiting Protection Current limit
Overcurrent fault Output channel fault I2C + FAULT pin Hi-Z
DC detect

Programming

I2C Serial Communication Bus

The device communicates with the system processor through the I2C serial communication bus as an I2C slave-only device. The processor can poll the device through I2C to determine the operating status, configure settings, or run diagnostics. For a complete list and description of all I2C controls, see the Register Maps section.

The device includes two I2C address pins, so up to four devices can be used together in a system with no additional bus switching hardware. The I2C ADDRx pins set the slave address of the device as listed in Table 8.

Table 8. I2C Addresses

DESCRIPTION I2C ADDR1 I2C ADDR0 I2C Write I2C Read
Device 0 0 0 0xD4 0xD5
Device 1 0 1 0xD6 0xD7
Device 2 1 0 0xD8 0xD9
Device 3 1 1 0xDA 0xDB

I2C Bus Protocol

The device has a bidirectional serial-control interface that is compatible with the Inter IC (I2C) bus protocol and supports 100 kbps and 400 kbps data transfer rates for random and sequential write and read operations. The TAS6422-Q1 device is a slave-only device that does not support a multimaster bus environment or wait-state insertion. The control interface is used to program the registers of the device and to read device status.

The I2C bus uses two signals, SDA (data) and SCL (clock), to communicate between integrated circuits in a system. Data is transferred on the bus serially, one bit at a time. The address and data are transferred in byte (8-bit) format with the most-significant bit (MSB) transferred first. In addition, each byte transferred on the bus is acknowledged by the receiving device with an acknowledge bit. Each transfer operation begins with the master device driving a start condition on the bus and ends with the master device driving a stop condition on the bus. The bus uses transitions on the data terminal (SDA) while the clock is HIGH to indicate a start and stop conditions. A HIGH-to-LOW transition on SDA indicates a start, and a LOW-to-HIGH transition indicates a stop. Normal data bit transitions must occur within the low time of the clock period. The master generates the 7-bit slave address and the read/write (R/W) bit to open communication with another device and then wait for an acknowledge condition. The device holds SDA LOW during the acknowledge-clock period to indicate an acknowledgment. When this occurs, the master transmits the next byte of the sequence. Each device is addressed by a unique 7-bit slave address plus a R/W bit (1 byte). All compatible devices share the same signals via a bidirectional bus using a wired-AND connection. An external pullup resistor must be used for the SDA and SCL signals to set the HIGH level for the bus. The number of bytes that can be transmitted between start and stop conditions is unlimited. When the last word transfers, the master generates a stop condition to release the bus.

TAS6422-Q1 td_i2c_sequence_slos870.gif Figure 40. Typical I2C Sequence
TAS6422-Q1 td_scl-sda_slos870.gif Figure 41. SCL and SDA Timing

Use the I2C ADDRx pins to program the device slave address. Read and write data can be transmitted using single-byte or multiple-byte data transfers.

Random Write

As shown in Figure 42, a single-byte data-write transfer begins with the master device transmitting a start condition followed by the I2C device address and the R/W bit. The R/W bit determines the direction of the data transfer. For a write data transfer, the R/W bit is a 0. After receiving the correct I2C device address and the R/W bit, the device responds with an acknowledge bit. Next, the master transmits the address byte or bytes corresponding to the internal memory address being accessed. After receiving the address byte, the device again responds with an acknowledge bit. Next, the master device transmits the data byte to be written to the memory address being accessed. After receiving the data byte, the device again responds with an acknowledge bit. Finally, the master device transmits a stop condition to complete the single-byte data-write transfer.

TAS6422-Q1 td_random_write_slos870.gif Figure 42. Random Write Transfer

Sequential Write

A sequential data-write transfer is identical to a single-byte data-write transfer except that multiple data bytes are transmitted by the master to the device as shown in Figure 43. After receiving each data byte, the device responds with an acknowledge bit and the I2C subaddress is automatically incremented by one.

TAS6422-Q1 td_seq_write_slos870.gif Figure 43. Sequential Write Transfer

Random Read

As shown in Figure 44, a single-byte data-read transfer begins with the master device transmitting a start condition followed by the I2C device address and the R/W bit. For the data-read transfer, both a write followed by a read occur. Initially, a write occurs to transfer the address byte or bytes of the internal memory address to be read. As a result, the R/W bit is a 0. After receiving the address and the R/W bit, the device responds with an acknowledge bit. In addition, after sending the internal memory address byte or bytes, the master device transmits another start condition followed by the address and the R/W bit again. This time the R/W bit is a 1, indicating a read transfer. After receiving the address and the R/W bit, the device again responds with an acknowledge bit. Next, the device transmits the data byte from the memory address being read. After receiving the data byte, the master device transmits a not-acknowledge followed by a stop condition to complete the single-byte data-read transfer.

TAS6422-Q1 td_random_read_slos870.gif Figure 44. Random Read Transfer

Sequential Read

A sequential data-read transfer is identical to a single-byte data-read transfer except that multiple data bytes are transmitted by the device to the master device as shown in Figure 45. Except for the last data byte, the master device responds with an acknowledge bit after receiving each data byte and automatically increments the I2C subaddress by one. After receiving the last data byte, the master device transmits a not-acknowledge bit followed by a stop condition to complete the transfer.

TAS6422-Q1 td_seq_read_slos870.gif Figure 45. Sequential Read Transfer

Register Maps

Table 9. I2C Address Register Definitions

Address Type Register Description Section
0x00 R/W Mode control Go
0x01 R/W Miscellaneous control 1 Go
0x02 R/W Miscellaneous control 2 Go
0x03 R/W SAP control (serial audio-port control) Go
0x04 R/W Channel state control Go
0x05 R/W Channel 1 volume control Go
0x06 R/W Channel 2 volume control Go
0x07 R/W RESERVED Go
0x08 R/W RESERVED Go
0x09 R/W DC diagnostic control 1 Go
0x0A R/W DC diagnostic control 2 Go
0x0B R/W RESERVED
0x0C R DC load diagnostic report 1 (channels 1 and 2) Go
0x0D R RESERVED
0x0E R DC load diagnostic report 3-line output Go
0x0F R Channel state reporting Go
0x10 R Channel faults (overcurrent, DC detection) Go
0x11 R Global faults 1 Go
0x12 R Global faults 2 Go
0x13 R Warnings Go
0x14 R/W Pin control Go
0x15 R/W AC load diagnostic control 1 Go
0x16 R/W AC load diagnostic control 2 Go
0x17 R AC load diagnostic report channel 1 Go
0x18 R AC load diagnostic report channel 2 Go
0x19 R RESERVED Go
0x1A R RESERVED Go
0x1B R AC load diagnostic phase report high Go
0x1C R AC load diagnostic phase report low Go
0x1D R AC load diagnostic STI report high Go
0x1E R AC load diagnostic STI report low Go
0x1F R RESERVED
0x20 R RESERVED
0x21 R/W Miscellaneous control 3 Go
0x22 R/W Clip control Go
0x23 R/W Clip window Go
0x24 R/W Clip warning Go
0x25 R/W ILIMIT status Go
0x26 R/W Miscellaneous control 4 Go
0x27 R RESERVED
0x28 R/W RESERVED

Mode Control Register (address = 0x00) [default = 0x00]

The Mode Control register is shown in Figure 46 and described in Table 10.

Figure 46. Mode Control Register
7 6 5 4 3 2 1 0
RESET RESERVED RESERVED PBTL CH12 CH1 LO MODE CH2 LO MODE RESERVED RESERVED
R/W-0 R/W-0 R/W-0 R/W-0 R/W-0 R/W-0 R/W-0 R/W-0

Table 10. Mode Control Field Descriptions

Bit Field Type Reset Description
7 RESET R/W 0

0: Normal operation

1: Resets the device

6 RESERVED R/W 0

RESERVED

5 RESERVED R/W 0

RESERVED
4 PBTL CH12 R/W 0

0: Channels 1 and 2 are in BTL mode

1: Channels 1 and 2 are in parallel BTL mode

3 CH1 LO MODE R/W 0

0: Channel 1 is in normal/speaker mode

1: Channel 1 is in line output mode

2 CH2 LO MODE R/W 0

0: Channel 2 is in normal/speaker mode

1: Channel 2 is in line output mode

1 RESERVED R/W 0 RESERVED
0 RESERVED R/W 0 RESERVED

Miscellaneous Control 1 Register (address = 0x01) [default = 0x32]

The Miscellaneous Control 1 register is shown in Figure 47 and described in Table 11.

Figure 47. Miscellaneous Control 1 Register
7 6 5 4 3 2 1 0
HPF BYPASS OTW CONTROL OC CONTROL VOLUME RATE GAIN
R/W-0 R/W-01 R/W-1 R/W-00 R/W-10

Table 11. Misc Control 1 Field Descriptions

Bit Field Type Reset Description
7 HPF BYPASS R/W 0

0: High pass filter eneabled

1: High pass filter disabled

6–5 OTW CONTROL R/W 01

00: Global overtemperature warning set to 140°C

01: Global overtemperature warning set to 130C

10: Global overtemperature warning set to 120°C

11: Global overtemperature warning set to 110°C

4 OC CONTROL R/W 1

0: Overcurrent is level 1

1: Overcurrent is level 2

3–2 VOLUME RATE R/W 00

00: Volume update rate is 1 step / FSYNC

01: Volume update rate is 1 step / 2 FSYNCs

10: Volume update rate is 1 step / 4 FSYNCs

11: Volume update rate is 1 step / 8 FSYNCs

1–0 GAIN R/W 10

00: Gain level 1 = 7.6 V peak output voltage

01: Gain Level 2 = 15 V peak output voltage

10: Gain Level 3 = 21 V peak output voltage

11: Gain Level 4 = 29 V peak output voltage

Miscellaneous Control 2 Register (address = 0x02) [default = 0x62]

The Miscellaneous Control 2 register is shown in Figure 48 and described in Table 12.

Figure 48. Miscellaneous Control 2 Register
7 6 5 4 3 2 1 0
RESERVED PWM FREQUENCY RESERVED SDM_OSR OUTPUT PHASE
R/W-110 R/W-0 R/W-10

Table 12. Misc Control 2 Field Descriptions

Bit Field Type Reset Description
7 RESERVED

0

6–4 PWM FREQUENCY R/W 110

000: 8 × fS (352.8 kHz / 384 kHz)

001: 10 × fS (441 kHz / 480 kHz)

010: RESERVED

011: RESERVED

100: RESERVED

101: 38 × fS (1.68 MHz / 1.82 MHz)

110: 44 × fS (1.94 MHz / 2.11 MHz)

111: 48 × fS (2.12 MHz / not supported)

3 RESERVED 0 0
2 SDM_OSR R/W 0

0: 64x OSR

1: 128x OSR

1–0 OUTPUT PHASE R/W 10

00: 0 degrees output-phase switching offset

01: 30 degrees output-phase switching offset

10: 45 degrees output-phase switching offset

11: 60 degrees output-phase switching offset

SAP Control (Serial Audio-Port Control) Register (address = 0x03) [default = 0x04]

The SAP Control (serial audio-port control) register is shown in Figure 49 and described in Table 13.

Figure 49. SAP Control Register
7 6 5 4 3 2 1 0
INPUT SAMPLING RATE 8 Ch TDM SLOT SELECT TDM SLOT SIZE TDM SLOT SELECT 2 INPUT FORMAT
R/W-00 R/W-0 R/W-0 R/W-0 R/W-100

Table 13. SAP Control Field Descriptions

Bit Field Type Reset Description
7–6 INPUT SAMPLING RATE R/W 00

00: 44.1 kHz

01: 48 kHz

10: 96 kHz

11: RESERVED

5 8 Ch TDM SLOT SELECT R/W 0

0: First four TDM slots

1: Last four TDM slots

4 TDM SLOT SIZE R/W 0

0: TDM slot size is 24-bit or 32-bit

1: TDM slot size is 16-bit

3 TDM SLOT SELECT 2 R/W 0

0: Normal

1: swap channel 1/2 with channel 3/4

2–0 INPUT FORMAT R/W 100

000: 24-bit right justified

001: 20-bit right justified

010: 18-bit right justified

011: 16-bit right justified

100: I2S (16-bit or 24-bit)

101: Left justified (16-bit or 24-bit)

110: DSP mode (16-bit or 24-bit)

111: RESERVED

Channel State Control Register (address = 0x04) [default = 0x55]

The Channel State Control register is shown in Figure 50 and described in Table 14.

Figure 50. Channel State Control Register
7 6 5 4 3 2 1 0
CH1 STATE CONTROL CH2 STATE CONTROL RESERVED RESERVED
R/W-01 R/W-01 R/W-01 R/W-01

Table 14. Channel State Control Field Descriptions

Bit Field Type Reset Description
7–6 CH1 STATE CONTROL R/W 01

00: PLAY

01: Hi-Z

10: MUTE

11: DC load diagnostics

5–4 CH2 STATE CONTROL R/W 01

00: PLAY

01: Hi-Z

10: MUTE

11: DC load diagnostics

3–2 RESERVED R/W 01 RESERVED
1–0 RESERVED R/W 01 RESERVED

Channel 1 Through 2 Volume Control Registers (address = 0x05–0x06) [default = 0xCF]

The Channel 1 Through 2 Volume Control registers are shown in Figure 51 and described in Table 15.

Figure 51. Channel x Volume Control Register
7 6 5 4 3 2 1 0
CH x VOLUME
R/W-CF

Table 15. Ch x Volume Control Field Descriptions

Bit Field Type Reset Description
7–0 CH x VOLUME R/W CF

8-Bit Volume Control for each channel, register address for Ch1 is 0x05, Ch2 is 0x06, , 0.5 dB/step:

0xFF: 24 dB

0xCF: 0 dB

0x07: –100 dB

< 0x07: MUTE

DC Load Diagnostic Control 1 Register (address = 0x09) [default = 0x00]

The DC Diagnostic Control 1 register is shown in Figure 52 and described in Table 16.

Figure 52. DC Load Diagnostic Control 1 Register
7 6 5 4 3 2 1 0
DC LDG ABORT 2x_RAMP 2x_SETTLE RESERVED LDG LO ENABLE LDG BYPASS
R/W-0 R/W-0 R/W-0 R/W-0 R/W-0

Table 16. DC Load Diagnostics Control 1 Field Descriptions

Bit Field Type Reset Description
7 DC LDG ABORT R/W 0

0: Default state, clear after abort

1: Aborts the load diagnostics in progress

6 2x_RAMP R/W 0

0: Normal ramp time

1: Double ramp time

5 2x_SETTLE R/W 0

0: Normal Settle time

1: Double settling time

4–2 RESERVED 0

0

1 LDG LO ENABLE R/W 0

0: Line output diagnostics are disabled

1: Line output diagnostics are enabled

0 LDG BYPASS R/W 0

0: Automatic diagnostics when leaving Hi-Z and after channel fault

1: Diagnostics are not run automatically

DC Load Diagnostic Control 2 Register (address = 0x0A) [default = 0x11]

The DC Diagnostic Control 2 register is shown in Figure 53 and described in Table 17.

Figure 53. DC Load Diagnostic Control 2 Register
7 6 5 4 3 2 1 0
CH1 DC LDG SL CH2 DC LDG SL
R/W-0001 R/W-0001

Table 17. DC Load Diagnostics Control 2 Field Descriptions

Bit Field Type Reset Description
7–4 CH1 DC LDG SL R/W 0001

DC load diagnostics shorted-load threshold

0000: 0.5 Ω

0001: 1 Ω

0010: 1.5 Ω

...

1001: 5 Ω

3–0 CH2 DC LDG SL R/W 0001

DC load diagnostics shorted-load threshold

0000: 0.5 Ω

0001: 1 Ω

0010: 1.5 Ω

...

1001: 5 Ω

DC Load Diagnostic Report 1 Register (address = 0x0C) [default = 0x00]

DC Load Diagnostic Report 1 register is shown in Figure 54 and described in Table 18.

Figure 54. DC Load Diagnostic Report 1 Register
7 6 5 4 3 2 1 0
CH1 S2G CH1 S2P CH1 OL CH1 SL CH2 S2G CH2 S2P CH2 OL CH2 SL
R-0 R-0 R-0 R-0 R-0 R-0 R-0 R-0

Table 18. DC Load Diagnostics Report 1 Field Descriptions

Bit Field Type Reset Description
7 CH1 S2G R 0

0: No short-to-GND detected

1: Short-To-GND Detected

6 CH1 S2P R 0

0: No short-to-power detected

1: Short-to-power detected

5 CH1 OL R 0

0: No open load detected

1: Open load detected

4 CH1 SL R 0

0: No shorted load detected

1: Shorted load detected

3 CH2 S2G R 0

0: No short-to-GND detected

1: Short-to-GND detected

2 CH2 S2P R 0

0: No short-to-power detected

1: Short-to-power detected

1 CH2 OL R 0

0: No open load detected

1: Open load detected

0 CH2 SL R 0

0: No shorted load detected

1: Shorted load detected

DC Load Diagnostics Report 3 Line Output Register (address = 0x0E) [default = 0x00]

The DC Load Diagnostic Report, Line Output, register is shown in Figure 55 and described in Table 19.

Figure 55. DC Load Diagnostics Report 3 Line Output Register
7 6 5 4 3 2 1 0
RESERVED CH1 LO LDG CH2 LO LDG RESERVED RESERVED
R-0 R-0 R-0 R-0

Table 19. DC Load Diagnostics Report 3 Line Output Field Descriptions

Bit Field Type Reset Description
7–4 RESERVED

0

3 CH1 LO LDG R 0

0: No line output detected on channel 1

1: Line output detected on channel 1

2 CH2 LO LDG R 0

0: No line output detected on channel 2

1: Line output detected on channel 2

1 RESERVED R 0 RESERVED
0 RESERVED R 0 RESERVED

Channel State Reporting Register (address = 0x0F) [default = 0x55]

The Channel State Reporting register is shown in Figure 56 and described in Table 20.

Figure 56. Channel State-Reporting Register
7 6 5 4 3 2 1 0
CH1 STATE REPORT CH2 STATE REPORT RESERVED RESERVED
R-01 R-01 R-01 R-01

Table 20. State-Reporting Field Descriptions

Bit Field Type Reset Description
7–6 CH1 STATE REPORT R 01

00: PLAY

01: Hi-Z

10: MUTE

11: DC load diagnostics

5–4 CH2 STATE REPORT R 01

00: PLAY

01: Hi-Z

10: MUTE

11: DC load diagnostics

3–2 RESERVED R 01 RESERVED
1–0 RESERVED R 01 RESERVED

Channel Faults (Overcurrent, DC Detection) Register (address = 0x10) [default = 0x00]

The Channel Faults (overcurrent, DC detection) register is shown in Figure 57 and described in Table 21.

Figure 57. Channel Faults Register
7 6 5 4 3 2 1 0
CH1 OC CH2 OC RESERVED RESERVED CH1 DC CH2 DC RESERVED RESERVED
R-0 R-0 R-0 R-0 R-0 R-0 R-0 R-0

Table 21. Channel Faults Field Descriptions

Bit Field Type Reset Description
7 CH1 OC R 0

0: No overcurrent fault detected

1: Overcurrent fault detected

6 CH2 OC R 0

0: No overcurrent fault detected

1: Overcurrent fault detected

5 RESERVED R 0 RESERVED
4 RESERVED R 0 RESERVED
3 CH1 DC R 0

0: No DC fault detected

1: DC fault detected

2 CH2 DC R 0

0: No DC fault detected

1: DC fault detected

1 RESERVED R 0 RESERVED
0 RESERVED R 0 RESERVED

Global Faults 1 Register (address = 0x11) [default = 0x00]

The Global Faults 1 register is shown in Figure 58 and described in Table 22.

Figure 58. Global Faults 1 Register
7 6 5 4 3 2 1 0
RESERVED INVALID CLOCK PVDD OV VBAT OV PVDD UV VBAT UV
R-0 R-0 R-0 R-0 R-0

Table 22. Global Faults 1 Field Descriptions

Bit Field Type Reset Description
7–5 RESERVED 0

0

4 INVALID CLOCK R 0

0: No clock fault detected

1: Clock fault detected

3 PVDD OV R 0

0: No PVDD overvoltage fault detected

1: PVDD overvoltage fault detected

2 VBAT OV R 0

0: No VBAT overvoltage fault detected

1: VBAT overvoltage fault detected

1 PVDD UV R 0

0: No PVDD undervoltage fault detected

1: PVDD undervoltage fault detected

0 VBAT UV R 0

0: No VBAT undervoltage fault detected

1: VBAT undervoltage fault detected

Global Faults 2 Register (address = 0x12) [default = 0x00]

The Global Faults 2 register is shown in Figure 59 and described in Table 23.

Figure 59. Global Faults 2 Register
7 6 5 4 3 2 1 0
RESERVED OTSD CH1 OTSD CH2 OTSD RESERVED RESERVED
R-0 R-0 R-0 R-0 R-0

Table 23. Global Faults 2 Field Descriptions

Bit Field Type Reset Description
7–5 RESERVED

0

4 OTSD R 0

0: No global overtemperature shutdown

1: Global overtemperature shutdown

3 CH1 OTSD R 0

0: No overtemperature shutdown on Ch1

1: Overtemperature shutdown on Ch1

2 CH2 OTSD R 0

0: No overtemperature shutdown on Ch2

1: Overtemperature shutdown on Ch2

1 RESERVED R 0 RESERVED
0 RESERVED R 0 RESERVED

Warnings Register (address = 0x13) [default = 0x20]

The Warnings register is shown in Figure 60 and described in Table 24.

Figure 60. Warnings Register
7 6 5 4 3 2 1 0
RESERVED VDD POR OTW OTW CH1 OTW CH2 RESERVED RESERVED
R-0 R-0 R-0 R-0 R-0 R-0

Table 24. Warnings Field Descriptions

Bit Field Type Reset Description
7 -6 RESERVED 00

0

5 VDD POR R 0

0: No VDD POR has occurred

1 VDD POR occurred

4 OTW R 0

0: No global overtemperature warning

1: Global overtemperature warning

3 OTW CH1 R 0

0: No overtemperature warning on channel 1

1: Overtemperature warning on channel 1

2 OTW CH2 R 0

0: No overtemperature warning on channel 2

1: Overtemperature warning on channel 2

1 RESERVED R 0 RESERVED
0 RESERVED R 0 RESERVED

Pin Control Register (address = 0x14) [default = 0x00]

The Pin Control register is shown in Figure 61 and described in Table 25.

Figure 61. Pin Control Register
7 6 5 4 3 2 1 0
MASK OC MASK OTSD MASK UV MASK OV MASK DC MASK ILIMIT MASK CLIP MASK OTW
R/W-1 R/W-1 R/W-1 R/W-1 R/W-1 R/W-1 R/W-1 R/W-1

Table 25. Pin Control Field Descriptions

Bit Field Type Reset Description
7 MASK OC R/W 0

0: Report overcurrent faults on the FAULT pin

1: Do not report overcurrent faults on the FAULT Pin

6 MASK OTSD R/W 0

0: Report overtemperature faults on the FAULT pin

1: Do not report overtemperature faults on the FAULT pin

5 MASK UV R/W 0

0: Report undervoltage faults on the FAULT pin

1: Do not report undervoltage faults on the FAULT pin

4 MASK OV R/W 0

0: Report overvoltage faults on the FAULT pin

1: Do not report overvoltage faults on the FAULT pin

3 MASK DC R/W 0

0: Report DC faults on the FAULT pin

1: Do not report DC faults on the FAULT pin

2 MASK ILIMIT R/W 0

0: Report Ilimit on the FAULT pin

1: Do not report Ilimit on the FAULT pin

1 MASK CLIP R/W 0

0: Report clipping on the WARN pin

1: Do not report clipping on the WARN pin

0 MASK OTW R/W 0

0: Report overtemperature warnings on the WARN pin

1: Do not report overtemperature warnings on the WARN pin

AC Load Diagnostic Control 1 Register (address = 0x15) [default = 0x00]

The AC Load Diagnostic Control 1 register is shown in Figure 62 and described in Table 26.

Figure 62. AC Load Diagnostic Control 1 Register
7 6 5 4 3 2 1 0
CH1 GAIN RESERVED RESERVED RESERVED CH1 ENABLE CH2 ENABLE RESERVED RESERVED
R/W-0 R/W-0 R/W-0 R/W-0 R/W-0 R/W-0 R/W-0 R/W-0

Table 26. AC Load Diagnostic Control 1 Field Descriptions

Bit Field Type Reset Description
7 CH1, CH2, PBTL12: GAIN R/W 0

0: Gain 1

1: Gain 4

6 RESERVED R/W 0 0
5 RESERVED R/W 0 RESERVED
4 RESERVED R/W 0 0
3 CH1 ENABLE R/W 0

0: AC diagnostics disabled

1: Enable AC diagnostics

2 CH2 ENABLE R/W 0

0: AC diagnostics disabled

1: Enable AC diagnostics

1 RESERVED R/W 0 RESERVED
0 RESERVED R/W 0 RESERVED

AC Load Diagnostic Control 2 Register (address = 0x16) [default = 0x00]

The AC Load Diagnostic Control 2 register is shown in Figure 63 and described in Table 27.

Figure 63. AC Load Diagnostic Control 2 Register
7 6 5 4 3 2 1 0
AC_DIAGS_LOOPBACK RESERVED AC TIMING AC CURRENT RESERVED
R/W-0 R/W-0 R/W-0 R/W-0 R/W-0 R/W-0 R/W-0 R/W-0

Table 27. AC Load Diagnostic Control 2 Field Descriptions

Bit Field Type Reset Description
7 AC_DIAGS_LOOPBACK R/W 0

0: disable AC Diag loopback

1: Enable AC Diag loopback

6-5 RESERVED R/W 00 00
4 AC TIMING R/W 0

0: 32 Cycles

1: 64 Cycles

3-2 AC CURRENT R/W 00

00: 10mA

01: 19 mA

10: RESERVED

11: RESERVED

1-0 RESERVED R/W 00 00

AC Load Diagnostic Impedance Report Ch1 through CH2 Registers (address = 0x17–0x18) [default = 0x00]

The AC Load Diagnostic Report Ch1 through CH2 registers are shown in Figure 64 and described in Table 28.

Figure 64. AC Load Diagnostic Impedance Report Chx Register
7 6 5 4 3 2 1 0
CHx IMPEDANCE
R-00

Table 28. Chx AC LDG Impedance Report Field Descriptions

Bit Field Type Reset Description
7–0 CH x IMPEDANCE R 00

8-bit AC-load diagnostic report for each channel with a step size of 0.2496 Ω/bit (control by register 0x15 and register 0x16)

0x00: 0 Ω

0x01: 0.2496 Ω

...

0xFF: 63.65 Ω

AC Load Diagnostic Phase Report High Register (address = 0x1B) [default = 0x00]

The AC Load Diagnostic Phase High value registers are shown in Figure 65 and described in Table 29.

Figure 65. AC Load Diagnostic (LDG) Phase High Report Register
7 6 5 4 3 2 1 0
AC Phase High
R-00

Table 29. AC LDG Phase High Report Field Descriptions

Bit Field Type Reset Description
7–0 AC Phase High R 00 Bit 15:8

AC Load Diagnostic Phase Report Low Register (address = 0x1C) [default = 0x00]

The AC Load Diagnostic Phase Low value registers are shown in Figure 66 and described in Table 30.

Figure 66. AC Load Diagnostic (LDG) Phase Low Report Register
7 6 5 4 3 2 1 0
AC Phase Low
R-00

Table 30. AC LDG Phase Low Report Field Descriptions

Bit Field Type Reset Description
7–0 AC Phase Low R 00 Bit 7:0

AC Load Diagnostic STI Report High Register (address = 0x1D) [default = 0x00]

The AC Load Diagnostic STI High value registers are shown in Figure 67 and described in Table 31.

Figure 67. AC Load Diagnostic (LDG) STI High Report Register
7 6 5 4 3 2 1 0
AC STI High
R-00

Table 31. AC LDG STI High Report Field Descriptions

Bit Field Type Reset Description
7–0 AC STI High R 00 Bit 15:8

AC Load Diagnostic STI Report Low Register (address = 0x1E) [default = 0x00]

The AC Load Diagnostic STI Low value registers are shown in Figure 68 and described in Table 32.

Figure 68. AC Load Diagnostic (LDG) STI Low Report Register
7 6 5 4 3 2 1 0
AC STI Low
R-00

Table 32. Chx AC LDG STI Low Report Field Descriptions

Bit Field Type Reset Description
7–0 AC STI Low R 00 Bit 7:0

Miscellaneous Control 3 Register (address = 0x21) [default = 0x00]

The Miscellaneous Control 3 register is shown in Figure 69 and described in Table 33.

Figure 69. Miscellaneous Control 3 Register
7 6 5 4 3 2 1 0
CLEAR FAULT PBTL_CH_SEL MASK ILIMIT WARNING RESERVED OTSD AUTO RECOVERY RESERVED
R/W-0 R/W-0 R/W-0 R/W-1 R/W-0

Table 33. Misc Control 3 Field Descriptions

Bit Field Type Reset Description
7 CLEAR FAULT R/W 0

0: Normal operation

1: Clear fault

6 PBTL_CH_SEL R/W 0

0: PBTL normal signal source

1: PBTL flip signal source

5 MASK ILIMIT WARNING R/W 0

0: Report ILIMIT on the WARN pin

1: Do not report ILIMIT on the WARN pin

4 RESERVED R/W 0
3 OTSD AUTO RECOVERY R/W 0

0: OTSD is latched

0: OTSD is autorecovery

2–0 RESERVED 0

0

Clip Control Register (address = 0x22) [default = 0x01]

The Clip Detect register is shown in Figure 70 and described in Table 34.

Figure 70. Clip Control Register
7 6 5 4 3 2 1 0
RESERVED CLIPDET_EN
R/W-1

Table 34. Clip Control Field Descriptions

Bit Field Type Reset Description
7-1 RESERVED

0

0 CLIPDET_EN R/W 1

0: Clip detect disable

1: Clip Detect Enable

Clip Window Register (address = 0x23) [default = 0x14]

The Clip Window register is shown in Figure 71 and described in Table 35.

Figure 71. Clip Window Register
7 6 5 4 3 2 1 0
CLIP_WINDOW_SEL[7:1]
R/W-00001110

Table 35. Clip Window Field Descriptions

Bit Field Type Reset Description
7-0 CLIP_WINDOW_SEL[7:1] R/W 00010100

00000000

00000001

00000010

00000011

00000100

00000101

00000110

00000111

00001000

00001001

00001010

00001110

00010100

Clip Warning Register (address = 0x24) [default = 0x00]

The Clip Window register is shown in Figure 72 and described in Table 36.

Figure 72. Clip Warning Register
7 6 5 4 3 2 1 0
RESERVED RESERVED RESERVED CH2_CLIP CH1_CLIP
R-0 R-0 R-0 R-0

Table 36. Clip Warning Field Descriptions

Bit Field Type Reset Description
7-4 RESERVED 0

RESERVED

3 RESERVED R 0 RESERVED
2 RESERVED R 0 RESERVED
1 CH2_CLIP R 0

0: No Clip Detect

1: Clip Detect

0 CH1_CLIP R 0

0: No Clip Detect

1: Clip Detect

ILIMIT Status Register (address = 0x25) [default = 0x00]

The ILIMIT Status register is shown in Figure 73 and described in Table 37.

Figure 73. ILIMIT Status Register
7 6 5 4 3 2 1 0
RESERVED RESERVED RESERVED CH2_ILIMIT_WARN CH1_ILIMIT_WARN
R-0 R-0 R-0 R-0

Table 37. ILIMIT Status Field Descriptions

Bit Field Type Reset Description
7 RESERVED 0 RESERVED
6 RESERVED 0 RESERVED
5 RESERVED 0 RESERVED
4 RESERVED 0 RESERVED
3 RESERVED R 0 RESERVED
2 RESERVED R 0 RESERVED
1 CH2_ILIMIT_WARN R 0

0: No ILIMIT

1: ILIMIT Warning

0 CH1_ILIMIT_WARN R 0

0: No ILIMIT

1: ILIMIT Warning

Miscellaneous Control 4 Register (address = 0x26) [default = 0x40]

The Miscellaneous Control 4 register is shown in Figure 74 and described in Table 38.

Figure 74. Miscellaneous Control 4 Register
7 6 5 4 3 2 1 0
RESERVED HPF_CORNER[2:0]
R/W-00000 R/W-000

Table 38. Misc Control 4 Field Descriptions

Bit Field Type Reset Description
7-3 RESERVED R/W 01000

01000: DEFAULT

2-0 HPF_CORNER[2:0] R/W 000

000: 3.7 Hz

001: 7.4 Hz

010: 15 Hz

011: 30 Hz

100: 59 Hz

101: 118 Hz

110: 235 Hz

111: 463 Hz