SLLS977F April   2009  – July 2017 SN75DP139

PRODUCTION DATA.  

  1. Features
  2. Applications
  3. Description
  4. Revision History
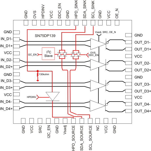
  5. Pin Configuration and Functions
  6. Specifications
    1. 6.1  Absolute Maximum Ratings
    2. 6.2  ESD Ratings
    3. 6.3  Recommended Operating Conditions
    4. 6.4  Thermal Information
    5. 6.5  Electrical Characteristics (Device Power)
    6. 6.6  Electrical Characteristics (Hot Plug Detect)
    7. 6.7  Electrical Characteristics (Aux / I2C Pins)
    8. 6.8  Electrical Characteristics (TMDS and Main Link Pins)
    9. 6.9  Switching Characteristics (Hot Plug Detect)
    10. 6.10 Switching Characteristics (Aux / I2C Pins)
    11. 6.11 Switching Characteristics (TMDS and Main Link Pins)
    12. 6.12 Typical Characteristics
  7. Detailed Description
    1. 7.1 Overview
    2. 7.2 Functional Block Diagram
    3. 7.3 Feature Description
      1. 7.3.1 Hot Plug Detect
      2. 7.3.2 Aux / I2C Pins
      3. 7.3.3 TMDS and Main Link Pins
      4. 7.3.4 Input/Output Equivalent Circuits
    4. 7.4 Device Functional Modes
      1. 7.4.1 Active
      2. 7.4.2 Low Power With DDC Channel Enabled
      3. 7.4.3 Low Power
    5. 7.5 Programming
      1. 7.5.1 I2C Interface Notes
      2. 7.5.2 General I2C Protocol
      3. 7.5.3 Slave Address
        1. 7.5.3.1 Sink Port Selection Register And Source Plug-In Status Register Description (Sub-Address)
        2. 7.5.3.2 Example - Reading From The SN75DP139:
  8. Application and Implementation
    1. 8.1 Application Information
    2. 8.2 Typical Application
      1. 8.2.1 Design Requirements
      2. 8.2.2 Detailed Design Procedure
        1. 8.2.2.1 DVI Application
      3. 8.2.3 Application Curve
  9. Power Supply Recommendations
  10. 10Layout
    1. 10.1 Layout Guidelines
      1. 10.1.1 Layer Stack
      2. 10.1.2 Differential Traces
    2. 10.2 Layout Example
  11. 11Device and Documentation Support
    1. 11.1 Receiving Notification of Documentation Updates
    2. 11.2 Community Resources
    3. 11.3 Trademarks
    4. 11.4 Electrostatic Discharge Caution
    5. 11.5 Glossary
  12. 12Mechanical, Packaging, and Orderable Information

封装选项

机械数据 (封装 | 引脚)
散热焊盘机械数据 (封装 | 引脚)
订购信息

Detailed Description

Overview

The SN75DP139 is a Dual-Mode DisplayPort input to Transition-Minimized Differential Signaling (TMDS) output. The TMDS output has a built in level shifting re-driver supporting Digital Video Interface (DVI) 1.0 and High Definition Multimedia Interface (HDMI) 1.4b standards.

An integrated Active I2C buffer isolates the capacitive loading of the source system from that of the sink and interconnecting cable. This isolation improves overall signal integrity of the system and allows for considerable design margin within the source system for DVI / HDMI compliance testing.

A logic block was designed into the SN75DP139 in order to assist with TMDS connector identification. Through the use of the I2C_EN pin, this logic block can be enabled to indicate the translated port is an HDMI port; therefore legally supporting HDMI content.

Functional Block Diagram

SN75DP139 data_bd1_lls977.gif Figure 20. Data Flow Block Diagram

Feature Description

The SN75DP139 is designed to operate off of one supply voltage VCC.

The SN75DP139 offers features to enable or disable different functionality based on the status of the output enable (OE_N) and DDC Enable (DDC_EN) inputs.

  • OE_N affects only the High Speed Differential channels (Main Link/TMDS link). OE_N has no influence on the HPD_SINK input, HPD_SOURCE output, or the DDC buffer.
  • DDC_EN affects only the DDC channel. The DDC_EN should never change state during the I2C operation. Disabling DDC_EN during a bus operation will hang the bus, while enabling the DDC_EN during bus traffic will corrupt the I2C bus operation. DDC_EN should only be toggled while the bus is idle.
  • TMDS output edge rate control has impact on the SN75DP139 Active power. See Figure 15. TMDS output edge rate can be controlled by SRC pin. Slower output Edge Rate Setting helps in reducing the Active power consumption.

Table 2. Packaging Options

HPD_SINK HPDINV OE_N DDC_EN IN_Dx OUT_Dx DDC HPD_SOURCE MODE
Input = H or L L L L 50 Ω termination active Enabled High-impedance Output = non inverted, follows HPD_SINK Active
Input = H or L L L H 50 Ω termination active Enabled enabled Output = non inverted, follows HPD_SINK Active
Input = H or L L H L 50 Ω termination active:
Terminations connected to common Mode Voltage = 0V.
High-impedance High-impedance Output = non inverted, follows HPD_SINK Low Power
Input = H or L L H H 50 Ω termination active:
Terminations connected to common Mode Voltage = 0V.
High-impedance enabled Output = non inverted, follows HPD_SINK Low Power with
DDC channel enabled
Input = H or L H L L 50 Ω termination active Enabled High-impedance Output = inverted, follows HPD_SINK Active
Input = H or L H L H 50 Ω termination active Enabled enabled Output = inverted, follows HPD_SINK Active
Input = H or L H H L 50 Ω termination active:
Terminations connected to common Mode Voltage = 0V.
High-impedance High-impedance Output = inverted, follows HPD_SINK Low Power
Input = H or L H H H 50 Ω termination active:
Terminations connected to common Mode Voltage = 0V.
High-impedance enabled Output = inverted, follows HPD_SINK Low Power with
DDC channel enabled
L = LOW, H = HIGH

Hot Plug Detect

The SN75DP139 has a built in level shifter for the HPD outputs. The output voltage level of the HPD pin is defined by the voltage level of the VCC pin. The HPD input or HPD_SINK side has 130kohm of pull down resistor integrated.

The logic of the HPD_SOURCE output always follows the logic state of the HPD_SINK input based on the HPDINV pin logic, regardless of whether the device is in Active or Low Power Mode

Aux / I2C Pins

The SN75DP139 utilizes an active I2C repeater. The repeater is designed to isolate the parasitic effects of the system in order to aid with system level compliance.

In addition to the I2C repeater, the SN75DP139 also supports the connector detection I2C register. This register is enabled via the I2C_EN pin. When active an internal memory register is readable via the AUX_I2C I/O. The functionality of this register block is described in the Programming section.

TMDS and Main Link Pins

The main link inputs are designed to support DisplayPort 1.1 specification. The TMDS outputs of the SN75DP139 are designed to support the Digital Video Interface (DVI) 1.0 and High Definition Multimedia Interface (HDMI) 1.4b specifications. The differential output voltage swing can be fine tuned with the RVsadj resistor.

The DP++ (dual-mode) input of the SN75DP139 is designed to accommodate the standard DP level ac coupled signal with no pre-emphasis with up to 16 inches of trace (4 mil 100 Ω differential stripline).

Input/Output Equivalent Circuits

SN75DP139 dp_inp_lls977.gif Figure 21. DisplayPort Input Stage
SN75DP139 tmds_out_lls977.gif Figure 22. TMDS Output Stage
SN75DP139 hpdcon_inp_lls977.gif Figure 23. HPD and Control Input Stage
SN75DP139 hpd_out_lls977.gif Figure 24. HPD Output Stage
SN75DP139 i2c_io_lls977.gif Figure 25. I2C Input and Output Stage

Device Functional Modes

Active

The SN75DP139 activates the main link channel and thus is able to transmit the TMDS content.

Low Power With DDC Channel Enabled

The SN75DP139 is in low power but keeps its DDC channel active, this allows the device to configure its internal I2C registers.

Low Power

The SN75DP139 is in the lowest power mode, with no activity on the DDC or main link channels.

Programming

I2C Interface Notes

The I2C interface can be used to access the internal memory of the SN75DP139. I2C is a two-wire serial interface developed by Philips Semiconductor (see I2C-Bus Specification, Version 2.1, January 2000). The bus consists of a data line (SDA) and a clock line (SCL) with pull-up structures. When the bus is idle, both SDA and SCL lines are pulled high. All the I2C compatible devices connect to the I2C bus through open drain I/O pins, SDA and SCL. A master device, usually a microcontroller or a digital signal processor, controls the bus. The master is responsible for generating the SCL signal and device addresses. The master also generates specific conditions that indicate the START and STOP of data transfer. A slave device receives and/or transmits data on the bus under control of the master device. The SN75DP139 works as a slave and supports the standard mode transfer (100 kbps) as defined in the I2C-Bus Specification.

The basic I2C start and stop access cycles are shown in Figure 26.

The basic access cycle consists of the following:

  • A start condition
  • A slave address cycle
  • Any number of data cycles
  • A stop condition
SN75DP139 i2c_ss_lls977.gif Figure 26. I2C Start And Stop Conditions

General I2C Protocol

  • The master initiates data transfer by generating a start condition. The start condition is when a high-to-low transition occurs on the SDA line while SCL is high, as shown in Figure 28. All I2C-compatible devices should recognize a start condition.
  • The master then generates the SCL pulses and transmits the 7-bit address and the read/write direction bit R/W on the SDA line. During all transmissions, the master ensures that data is valid. A valid data condition requires the SDA line to be stable during the entire high period of the clock pulse (see Figure 27). All devices recognize the address sent by the master and compare it to their internal fixed addresses. Only the slave device with a matching address generates an acknowledge (see Figure 28) by pulling the SDA line low during the entire high period of the ninth SCL cycle. On detecting this acknowledge, the master knows that a communication link with a slave has been established.
  • The master generates further SCL cycles to either transmit data to the slave (R/W bit 0) or receive data from the slave (R/W bit 1). In either case, the receiver needs to acknowledge the data sent by the transmitter. So an acknowledge signal can either be generated by the master or by the slave, depending on which one is the receiver. The 9-bit valid data sequences consisting of 8-bit data and 1-bit acknowledge can continue as long as necessary (See Figure 29).
  • To signal the end of the data transfer, the master generates a stop condition by pulling the SDA line from low to high while the SCL line is high (see Figure 29). This releases the bus and stops the communication link with the addressed slave. All I2C compatible devices must recognize the stop condition. Upon the receipt of a stop condition, all devices know that the bus is released, and they wait for a start condition followed by a matching address.
SN75DP139 bit_trns_lls977.gif Figure 27. I2C Bit Transfer
SN75DP139 i2c_ackn_lls977.gif Figure 28. I2C Acknowledge
SN75DP139 add_cyc_lls977.gif Figure 29. I2C Address And Data Cycles

During a read cycle, the slave receiver will acknowledge the initial address byte if it decodes the address as its address. Following this initial acknowledge by the slave, the master device becomes a receiver and acknowledges data bytes sent by the slave. When the master has received all of the requested data bytes from the slave, the not acknowledge (A) condition is initiated by the master by keeping the SDA signal high just before it asserts the stop (P) condition. This sequence terminates a read cycle as shown in Figure 30 and Figure 31. See Example – Reading from the SN75DP139 section for more information.

SN75DP139 read_cyc_lls977.gif Figure 30. I2C Read Cycle
SN75DP139 mbyte_read_lls977.gif Figure 31. Multiple Byte Read Transfer

Slave Address

Both SDA and SCL must be connected to a positive supply voltage via a pull-up resistor. These resistors should comply with the I2C specification that ranges from 2kΩ to 19kΩ. When the bus is free, both lines are high. The address byte is the first byte received following the START condition from the master device. The 7-bit address is factory preset to 1000000. Table 3 lists the calls that the SN75DP139 will respond to.

Table 3. SN75DP139 Slave Address

Fixed Address Read/Write Bit
Bit 7
(MSB)
Bit 6 Bit 5 Bit 4 Bit 3 Bit 2 Bit 1 Bit 0
(R/W)
1 0 0 0 0 0 0 1

Sink Port Selection Register And Source Plug-In Status Register Description (Sub-Address)

The SN75DP139 operates using a multiple byte transfer protocol similar to Figure 31. The internal memory of the SN75DP139 contains the phrase “DP-HDMI ADAPTOR<EOT>” converted to ASCII characters. The internal memory address registers and the value of each can be found in Table 4.

During a read cycle, the SN75DP139 will send the data in its selected sub-address in a single transfer to the master device requesting the information. See the Example – Reading from the SN75DP139 section of this document for the proper procedure on reading from the SN75DP139.

Table 4. SN75DP139 Sink Port And Source Plug-In Status Registers Selection

Address 0x00 0x01 0x02 0x03 0x04 0x05 0x06 0x07 0x08 0x09 0x0A 0x0B 0x0C 0x0D 0x0E 0x0F 0x10
Data 44 50 2D 48 44 4D 49 20 41 44 41 50 54 4F 52 04 FF

Example – Reading From The SN75DP139:

The read operation consists of several steps. The I2C master begins the communication with the transmission of the start sequence followed by the slave address of the SN75DP139 and logic address of 00h. The SN75DP139 will acknowledge it’s presence to the master and begin to transmit the contents of the memory registers. After each byte is transferred the SN75DP139 will wait for either an acknowledge (ACK) or a not-acknowledge (NACK) from the master. If an ACK is received the next byte of data will be transmitted. If a NACK is received the data transmission sequence is expected to end and the master should send the stop command.

The SN75DP139 will continue to send data as long as the master continues to acknowledge each byte transmission. If an ACK is received after the transmission of byte 0x0F the SN75DP139 will transmit byte 0x10 and continue to transmit byte 0x10 for all further ACK’s until a NACK is received.

The SN75DP139 also supports an accelerated read mode where steps 1–6 can be skipped.

SN75DP139 Read Phase

Step 1 0
I2C Start (Master) S
Step 2 7 6 5 4 3 2 1 0
I2C General Address Write (Master) 1 0 0 0 0 0 0 0
Step 3 9
I2C Acknowledge (Slave) A
Step 4 7 6 5 4 3 2 1 0
I2C Logic Address (Master) 0 0 0 0 0 0 0 0
Step 5 9
I2C Acknowledge (Slave) A
Step 6 0
I2C Stop (Master) P
Step 7 0
I2C Start (Master) S
Step 8 7 6 5 4 3 2 1 0
I2C General Address Read (Master) 1 0 0 0 0 0 0 1
Step 9 9
I2C Acknowledge (Slave) A
Step 10 7 6 5 4 3 2 1 0
I2C Read Data (Slave) Data Data Data Data Data Data Data Data

Where Data is determined by the Logic values Contained in the Sink Port Register

Step 11 9
I2C Not-Acknowledge (Master) X

Where X is an A (Acknowledge) or A (Not-Acknowledge)
An A causes the pointer to increment and step 10 is repeated.
An A causes the slave to stop transmitting and proceeds to step 12.

Step 12 0
I2C Stop (Master) P