ZHCSXU6 January   2025 SN74LV8T374-EP

PRODUCTION DATA  

  1.   1
  2. 特性
  3. 应用
  4. 说明
  5. 引脚配置和功能
  6. 规格
    1. 5.1 绝对最大额定值
    2. 5.2 ESD 等级
    3. 5.3 建议运行条件
    4. 5.4 热性能信息
    5. 5.5 电气特性
    6. 5.6 Switching Characteristics
    7. 5.7 计时特点
    8. 5.8 典型特性
  7. 参数测量信息
  8. 引脚配置和功能
  9. 详细说明
    1. 8.1 概述
    2. 8.2 功能方框图
    3. 8.3 特性说明
      1. 8.3.1 平衡 CMOS 三态输出
      2. 8.3.2 LVxT 增强输入电压
        1. 8.3.2.1 上行转换
        2. 8.3.2.2 下行转换
      3. 8.3.3 钳位二极管结构
    4. 8.4 器件功能模式
  10. 应用和实施
    1. 9.1 应用信息
    2. 9.2 典型应用
      1. 9.2.1 设计要求
        1. 9.2.1.1 电源注意事项
        2. 9.2.1.2 输入注意事项
        3. 9.2.1.3 输出注意事项
      2. 9.2.2 详细设计过程
      3. 9.2.3 应用曲线
    3. 9.3 电源相关建议
    4. 9.4 布局
      1. 9.4.1 布局指南
      2. 9.4.2 布局示例
  11. 10器件和文档支持
    1. 10.1 文档支持
      1. 10.1.1 相关文档
    2. 10.2 接收文档更新通知
    3. 10.3 支持资源
    4. 10.4 商标
    5. 10.5 静电放电警告
    6. 10.6 术语表
  12. 11修订历史记录
  13. 12机械、封装和可订购信息

封装选项

机械数据 (封装 | 引脚)
散热焊盘机械数据 (封装 | 引脚)
订购信息

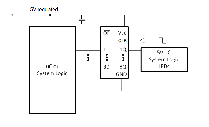
典型应用

SN74LV8T374-EP 典型应用原理图图 9-1 典型应用原理图