ZHCSXV3 January   2025 SN74LV8T151-EP

PRODUCTION DATA  

  1.   1
  2. 特性
  3. 应用
  4. 说明
  5. 引脚配置和功能
  6.   6
  7. 规格
    1. 5.1 绝对最大额定值
    2. 5.2 ESD 等级
    3. 5.3 建议运行条件
    4. 5.4 热性能信息
    5. 5.5 电气特性
    6. 5.6 开关特性
    7. 5.7 典型特性
  8. 参数测量信息
  9. 详细说明
    1. 7.1 概述
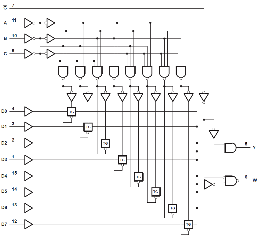
    2. 7.2 功能方框图
    3. 7.3 特性说明
      1. 7.3.1 平衡 CMOS 推挽式输出
      2. 7.3.2 LVxT 增强输入电压
        1. 7.3.2.1 上行转换
        2. 7.3.2.2 下行转换
      3. 7.3.3 钳位二极管结构
    4. 7.4 器件功能模式
  10. 应用和实施
    1. 8.1 应用信息
    2. 8.2 典型应用
      1. 8.2.1 设计要求
        1. 8.2.1.1 电源注意事项
        2. 8.2.1.2 输入注意事项
        3. 8.2.1.3 输出注意事项
      2. 8.2.2 详细设计过程
      3. 8.2.3 应用曲线
    3. 8.3 电源相关建议
    4. 8.4 布局
      1. 8.4.1 布局指南
      2. 8.4.2 布局示例
  11. 器件和文档支持
    1. 9.1 文档支持
      1. 9.1.1 相关文档
    2. 9.2 接收文档更新通知
    3. 9.3 支持资源
    4. 9.4 商标
    5. 9.5 静电放电警告
    6. 9.6 术语表
  12. 10修订历史记录
  13. 11机械、封装和可订购信息

封装选项

机械数据 (封装 | 引脚)
散热焊盘机械数据 (封装 | 引脚)
订购信息

说明

SN74LV8T151-EP 数据选择器/多路复用器支持完整二进制解码,可从八个数据源中选择其中一个。选通 (G) 输入必须设为逻辑低电平,才能启用输入。将选通端子设为高电平,会强制标准输出端 (Y) 输出低电平,反相输出端 (W) 输出高电平。

封装信息
器件型号 封装(1) 封装尺寸(2) 本体尺寸(3)
SN74LV8T151-EP PW(TSSOP,16) 5mm × 6.4mm 5mm × 4.4mm
有关更多信息,请参阅数据表末尾的附录。
封装尺寸(长 × 宽)为标称值,并包括引脚(如适用)
本体尺寸(长 × 宽)为标称值,不包括引脚。
SN74LV8T151-EP 逻辑图(正逻辑)逻辑图(正逻辑)