ZHCSWI4M May   1999  – September 2024 SN74LV4053A

PRODUCTION DATA  

  1.   1
  2. 特性
  3. 应用
  4. 说明
  5. Pin Configuration and Functions
  6. Specifications
    1. 5.1 Absolute Maximum Ratings
    2. 5.2 ESD Ratings
    3. 5.3 Thermal Information: SN74LV4053A
    4. 5.4 Recommended Operating Conditions
    5. 5.5 Electrical Characteristics
    6. 5.6 Timing Characteristics VCC = 2.5 V ± 0.2 V
    7. 5.7 Timing Characteristics VCC = 3.3 V ± 0.3 V
    8. 5.8 Timing Characteristics VCC = 5 V ± 0.5 V
    9. 5.9 AC Characteristics
  7. Parameter Measurement Information
  8. Detailed Description
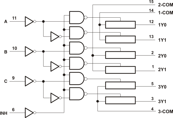
    1. 7.1 Functional Block Diagram
    2. 7.2 Device Functional Modes
  9. Application and Implementation
    1. 8.1 Application Information
    2. 8.2 Typical Application
      1. 8.2.1 Design Requirements
      2. 8.2.2 Detailed Design Procedure
    3. 8.3 Power Supply Recommendations
    4. 8.4 Layout
      1. 8.4.1 Layout Guidelines
      2. 8.4.2 Layout Example
  10. Device and Documentation Support
    1. 9.1 接收文档更新通知
    2. 9.2 支持资源
    3. 9.3 Trademarks
    4. 9.4 静电放电警告
    5. 9.5 术语表
  11. 10Revision History
  12. 11Mechanical, Packaging, and Orderable Information

封装选项

请参考 PDF 数据表获取器件具体的封装图。

机械数据 (封装 | 引脚)
  • PW|16
  • DB|16
  • DYY|16
  • NS|16
  • N|16
  • RGY|16
  • D|16
  • DGV|16
散热焊盘机械数据 (封装 | 引脚)
订购信息

Functional Block Diagram

SN54LV4053A SN74LV4053A