ZHCSWI5F August   2003  – October 2024 SN74LV4053A-Q1

PRODUCTION DATA  

  1.   1
  2. 特性
  3. 应用
  4. 说明
  5. Pin Configuration and Functions
  6. Specifications
    1. 5.1 Absolute Maximum Ratings
    2. 5.2 ESD Ratings
    3. 5.3 Thermal Information: SN74LV4053A-Q1
    4. 5.4 Recommended Operating Conditions
    5. 5.5 Electrical Characteristics
    6. 5.6 Timing Characteristics VCC = 2.5 V ± 0.2 V
    7. 5.7 Timing Characteristics VCC = 3.3 V ± 0.3 V
    8. 5.8 Timing Characteristics VCC = 5 V ± 0.5 V
    9. 5.9 AC Characteristics
  7. Parameter Measurement Information
  8. Detailed Description
    1. 7.1 Functional Block Diagram
    2. 7.2 Device Functional Modes
  9. Application and Implementation
    1. 8.1 Application Information
    2. 8.2 Typical Application
    3. 8.3 Design Requirements
    4. 8.4 Detailed Design Procedure
    5. 8.5 Power Supply Recommendations
    6. 8.6 Layout
      1. 8.6.1 Layout Guidelines
      2. 8.6.2 Layout Example
  10. Device and Documentation Support
    1. 9.1 接收文档更新通知
    2. 9.2 支持资源
    3. 9.3 Trademarks
    4. 9.4 静电放电警告
    5. 9.5 术语表
  11. 10Revision History
  12. 11Mechanical, Packaging, and Orderable Information

封装选项

请参考 PDF 数据表获取器件具体的封装图。

机械数据 (封装 | 引脚)
  • PW|16
  • DYY|16
  • D|16
散热焊盘机械数据 (封装 | 引脚)
订购信息

说明

这款三路 2 通道 CMOS 模拟多路复用器/多路解复用器可在 1.65V 至 5.5V VCC 电压下运行。

SN74LV4053A-Q1 能够处理模拟和数字信号。每个通道允许在任意方向传输振幅高达 5.5V(峰值)的信号。

应用包括用于模数和数模转换系统的信号选通、斩波、调制/解调(调制解调器)以及信号多路复用。

封装信息
器件型号 封装(1) 封装尺寸(2)
SN74LV4053A-Q1 PW(TSSOP,16) 5mm × 6.4mm
DYY(SOT-23-THIN,16) 4.2mm x 3.26mm
有关更多信息,请参阅节 11
封装尺寸(长 × 宽)为标称值,并包括引脚(如适用)。
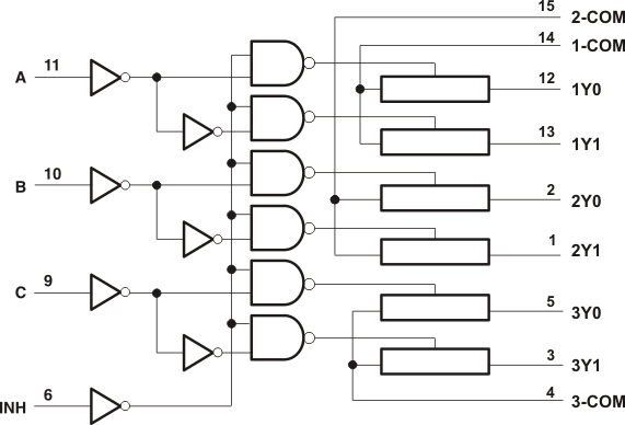
SN74LV4053A-Q1 逻辑图(正逻辑)逻辑图(正逻辑)