ZHCSWI5F August   2003  – October 2024 SN74LV4053A-Q1

PRODUCTION DATA  

  1.   1
  2. 特性
  3. 应用
  4. 说明
  5. Pin Configuration and Functions
  6. Specifications
    1. 5.1 Absolute Maximum Ratings
    2. 5.2 ESD Ratings
    3. 5.3 Thermal Information: SN74LV4053A-Q1
    4. 5.4 Recommended Operating Conditions
    5. 5.5 Electrical Characteristics
    6. 5.6 Timing Characteristics VCC = 2.5 V ± 0.2 V
    7. 5.7 Timing Characteristics VCC = 3.3 V ± 0.3 V
    8. 5.8 Timing Characteristics VCC = 5 V ± 0.5 V
    9. 5.9 AC Characteristics
  7. Parameter Measurement Information
  8. Detailed Description
    1. 7.1 Functional Block Diagram
    2. 7.2 Device Functional Modes
  9. Application and Implementation
    1. 8.1 Application Information
    2. 8.2 Typical Application
    3. 8.3 Design Requirements
    4. 8.4 Detailed Design Procedure
    5. 8.5 Power Supply Recommendations
    6. 8.6 Layout
      1. 8.6.1 Layout Guidelines
      2. 8.6.2 Layout Example
  10. Device and Documentation Support
    1. 9.1 接收文档更新通知
    2. 9.2 支持资源
    3. 9.3 Trademarks
    4. 9.4 静电放电警告
    5. 9.5 术语表
  11. 10Revision History
  12. 11Mechanical, Packaging, and Orderable Information

封装选项

请参考 PDF 数据表获取器件具体的封装图。

机械数据 (封装 | 引脚)
  • PW|16
  • DYY|16
  • D|16
散热焊盘机械数据 (封装 | 引脚)
订购信息

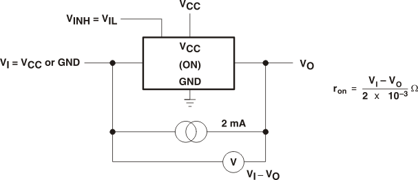
Parameter Measurement Information

SN74LV4053A-Q1 On-State Resistance Test Circuit Figure 6-1 On-State Resistance Test Circuit
SN74LV4053A-Q1 Off-State Switch Leakage-Current Test Circuit Figure 6-2 Off-State Switch Leakage-Current Test Circuit
SN74LV4053A-Q1 On-State Switch Leakage-Current Test Circuit Figure 6-3 On-State Switch Leakage-Current Test Circuit
SN74LV4053A-Q1 Propagation Delay Time, Signal Input to Signal Output Figure 6-4 Propagation Delay Time, Signal Input to Signal Output
SN74LV4053A-Q1 Switching Time (tPZL, tPLZ, tPZH,
                            tPHZ), Control to Signal Output Figure 6-5 Switching Time (tPZL, tPLZ, tPZH, tPHZ), Control to Signal Output
SN74LV4053A-Q1 Frequency Response (Switch On) Figure 6-6 Frequency Response (Switch On)
SN74LV4053A-Q1 Crosstalk Between Any Two Switches Figure 6-7 Crosstalk Between Any Two Switches
SN74LV4053A-Q1 Crosstalk Between Control Input and Switch Output Figure 6-8 Crosstalk Between Control Input and Switch Output
SN74LV4053A-Q1 Feedthrough Attenuation (Switch Off) Figure 6-9 Feedthrough Attenuation (Switch Off)
SN74LV4053A-Q1 Sine-Wave Distortion Figure 6-10 Sine-Wave Distortion