SCLS087F December   1982  – June 2021 SN54HC21 , SN74HC21

PRODUCTION DATA  

  1. Features
  2. Applications
  3. Description
  4. Revision History
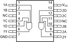
  5. Pin Configuration and Functions
    1.     Pin Functions
  6. Specifications
    1. 6.1 Absolute Maximum Ratings
    2. 6.2 Recommended Operating Conditions
    3. 6.3 Thermal Information
    4. 6.4 Electrical Characteristics - 74
    5. 6.5 Electrical Characteristics - 54
    6. 6.6 Switching Characteristics - 74
    7. 6.7 Switching Characteristics - 54
    8. 6.8 Operating Characteristics
    9. 6.9 Typical Characteristics
  7. Parameter Measurement Information
  8. Detailed Description
    1. 8.1 Overview
    2. 8.2 Functional Block Diagram
    3. 8.3 Feature Description
      1. 8.3.1 Balanced CMOS Push-Pull Outputs
      2. 8.3.2 Standard CMOS Inputs
      3. 8.3.3 Clamp Diode Structure
    4. 8.4 Device Functional Modes
  9. Application and Implementation
    1. 9.1 Application Information
    2. 9.2 Typical Application
      1. 9.2.1 Design Requirements
        1. 9.2.1.1 Power Considerations
        2. 9.2.1.2 Input Considerations
        3. 9.2.1.3 Output Considerations
      2. 9.2.2 Detailed Design Procedure
      3. 9.2.3 Application Curves
  10. 10Power Supply Recommendations
  11. 11Layout
    1. 11.1 Layout Guidelines
    2. 11.2 Layout Example
  12. 12Device and Documentation Support
    1. 12.1 Documentation Support
      1. 12.1.1 Related Documentation
    2. 12.2 Support Resources
    3. 12.3 Trademarks
    4. 12.4 Electrostatic Discharge Caution
    5. 12.5 Glossary
  13. 13Mechanical, Packaging, and Orderable Information

封装选项

请参考 PDF 数据表获取器件具体的封装图。

机械数据 (封装 | 引脚)
  • D|14
  • PW|14
  • N|14
  • NS|14
散热焊盘机械数据 (封装 | 引脚)
订购信息

Description

This device contains two independent 4-input AND gates. Each gate performs the Boolean function Y = A ● B ● C ● D in positive logic.

Device Information(1)
PART NUMBER PACKAGE BODY SIZE (NOM)
SN74HC21D SOIC (14) 8.70 mm × 3.90 mm
SN74HC21N PDIP (14) 19.30 mm × 6.40 mm
SN74HC21NS SO (14) 10.20 mm × 5.30 mm
SN74HC21PW TSSOP (14) 5.00 mm × 4.40 mm
SN54HC21J CDIP (14) 21.30 mm × 7.60 mm
SN54HC21FK LCCC (20) 8.90 mm × 8.90 mm
For all available packages, see the orderable addendum at the end of the data sheet.
GUID-C1F99D6E-14AF-4B32-9157-ABE4C0AEE099-low.gifFunctional pinout