SCDS119C january   2003  – December 2015 SN74CB3T3306

PRODUCTION DATA.  

  1. Features
  2. Applications
  3. Description
  4. Revision History
  5. Pin Configuration and Functions
  6. Specifications
    1. 6.1 Absolute Maximum Ratings
    2. 6.2 ESD Ratings
    3. 6.3 Recommended Operating Conditions
    4. 6.4 Thermal Information
    5. 6.5 Electrical Characteristics
    6. 6.6 Switching Characteristics
    7. 6.7 Typical Characteristics
  7. Parameter Measurement Information
  8. Detailed Description
    1. 8.1 Overview
    2. 8.2 Functional Block Diagrams
    3. 8.3 Feature Description
    4. 8.4 Device Functional Modes
  9. Application and Implementation
    1. 9.1 Application Information
    2. 9.2 Typical Application
      1. 9.2.1 Design Requirements
      2. 9.2.2 Detailed Design Procedure
      3. 9.2.3 Application Curves
  10. 10Power Supply Recommendations
  11. 11Layout
    1. 11.1 Layout Guidelines
    2. 11.2 Layout Example
  12. 12Device and Documentation Support
    1. 12.1 Documentation Support
      1. 12.1.1 Related Documentation
    2. 12.2 Community Resources
    3. 12.3 Trademarks
    4. 12.4 Electrostatic Discharge Caution
    5. 12.5 Glossary
  13. 13Mechanical, Packaging, and Orderable Information

封装选项

机械数据 (封装 | 引脚)
散热焊盘机械数据 (封装 | 引脚)
订购信息

9 Application and Implementation

NOTE

Information in the following applications sections is not part of the TI component specification, and TI does not warrant its accuracy or completeness. TI’s customers are responsible for determining suitability of components for their purposes. Customers should validate and test their design implementation to confirm system functionality.

9.1 Application Information

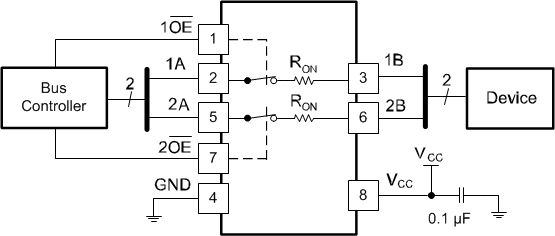
This application is specifically to connect a 5-V bus to a 3.3 V device. Ideally, set VCC to 3.3 V. It is assumed that communication in this particular application is one-directional, going from the bus controller to the device.

9.2 Typical Application

SN74CB3T3306 scds119_schematic1.gif Figure 8. Typical Application Diagram

9.2.1 Design Requirements

This device uses CMOS technology and has balanced output drive. Take care to avoid bus contention because it can drive currents that would exceed maximum limits.

Because this design is for down-translating voltage, no pull-up resistors are required.

9.2.2 Detailed Design Procedure

  1. Recommended Input conditions
    • Specified high and low levels. See (VIH and VIL) in Recommended Operating Conditions
    • Inputs are overvoltage tolerant allowing them to go as high as 7 V at any valid VCC
  2. Recommend output conditions
    • Load currents should not exceed 128 mA on each channel

9.2.3 Application Curves

SN74CB3T3306 out_vs_input_curve_SCDS119.gif Figure 9. Data Output Voltage vs Data Input Voltage
SN74CB3T3306 out_vs_input_curve1_SCDS119.gif Figure 10. Data Output Voltage vs Data Input Voltage