ZHCSJI7 March   2019 SN74AXCH4T245

PRODUCTION DATA.  

  1. 特性
  2. 应用
  3. 说明
    1.     功能方框图
  4. 修订历史记录
  5. Pin Configuration and Functions
    1.     Pin Functions
  6. Specifications
    1. 6.1  Absolute Maximum Ratings
    2. 6.2  ESD Ratings
    3. 6.3  Recommended Operating Conditions
    4. 6.4  Thermal Information
    5. 6.5  Electrical Characteristics
    6. 6.6  Switching Characteristics, VCCA = 0.7 ± 0.05 V
    7. 6.7  Switching Characteristics, VCCA = 0.8 ± 0.04 V
    8. 6.8  Switching Characteristics, VCCA = 0.9 ± 0.045 V
    9. 6.9  Switching Characteristics, VCCA = 1.2 ± 0.1 V
    10. 6.10 Switching Characteristics, VCCA = 1.5 ± 0.1 V
    11. 6.11 Switching Characteristics, VCCA = 1.8 ± 0.15 V
    12. 6.12 Switching Characteristics, VCCA = 2.5 ± 0.2 V
    13. 6.13 Switching Characteristics, VCCA = 3.3 ± 0.3 V
    14. 6.14 Operating Characteristics: TA = 25°C
    15. 6.15 Typical Characteristics
  7. Parameter Measurement Information
    1. 7.1 Load Circuit and Voltage Waveforms
  8. Detailed Description
    1. 8.1 Overview
    2. 8.2 Functional Block Diagram
    3. 8.3 Feature Description
      1. 8.3.1  Standard CMOS Inputs
      2. 8.3.2  Balanced High-Drive CMOS Push-Pull Outputs
      3. 8.3.3  Partial Power Down (Ioff)
      4. 8.3.4  VCC Isolation
      5. 8.3.5  Over-voltage Tolerant Inputs
      6. 8.3.6  Glitch-free Power Supply Sequencing
      7. 8.3.7  Negative Clamping Diodes
      8. 8.3.8  Fully Configurable Dual-Rail Design
      9. 8.3.9  Supports High-Speed Translation
      10. 8.3.10 Bus-Hold Data Inputs
    4. 8.4 Device Functional Modes
  9. Application and Implementation
    1. 9.1 Application Information
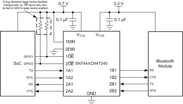
    2. 9.2 Typical Application
      1. 9.2.1 Design Requirements
      2. 9.2.2 Detailed Design Procedure
      3. 9.2.3 Application Curve
  10. 10Power Supply Recommendations
  11. 11Layout
    1. 11.1 Layout Guidelines
    2. 11.2 Layout Example
  12. 12器件和文档支持
    1. 12.1 相关文档 
    2. 12.2 接收文档更新通知
    3. 12.3 社区资源
    4. 12.4 商标
    5. 12.5 静电放电警告
    6. 12.6 术语表
  13. 13机械、封装和可订购信息

封装选项

机械数据 (封装 | 引脚)
散热焊盘机械数据 (封装 | 引脚)
订购信息

Typical Application

SN74AXCH4T245 TypApp_UART.gifFigure 11. UART Interface Application