SCES908A February   2020  – April 2020 SN74AXC2T245-Q1

PRODUCTION DATA.  

  1. Features
  2. Applications
  3. Description
    1.     Functional Block Diagram
  4. Revision History
  5. Pin Configuration and Functions
    1.     Pin Functions
  6. Specifications
    1. 6.1  Absolute Maximum Ratings
    2. 6.2  ESD Ratings
    3. 6.3  Recommended Operating Conditions
    4. 6.4  Thermal Information
    5. 6.5  Electrical Characteristics
    6. 6.6  Switching Characteristics, VCCA = 0.7 ± 0.05 V
    7. 6.7  Switching Characteristics, VCCA = 0.8 ± 0.04 V
    8. 6.8  Switching Characteristics, VCCA = 0.9 ± 0.045 V
    9. 6.9  Switching Characteristics, VCCA = 1.2 ± 0.1 V
    10. 6.10 Switching Characteristics, VCCA = 1.5 ± 0.1 V
    11. 6.11 Switching Characteristics, VCCA = 1.8 ± 0.15 V
    12. 6.12 Switching Characteristics, VCCA = 2.5 ± 0.2 V
    13. 6.13 Switching Characteristics, VCCA = 3.3 ± 0.3 V
    14. 6.14 Operating Characteristics: TA = 25°C
  7. Parameter Measurement Information
    1. 7.1 Load Circuit and Voltage Waveforms
  8. Detailed Description
    1. 8.1 Overview
    2. 8.2 Functional Block Diagram
    3. 8.3 Feature Description
      1. 8.3.1 Standard CMOS Inputs
      2. 8.3.2 Balanced High-Drive CMOS Push-Pull Outputs
      3. 8.3.3 Partial Power Down (Ioff)
      4. 8.3.4 VCC Isolation
      5. 8.3.5 Over-voltage Tolerant Inputs
      6. 8.3.6 Glitch-free Power Supply Sequencing
      7. 8.3.7 Negative Clamping Diodes
      8. 8.3.8 Fully Configurable Dual-Rail Design
      9. 8.3.9 Supports High-Speed Translation
    4. 8.4 Device Functional Modes
  9. Application and Implementation
    1. 9.1 Application Information
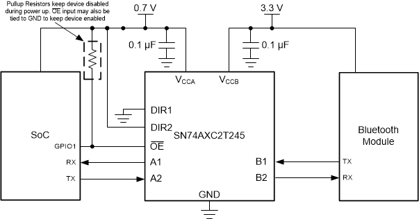
    2. 9.2 Typical Application
      1. 9.2.1 Design Requirements
      2. 9.2.2 Detailed Design Procedure
      3. 9.2.3 Application Curve
  10. 10Power Supply Recommendations
  11. 11Layout
    1. 11.1 Layout Guidelines
    2. 11.2 Layout Example
  12. 12Device and Documentation Support
    1. 12.1 Related Documentation
    2. 12.2 Receiving Notification of Documentation Updates
    3. 12.3 Support Resources
    4. 12.4 Trademarks
    5. 12.5 Electrostatic Discharge Caution
    6. 12.6 Glossary
  13. 13Mechanical, Packaging, and Orderable Information

封装选项

机械数据 (封装 | 引脚)
散热焊盘机械数据 (封装 | 引脚)
订购信息

Typical Application

SN74AXC2T245-Q1 TypApp_2pin_UART.gifFigure 6. 2-Pin UART Application