SCES603K August 2004 – October 2014 SN74AUP1G34
PRODUCTION DATA.
The AUP family is TI's premier solution to the industry’s low-power needs in battery-powered portable applications. This family ensures a very low static and dynamic power consumption across the entire VCC range of 0.8 V to 3.6 V, resulting in an increased battery life. This product also maintains excellent signal integrity. It has a small amount of hysteresis built in allowing for slower or noisy input signals. The lowered drive produces slower edges and prevents overshoot and undershoot on the outputs.
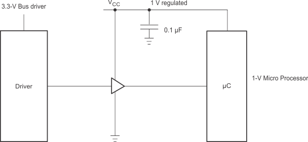
The AUP family of single gate logic makes excellent translators for the new lower voltage Micro- processors that typically are powered from 0.8 V to 1.2 V. They can drop the voltage of peripheral drivers and accessories that are still powered by 3.3 V to the new uC power levels.
Figure 5. Typical Application
This device uses CMOS technology and has balanced output drive. Care should be taken to avoid bus contention because it can drive currents that would exceed maximum limits.

