ZHCSWS7N October 1995 – June 2025 SN54AHC244 , SN74AHC244
PRODUCTION DATA
请参考 PDF 数据表获取器件具体的封装图。
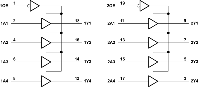
这些八通道缓冲器和驱动器专门设计用于提高三态存储器地址驱动器、时钟驱动器以及总线导向接收器和发送器的性能和密度。
| 器件型号 | 封装(1) | 封装尺寸(2) | 本体尺寸(3) |
|---|---|---|---|
| SN54AHC244 | J(CDIP,20) | 24.2mm x 7.62mm | 24.2mm x 6.92mm |
| W(CFP,20) | 13.09mm x 8.13mm | 13.09mm x 6.92mm | |
| FK(LCCC,20) | 8.89mm x 8.89mm | 8.89mm x 8.89mm | |
| SN74AHC244 | DB(SSOP,20) | 7.2mm × 7.8mm | 7.50mm x 5.30mm |
| DW(SOIC,20) | 12.80mm × 10.3mm | 12.8mm x 7.5mm | |
| N(PDIP,20) | 24.33mm x 9.4mm | 25.40mm x 6.35mm | |
| NS(SOP,20) | 12.60mm x 7.8mm | 12.6mm x 5.30mm | |
| DGV(TVSOP,20) | 5.00mm x 6.4mm | 5.00mm x 4.40mm | |
| PW(TSSOP,20) | 6.50mm × 6.4mm | 6.50mm x 4.40mm | |
| DGS(VSSOP,20) | 5.10mm × 4.90mm | 5.10mm × 3.00mm | |
| RKS(VQFN,20) | 4.50mm × 2.50mm | 4.50mm × 2.50mm |
