ZHCS369A July   2011  – November 2015 SN65LVDS4

PRODUCTION DATA.  

  1. 特性
  2. 应用
  3. 说明
  4. 修订历史记录
  5. Pin Configuration and Functions
  6. Specifications
    1. 6.1 Absolute Maximum Ratings
    2. 6.2 ESD Ratings
    3. 6.3 Recommended Operating Conditions
    4. 6.4 Thermal Information
    5. 6.5 Receiver Electrical Characteristics: VCC = 2.5 V
    6. 6.6 Receiver Electrical Characteristics: VCC = 1.8 V
    7. 6.7 Receiver Switching Characteristics: VCC = 2.5 V
    8. 6.8 Receiver Switching Characteristics: VCC = 1.8 V
    9. 6.9 Typical Characteristics
  7. Parameter Measurement Information
  8. Detailed Description
    1. 8.1 Overview
    2. 8.2 Functional Block Diagram
    3. 8.3 Feature Description
      1. 8.3.1 Failsafe
        1. 8.3.1.1 R1 and R3 Calculation With VCC = 1.8 V
        2. 8.3.1.2 R1 and R3 Calculation With VCC = 2.5 V
    4. 8.4 Device Functional Modes
      1. 8.4.1 Maximum Input Voltage, VIN(max)
  9. Application and Implementation
    1. 9.1 Application Information
    2. 9.2 Typical Application
      1. 9.2.1 Design Requirements
      2. 9.2.2 Detailed Design Procedure
        1. 9.2.2.1 Receiver Bypass Capacitance
        2. 9.2.2.2 Receiver Input Voltage
        3. 9.2.2.3 Interconnecting Media
        4. 9.2.2.4 PCB Transmission Lines
        5. 9.2.2.5 Termination Resistor
      3. 9.2.3 Application Curves
  10. 10Power Supply Recommendations
  11. 11Layout
    1. 11.1 Layout Guidelines
      1. 11.1.1 Microstrip vs. Stripline Topologies
      2. 11.1.2 Dielectric Type and Board Construction
      3. 11.1.3 Recommended Stack Layout
      4. 11.1.4 Separation Between Traces
      5. 11.1.5 Crosstalk and Ground Bounce Minimization
      6. 11.1.6 Decoupling
    2. 11.2 Layout Example
  12. 12器件和文档支持
    1. 12.1 社区资源
    2. 12.2 商标
    3. 12.3 静电放电警告
    4. 12.4 Glossary
  13. 13机械、封装和可订购信息

封装选项

机械数据 (封装 | 引脚)
散热焊盘机械数据 (封装 | 引脚)
订购信息

特性

  • 旨在实现高信号传输速率:
    • 500Mbps 接收器
    (1)
  • 由 1.8V 或 2.5V 内核电源供电
  • 采用 1.5mm × 2mm UQFN 封装
  • 总线引脚静电放电 (ESD) 保护等级超过 2kV (HBM)
  • 低电压差分信令,可向一个 100Ω 负载提供 350V 的典型输出电压
  • 传播延迟时间
    • 典型值为 2.1ns(接收器)
  • 250MHz 频率下的功耗
    • 典型值为 40mW
  • 需要从外部提供故障安全保护
  • 差分输入电压阈值 < 50mV
  • 可基于外部 VDD 引脚提供输出电压逻辑电平(3.3V LVTTL、2.5V LVCMOS 和 1.8V LVCMOS),无需外部电平转换
线路的信号传输速率是指每秒钟的电压转换次数,单位为 bps(每秒比特数)
线路的信号传输速率是指每秒钟的电压转换次数,单位为 bps(每秒比特数)

应用

  • 时钟分配
  • 无线基站
  • 网络路由器

说明

SN65LVDS4 是一款单通道、低电压差分线路接收器,采用小型 UQFN 封装。

器件信息(1)

器件型号 封装 封装尺寸(标称值)
SN65LVDS4 UQFN (10) 1.50mm x 2.00mm
  1. 如需了解所有可用封装,请见数据表末尾的可订购产品附录。

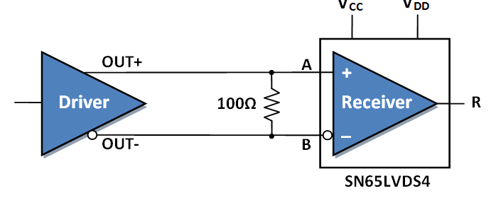
典型应用电路

SN65LVDS4 typapp.png