ZHCS823H March   2012  – March 2019 SN65HVD72 , SN65HVD75 , SN65HVD78

UNLESS OTHERWISE NOTED, this document contains PRODUCTION DATA.  

  1. 特性
  2. 应用
  3. 说明
    1.     Device Images
      1.      典型应用图
  4. 修订历史记录
  5. Device Comparison Table
  6. Pin Configuration and Functions
    1.     Pin Functions
  7. Specifications
    1. 7.1  Absolute Maximum Ratings
    2. 7.2  ESD Ratings
    3. 7.3  Recommended Operating Conditions
    4. 7.4  Thermal Information
    5. 7.5  Electrical Characteristics
    6. 7.6  Power Dissipation
    7. 7.7  Switching Characteristics: 250 kbps Device (SN65HVD72) Bit Time ≥ 4 µs
    8. 7.8  Switching Characteristics: 20 Mbps Device (SN65HVD75) Bit Time ≥50 ns
    9. 7.9  Switching Characteristics: 50 Mbps Device (SN65HVD78) Bit Time ≥20 ns
    10. 7.10 Typical Characteristics
  8. Parameter Measurement Information
  9. Detailed Description
    1. 9.1 Overview
    2. 9.2 Functional Block Diagram
    3. 9.3 Feature Description
    4. 9.4 Device Functional Modes
  10. 10Application and Implementation
    1. 10.1 Application Information
    2. 10.2 Typical Application
      1. 10.2.1 Design Requirements
        1. 10.2.1.1 Data Rate and Bus Length
        2. 10.2.1.2 Stub Length
        3. 10.2.1.3 Bus Loading
        4. 10.2.1.4 Receiver Failsafe
        5. 10.2.1.5 Transient Protection
      2. 10.2.2 Detailed Design Procedure
        1. 10.2.2.1 External Transient Protection
        2. 10.2.2.2 Isolated Bus Node Design
      3. 10.2.3 Application Curves
  11. 11Power Supply Recommendations
  12. 12Layout
    1. 12.1 Layout Guidelines
    2. 12.2 Layout Example
  13. 13器件和文档支持
    1. 13.1 器件支持
      1. 13.1.1 第三方产品免责声明
    2. 13.2 文档支持
      1. 13.2.1 相关文档
    3. 13.3 相关链接
    4. 13.4 社区资源
    5. 13.5 商标
    6. 13.6 静电放电警告
    7. 13.7 术语表
  14. 14机械、封装和可订购信息

封装选项

机械数据 (封装 | 引脚)
散热焊盘机械数据 (封装 | 引脚)
订购信息

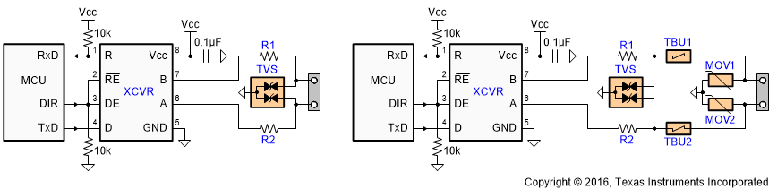
External Transient Protection

To protect bus nodes against high-energy transients, the implementation of external transient protection devices is necessary. Figure 26 suggests two circuits that provide protection against light and heavy surge transients, in addition to ESD and EFT transients. Table 4 presents the associated bill of materials.

Table 4. Bill of Materials

DEVICE FUNCTION ORDER NUMBER MANUFACTURER
XCVR 3.3-V, 250-kbps RS-485 Transceiver SN65HVD72D TI
R1, R2 10-Ω, Pulse-Proof Thick-Film Resistor CRCW060310RJNEAHP Vishay
TVS Bidirectional 400-W Transient Suppressor CDSOT23-SM712 Bourns
TBU1, TBU2 Bidirectional Surge Suppressor TBU-CA-065-200-WH Bourns
MOV1, MOV2 200-mA Transient Blocking Unit, 200-V, Metal-Oxide Varistor MOV-10D201K Bourns
SN65HVD72 SN65HVD75 SN65HVD78 prot_app_llse11.gifFigure 26. Transient Protections Against ESD, EFT, and Surge Transients

The left-hand circuit provides surge protection of ≥500-V surge transients, while the right-hand circuit can withstand surge transients of up to 5 kV.