ZHCSRU3J January   2008  – March 2023 SN65HVD1785 , SN65HVD1786 , SN65HVD1787 , SN65HVD1791 , SN65HVD1792 , SN65HVD1793

PRODUCTION DATA  

  1. 特性
  2. 应用
  3. 说明
  4. Revision History
  5. Product Selection Guide
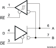
  6. Pin Configuration and Functions
  7. Specifications
    1. 7.1 Absolute Maximum Ratings #GUID-EF6E23B6-467E-4F27-83DC-9566F6730B27/SLLS8725683
    2. 7.2 ESD Ratings
    3. 7.3 Recommended Operating Conditions
    4. 7.4 Thermal Information
    5. 7.5 Electrical Characteristics
    6. 7.6 Thermal Considerations
    7. 7.7 Switching Characteristics
    8. 7.8 Typical Characteristics
  8. Parameter Measurement Information
  9. Detailed Description
    1. 9.1 Overview
    2. 9.2 Functional Block Diagram
    3. 9.3 Feature Description
      1. 9.3.1 Hot-Plugging
      2. 9.3.2 Receiver Failsafe
      3. 9.3.3 70-V Fault-Protection
      4. 9.3.4 Additional Options
    4. 9.4 Device Functional Modes
  10. 10Application and Implementation
    1. 10.1 Application Information
    2. 10.2 Typical Application
      1. 10.2.1 Design Requirements
        1. 10.2.1.1 Data Rate and Bus Length
        2. 10.2.1.2 Stub Length
        3. 10.2.1.3 Receiver Failsafe
      2. 10.2.2 Detailed Design Procedure
      3. 10.2.3 Application Curve
  11. 11Power Supply Recommendations
  12. 12Layout
    1. 12.1 Layout Guidelines
    2. 12.2 Layout Example
  13. 13Device and Documentation Support
    1. 13.1 Documentation Support
    2. 13.2 接收文档更新通知
    3. 13.3 支持资源
    4. 13.4 Trademarks
    5. 13.5 静电放电警告
    6. 13.6 术语表
  14. 14Mechanical, Packaging, and Orderable Information

封装选项

机械数据 (封装 | 引脚)
散热焊盘机械数据 (封装 | 引脚)
订购信息

Additional Options

The SN65HVD17xx family also has options for J1708 applications, for always-enabled full-duplex versions (industry-standard SN65LBC179 footprint) and for inverting-polarity versions, which allow users to correct a reversal of the bus wires without re-wiring. Contact your local Texas Instruments representative for information on these options.

Table 9-2 SN65HVD17xx Options for J1708 Applications
PART NUMBERSN65HVD17xx
FOOTPRINT/FUNCTIONSLOWMEDIUMFAST
Half-duplex (176 pinout)858687
Full-duplex no enables (179 pinout)888990
Full-duplex with enables (180 pinout)919293
Half-duplex with cable invert949596
Full-duplex with cable invert and enables979899
J1708080910
GUID-6EE68024-F337-4B8E-A89B-09BBC39C6BA1-low.gifFigure 9-3 SN65HVD1708E Transceiver for J1708 Applications
GUID-67BF48A2-40CA-4B9F-AEB0-12FBAF37F01E-low.gifFigure 9-4 SN65HVD17xx Always-Enabled Driver Receiver
GUID-AFC25529-21D2-48EC-8E48-737311345E0A-low.gifFigure 9-5 SN65HVD17xx Options With Inverting Feature to Correct for Miswired Cables