ZHCSPC1P February   2002  – February 2022 SN65HVD10 , SN65HVD11 , SN65HVD12 , SN75HVD10 , SN75HVD11 , SN75HVD12

PRODUCTION DATA  

  1. 特性
  2. 应用
  3. 说明
  4. Revision History
  5. Device Comparison Table
  6. Pin Configuration and Functions
  7. Specifications
    1. 7.1  Absolute Maximum Ratings
    2. 7.2  ESD Ratings
    3. 7.3  Recommended Operating Conditions
    4. 7.4  Thermal Information
    5. 7.5  Driver Electrical Characteristics
    6. 7.6  Receiver Electrical Characteristics
    7. 7.7  Power Dissipation Characteristics
    8. 7.8  Driver Switching Characteristics
    9. 7.9  Receiver Switching Characteristics
    10. 7.10 Dissipation Ratings
    11. 7.11 Typical Characteristics
  8. Parameter Measurement Information
  9. Detailed Description
    1. 9.1 Overview
    2. 9.2 Functional Block Diagram
    3. 9.3 Feature Description
    4. 9.4 Device Functional Modes
      1. 9.4.1 Low-Power Standby Mode
  10. 10Application and Implementation
    1. 10.1 Application Information
    2. 10.2 Typical Application
      1. 10.2.1 Design Requirements
        1. 10.2.1.1 Data Rate and Bus Length
        2. 10.2.1.2 Stub Length
        3. 10.2.1.3 Bus Loading
        4. 10.2.1.4 Receiver Fail-safe
      2. 10.2.2 Detailed Design Procedure
      3. 10.2.3 Application Curve
  11. 11Power Supply Recommendations
  12. 12Layout
    1. 12.1 Layout Guidelines
    2. 12.2 Layout Example
    3. 12.3 Thermal Considerations
      1. 12.3.1 Thermal Characteristics of IC Packages
  13. 13Device and Documentation Support
    1. 13.1 Device Support
    2. 13.2 Related Links
    3. 13.3 接收文档更新通知
    4. 13.4 支持资源
    5. 13.5 Trademarks
    6. 13.6 Electrostatic Discharge Caution
    7. 13.7 术语表
  14. 14Mechanical, Packaging, and Orderable Information

封装选项

机械数据 (封装 | 引脚)
散热焊盘机械数据 (封装 | 引脚)
订购信息

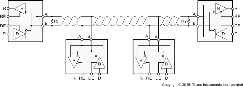
Typical Application

An RS-485 bus consists of multiple transceivers connected in parallel to a bus cable. To eliminate line reflections, each cable end is terminated with a termination resistor, RT, whose value matches the characteristic impedance, Z0, of the cable. This method, known as parallel termination, allows higher data rates over a longer cable length.

GUID-F5604E8B-4036-4B98-9093-ED1DCDA5FF68-low.gifFigure 10-2 Typical RS-485 Network With Half-Duplex Transceivers