ZHCSOE2C November   2005  – July 2021 SN65C3221E , SN75C3221E

PRODUCTION DATA  

  1. 特性
  2. 应用
  3. 说明
  4. Revision History
  5. Device Comparison Table
  6. Pin Configuration and Functions
  7. Specifications
    1. 7.1  Absolute Maximum Ratings
    2. 7.2  ESD Ratings
    3. 7.3  ESD Ratings - IEC Specifications
    4. 7.4  Recommended Operating Conditions
    5. 7.5  Thermal Information
    6. 7.6  Electrical Characteristics
    7. 7.7  Driver Section: Electrical Characteristics
    8. 7.8  Switching Characteristics: Driver
    9. 7.9  Receiver Section: Electrical Characteristics
    10. 7.10 Switching Characteristics: Receiver
    11. 7.11 Auto-powerdown Section: Electrical Characteristics
    12. 7.12 Switching Characteristics: Auto-powerdown
  8. Parameter Measurement Information
  9. Detailed Description
    1. 9.1 Device Functional Modes
  10. 10Application and Implementation
    1. 10.1 Application Information
  11. 11Device and Documentation Support
    1. 11.1 接收文档更新通知
    2. 11.2 支持资源
    3. 11.3 Trademarks
    4. 11.4 Electrostatic Discharge Caution
    5. 11.5 术语表
  12. 12Mechanical, Packaging, and Orderable Information

封装选项

机械数据 (封装 | 引脚)
散热焊盘机械数据 (封装 | 引脚)
订购信息

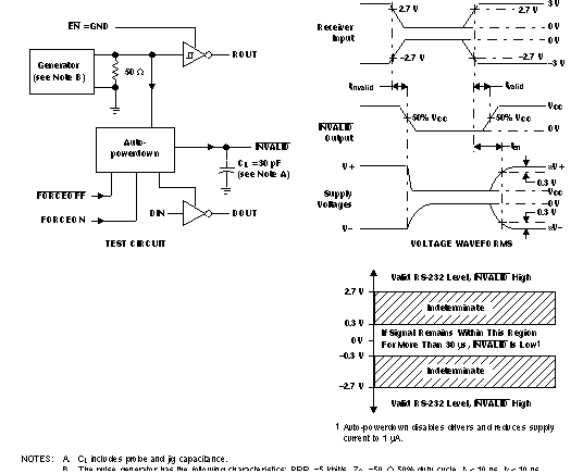
Parameter Measurement Information

GUID-163911E6-C859-42B8-BADE-3D9E4EDF5B5D-low.gif Figure 8-1 Driver Slew Rate
GUID-5B2E7CEF-713A-424B-94B7-40D031B47C50-low.gif Figure 8-2 Driver Pulse Skew
GUID-D1E8D91E-E9A1-4C3E-A9AE-4B247AD2A39A-low.gif Figure 8-3 Receiver Propagation Delay Times
GUID-E7DFC652-8A5B-4CC6-B486-358D548344B5-low.gif Figure 8-4 Receiver Enable and Disable Times
GUID-0B70A29D-270C-4A6F-82D8-7411AFB67F0B-low.gif Figure 8-5 INVALID Propagation Delay Times and Driver Enabling Time