ZHCSNJ1H August   2005  – March 2021 PCA9539

PRODUCTION DATA  

  1. 特性
  2. 说明
  3. Revision History
  4. Description (Continued)
  5. Pin Configuration and Functions
  6. Specifications
    1. 6.1 Absolute Maximum Ratings
    2. 6.2 ESD Ratings
    3. 6.3 Recommended Operating Conditions
    4. 6.4 Thermal Resistance Characteristics
    5. 6.5 Electrical Characteristics
    6. 6.6 I2C Interface Timing Requirements
    7. 6.7 RESET Timing Requirements
    8. 6.8 Switching Characteristics
    9. 6.9 Typical Characteristics
  7. Parameter Measurement Information
  8. Detailed Description
    1. 8.1 Functional Block Diagram
    2. 8.2 Device Functional Modes
      1. 8.2.1 RESET Input
        1. 8.2.1.1 RESET Errata
          1. 8.2.1.1.1 System Impact
          2. 8.2.1.1.2 System Workaround
      2. 8.2.2 Power-On Reset
      3. 8.2.3 I/O Port
      4. 8.2.4 Interrupt ( INT) Output
        1. 8.2.4.1 Interrupt Errata
          1. 8.2.4.1.1 System Impact
          2. 8.2.4.1.2 System Workaround
    3. 8.3 Programming
      1. 8.3.1 I2C Interface
      2. 8.3.2 Register Map
        1. 8.3.2.1 Device Address
        2. 8.3.2.2 Control Register And Command Byte
        3. 8.3.2.3 Register Descriptions
        4. 8.3.2.4 Bus Transactions
          1. 8.3.2.4.1 Writes
          2. 8.3.2.4.2 Reads
  9. Application Information Disclaimer
    1. 9.1 Application Information
    2. 9.2 Typical Application
      1. 9.2.1 Detailed Design Procedure
        1. 9.2.1.1 Minimizing ICC When I/O Is Used To Control Led
  10. 10Power Supply Recommendations
    1. 10.1 Power-On Reset Requirements
  11. 11Device and Documentation Support
    1. 11.1 Trademarks
    2. 11.2 Electrostatic Discharge Caution
    3. 11.3 Glossary
  12. 12Mechanical, Packaging, and Orderable Information

封装选项

机械数据 (封装 | 引脚)
散热焊盘机械数据 (封装 | 引脚)
订购信息

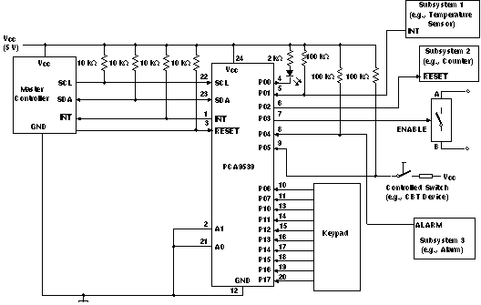
Typical Application

GUID-D1F5F26E-F9E5-45BD-B5A5-A84035730F5A-low.gif
Device address is configured as 1110100 for this example.
P00, P02, and P03 are configured as outputs.
P01 and P04 to P17 are configured as inputs.
Pin numbers shown are for DB, DBQ, DGV, DW, and PW packages.
Figure 9-1 Typical Application