ZHCSJK2O October   2004  – September 2023 PCA9306

PRODUCTION DATA  

  1.   1
  2. 特性
  3. 应用
  4. 说明
  5. Revision History
  6. Pin Configuration and Functions
  7. Specifications
    1. 6.1  Absolute Maximum Ratings
    2. 6.2  ESD Ratings
    3. 6.3  Recommended Operating Conditions
    4. 6.4  Thermal Information
    5. 6.5  Electrical Characteristics
    6. 6.6  Switching Characteristics AC Performance (Translating Down) (EN = 3.3 V)
    7. 6.7  Switching Characteristics AC Performance (Translating Down) (EN = 2.5 V)
    8. 6.8  Switching Characteristics AC Performance (Translating Up) (EN = 3.3 V)
    9. 6.9  Switching Characteristics AC Performance (Translating Up) (EN = 2.5 V)
    10. 6.10 Typical Characteristics
  8. Parameter Measurement Information
  9. Detailed Description
    1. 8.1 Overview
      1. 8.1.1 Definition of threshold voltage
      2. 8.1.2 Correct Device Set Up
      3. 8.1.3 Disconnecting an I2C target from the Main I2C Bus Using the EN Pin
      4. 8.1.4 Supporting Remote Board Insertion to Backplane with PCA9306
      5. 8.1.5 Switch Configuration
      6. 8.1.6 Controller on Side 1 or Side 2 of Device
      7. 8.1.7 LDO and PCA9306 Concerns
      8. 8.1.8 Current Limiting Resistance on VREF2
    2. 8.2 Functional Block Diagram
    3. 8.3 Feature Description
      1. 8.3.1 Enable (EN) Pin
      2. 8.3.2 Voltage Translation
    4. 8.4 Device Functional Modes
  10. Application and Implementation
    1. 9.1 Application Information
      1. 9.1.1 General Applications of I2C
    2. 9.2 Typical Application
      1. 9.2.1 Design Requirements
      2. 9.2.2 Detailed Design Procedure
        1. 9.2.2.1 Bidirectional Voltage Translation
        2. 9.2.2.2 Sizing Pullup Resistors
        3. 9.2.2.3 PCA9306 Bandwidth
      3. 9.2.3 Application Curve
  11. 10Power Supply Recommendations
  12. 11Layout
    1. 11.1 Layout Guidelines
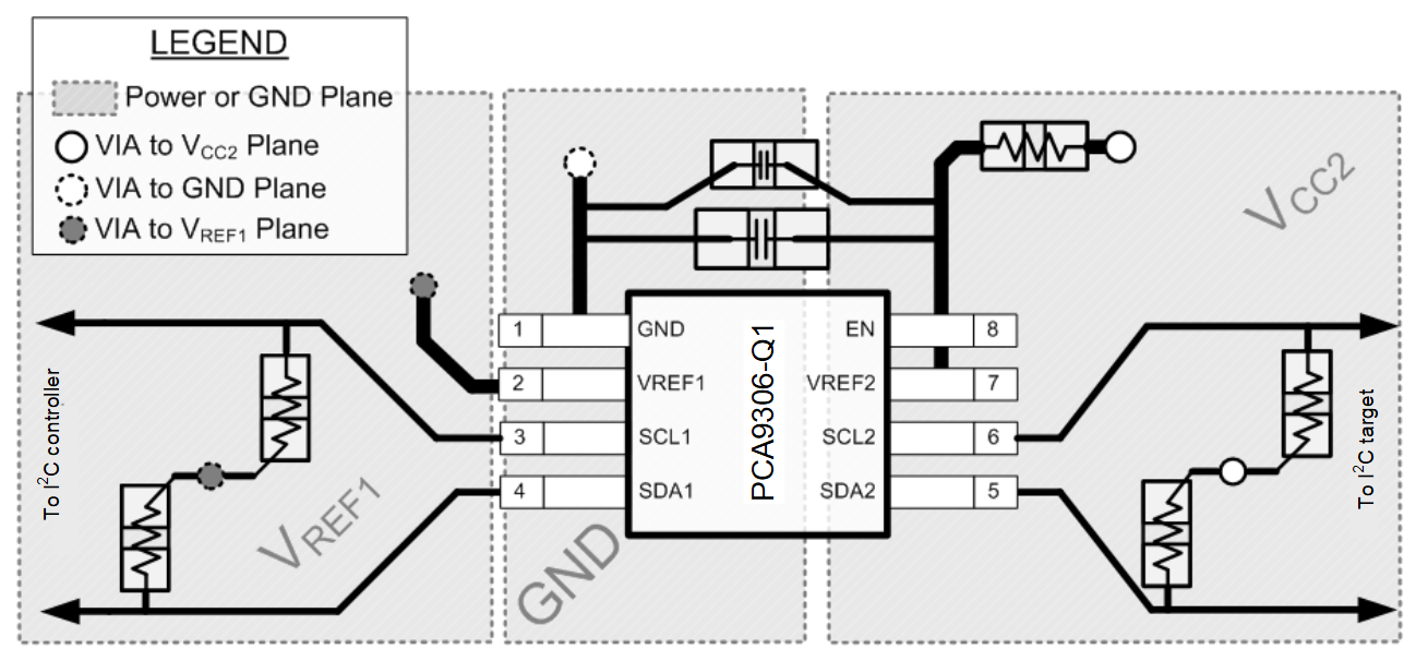
    2. 11.2 Layout Example
  13. 12Device and Documentation Support
    1. 12.1 Receiving Notification of Documentation Updates
    2. 12.2 支持资源
    3. 12.3 商标
    4. 12.4 静电放电警告
    5. 12.5 术语表
  14.   Mechanical, Packaging, and Orderable Information

封装选项

机械数据 (封装 | 引脚)
散热焊盘机械数据 (封装 | 引脚)
订购信息

Layout Example

GUID-069D5968-2AD5-4DFB-8AD7-52004206E93C-low.pngFigure 11-1 PCA9306 Layout Example