ZHCSED2 November   2015 OPA2211-EP

PRODUCTION DATA.  

  1. 特性
  2. 应用范围
  3. 说明
  4. 修订历史记录
  5. Pin Configuration and Functions
  6. Specifications
    1. 6.1 Absolute Maximum Ratings
    2. 6.2 ESD Ratings
    3. 6.3 Recommended Operating Conditions
    4. 6.4 Thermal Information
    5. 6.5 Electrical Characteristics: VS = ±2.25 to ±18 V
    6. 6.6 Typical Characteristics
  7. Detailed Description
    1. 7.1 Overview
    2. 7.2 Functional Block Diagram
    3. 7.3 Feature Description
      1. 7.3.1 Input Protection
      2. 7.3.2 Noise Performance
      3. 7.3.3 Basic Noise Calculations
      4. 7.3.4 Total Harmonic Distortion Measurements
    4. 7.4 Device Functional Modes
  8. Application and Implementation
    1. 8.1 Application Information
      1. 8.1.1 Electrical Overstress
    2. 8.2 Typical Application
      1. 8.2.1 Design Requirements
      2. 8.2.2 Detailed Design Procedure
        1. 8.2.2.1 Total Harmonic Distortion Measurements
      3. 8.2.3 Application Curves
  9. Power Supply Recommendations
    1. 9.1 Operating Voltage
  10. 10Layout
    1. 10.1 Layout Guidelines
    2. 10.2 Layout Example
    3. 10.3 Thermal Considerations
  11. 11器件和文档支持
    1. 11.1 社区资源
    2. 11.2 商标
    3. 11.3 静电放电警告
    4. 11.4 Glossary
  12. 12机械、封装和可订购信息

封装选项

机械数据 (封装 | 引脚)
散热焊盘机械数据 (封装 | 引脚)
订购信息

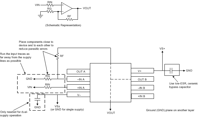
10 Layout

10.1 Layout Guidelines

For best operational performance of the device, use good PCB layout practices, including:

  • Noise can propagate into analog circuitry through the power pins of the circuit as a whole and op amp itself. Bypass capacitors are used to reduce the coupled noise by providing low-impedance power sources local to the analog circuitry.
    • Connect low-ESR, 0.1-μF ceramic bypass capacitors between each supply pin and ground, placed as close to the device as possible. A single bypass capacitor from V+ to ground is applicable for single supply applications.
  • Separate grounding for analog and digital portions of circuitry is one of the simplest and most-effective methods of noise suppression. One or more layers on multilayer PCBs are usually devoted to ground planes. A ground plane helps distribute heat and reduces EMI noise pickup. Make sure to physically separate digital and analog grounds paying attention to the flow of the ground current. For more detailed information refer to Circuit Board Layout Techniques, SLOA089.
  • In order to reduce parasitic coupling, run the input traces as far away from the supply or output traces as possible. If these traces cannot be kept separate, crossing the sensitive trace perpendicular is much better as opposed to in parallel with the noisy trace.
  • Place the external components as close to the device as possible. As shown in Figure 46, keeping RF and RG close to the inverting input minimizes parasitic capacitance.
  • Keep the length of input traces as short as possible. Always remember that the input traces are the most sensitive part of the circuit.
  • Consider a driven, low-impedance guard ring around the critical traces. A guard ring can significantly reduce leakage currents from nearby traces that are at different potentials.
  • Cleaning the PCB following board assembly is recommended for best performance.
  • Any precision integrated circuit may experience performance shifts due to moisture ingress into the plastic package. Following any aqueous PCB cleaning process, TI recommends baking the PCB assembly to remove moisture introduced into the device packaging during the cleaning process. A low temperature, post cleaning bake at 85°C for 30 minutes is sufficient for most circumstances.

10.2 Layout Example

OPA2211-EP layout_sbos638.gif Figure 46. Operational Amplifier Board Layout for Noninverting Configuration

10.3 Thermal Considerations

The primary issue with all semiconductor devices is junction temperature (TJ). The most obvious consideration is assuring that TJ never exceeds the absolute maximum rating specified for the device. However, addressing device thermal dissipation has benefits beyond protecting the device from damage. Even modest increases in junction temperature can decrease operational amplifier performance, and temperature-related errors can accumulate. Understanding the power generated by the device within the specific application and assessing the thermal effects on the error tolerance lead to a better understanding of system performance and thermal dissipation needs.