ZHCSB21B March   2013  – September 2016 OPA188

PRODUCTION DATA.  

  1. 特性
  2. 应用
  3. 说明
  4. 修订历史记录
  5. 器件比较表
    1. 5.1 产品系列比较
  6. 引脚配置和功能
  7. 规格
    1. 7.1 绝对最大额定值
    2. 7.2 ESD 额定值
    3. 7.3 建议的工作条件
    4. 7.4 热性能信息
    5. 7.5 电气特性:高电压运行
    6. 7.6 电气特性:低电压运行
    7. 7.7 典型特性:图形列表
      1. 7.7.1 图形列表
    8. 7.8 典型特性
  8. 详细 说明
    1. 8.1 概述
    2. 8.2 功能框图
    3. 8.3 特性 说明
      1. 8.3.1 工作特性
      2. 8.3.2 反相保护
      3. 8.3.3 输入偏置电流时钟馈通
      4. 8.3.4 内部偏移校正
      5. 8.3.5 EMI 抑制
      6. 8.3.6 容性负载和稳定性
      7. 8.3.7 电气过载
    4. 8.4 器件功能模式
  9. 应用和实现
    1. 9.1 应用信息
    2. 9.2 典型 应用
      1. 9.2.1 高侧电压至电流 (V-I) 转换器
        1. 9.2.1.1 设计要求
        2. 9.2.1.2 详细设计流程
        3. 9.2.1.3 应用曲线
      2. 9.2.2 采用 3.3V 电源且适用于 ADC 的分立式 INA + 衰减
      3. 9.2.3 桥式放大器
      4. 9.2.4 低侧电流监控器
      5. 9.2.5 可编程电源
      6. 9.2.6 具有线性化功能的 RTD 放大器
  10. 10电源相关建议
  11. 11布局
    1. 11.1 布局准则
    2. 11.2 布局示例
  12. 12器件和文档支持
    1. 12.1 器件支持
      1. 12.1.1 开发支持
        1. 12.1.1.1 TINA-TI(免费下载软件)
    2. 12.2 文档支持
      1. 12.2.1 相关文档
    3. 12.3 接收文档更新通知
    4. 12.4 社区资源
    5. 12.5 商标
    6. 12.6 静电放电警告
    7. 12.7 Glossary
  13. 13机械、封装和可订购信息

封装选项

机械数据 (封装 | 引脚)
散热焊盘机械数据 (封装 | 引脚)
订购信息

详细 说明

概述

OPA188 运算放大器兼具低温漂与出色的总体性能,使得该器件成为许多精密 应用的理想之选。仅 0.085µV/°C 的低温漂可在整个温度范围内提供稳定性。此外,该器件还提供出色的总体性能(具有高 CMRR、PSRR 和 AOL)。与所有放大器一样,在采用噪声较大的电源或高阻抗电源的 应用 中,去耦电容器需靠近器件引脚。在大多数情况下,0.1µF 电容器已足够满足需求。

OPA188 器件是零漂移、低功耗、轨至轨输出运算放大器系列的一部分。这些器件的工作电压范围为 4V 至 36V,具有单位增益稳定特性,并且适用于广泛的通用 应用。零漂移架构提供超低输入失调电压,并且随温度变化和时间推移实现接近于零的输入失调电压漂移。该架构选项还提供出色的交流性能,如超低宽带噪声和零闪烁噪声。

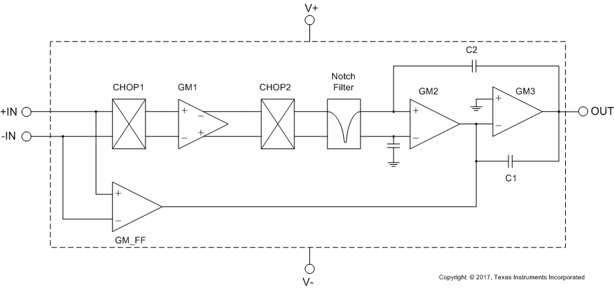
功能框图

Figure 38 展示了 OPA188 所使用的专有架构。Table 3 列出了该器件的有源和无源组件数。利用组件数可以进行精确的可靠性计算。

OPA188 fbd_SBOS642.gif
Figure 38. 功能框图

Table 3. 组件数

组件 数量
晶体管 636
二极管 5
电阻器 41
电容器 72

特性 说明

OPA188 具有单位增益稳定特性,并且不会出现意外输出相位反转。该器件使用专用的周期性零漂移技术来提供低输入失调电压,并且随温度变化实现极低的输入失调电压漂移。要获得最低的失调电压和精密性能,需要优化电路布局和机械条件。避免在因连接异种导体形成的热电偶结中产生热电(塞贝克)效应的温度梯度。通过确保两个输入引脚上的电势相等,消除这些热产生的电势。其他布局和设计注意事项包括:

• 使用低热电系数条件(避免异种金属)。

• 将组件与电源或其他热源进行热隔离。

• 将运算放大器和输入电路与气流(如冷却风扇气流)隔离。

遵循这些准则可降低在不同温度下产生结的可能性,这些结可能导致 0.1µV/°C 或更高的热电电压,具体取决于所使用的材料。

工作特性

OPA188 的额定工作电压范围是 4V 至 36V(±2V 至 ±18V)。有多种规格可供在 –40°C 至 +125°C 的温度范围内适用。典型特性 中展示了可能会随工作电压或温度的变化而显著变化的参数。

反相保护

OPA188 具有内部反相保护。当输入驱动超出线性共模范围时,许多运算放大器会发生相位反转。这是同相电路中输入驱动超出额定共模电压范围时的最常见的现象,会导致输出反向进入相对的电源轨。OPA188 输入采用过大的共模电压来防止相位反转。实际上,输出会限制到相应的电源轨;Figure 39 显示了该行为。

OPA188 tc_no_phase_bos525.gif Figure 39. 无相位反转

输入偏置电流时钟馈通

零漂移放大器(如 OPA188)在输入上使用开关来校正放大器的固有偏移和漂移。输入上来自集成开关的电荷注入可能会在放大器的输入偏置电流中引入极短的瞬态。这些脉冲的持续时间极短,从而可以防止器件放大。不过,器件可能通过反馈网络与放大器的输出进行耦合。要防止输入偏置电流中的瞬态在放大器的输入端产生额外噪声,最有效方法是使用低通滤波器(如 RC 网络)。

内部偏移校正

OPA188 运算放大器将自动校准技术与信号路径中的时间连续 750kHz 运算放大器结合使用。该放大器每 3μs 使用专有技术进行一次零点校正。启动后,放大器需要约 100μs 来实现指定的 VOS 精度。此设计没有混叠或闪烁噪声。

EMI 抑制

OPA188 使用集成电磁干扰 (EMI) 滤波来降低干扰源(如无线通信设备以及混合使用模拟信号链和数字组件的高密度电路板)产生的 EMI 干扰。通过电路设计技术可以提高 EMI 抗扰度;可从这些设计改进中受益。 德州仪器 (TI)™已经开发出在 10MHz 至 6GHz 的宽频谱范围内精确测量和量化运算放大器抗扰度的功能。Figure 40 显示了对 OPA188 执行此测试的结果。Table 4 列出了在实际应用中经常遇到的特定频率下 OPA188 的 EMIRR IN+ 值。在 Table 4中列出的应用可在下图给出的特定频率或其近似频率下运行。有关详细信息也可参见《运算放大器的 EMI 抑制比》一文,该文档可从 www.ti.com 下载。

OPA188 tc_emirr-frq_bos525.gif Figure 40. EMIRR 测试

Table 4. OPA188 在目标频率下的 EMIRR IN+

频率 应用或分配 EMIRR IN+
400MHz 移动无线广播、移动卫星、太空操作、气象、雷达、超高频 (UHF) 应用 62.2dB
900MHz 移动通信全球系统 (GSM) 应用,广播通信、导航、GPS(至 1.6GHz)、GSM、航空移动、UHF 应用 74.7dB
1.8GHz GSM 应用,个人移动通信、宽带、卫星、L 波段(1GHz 至 2GHz) 100.7dB
2.4GHz 802.11b、802.11g、802.11n、 Bluetooth®、个人移动通信、工业、科学和医疗 (ISM) 无线频段、业余无线电通信和卫星、S 波段(2GHz 至 4GHz) 102.4dB
3.6GHz 无线电定位、航空通信和导航、卫星、移动通信、S 波段 104.8dB
5GHz 802.11a、802.11n、航空通信和导航、移动通信、太空和卫星运行、C 波段(4GHz 至 8GHz) 100.3dB

容性负载和稳定性

器件的动态特性针对各种常见工作条件进行了优化。低闭环增益和高容性负载相结合,减小了放大器的相位裕度并可导致增益峰化或振荡。因此,高容性负载必须与输出相隔离。实现此隔离的最简单方法就是增加一个与输出串联的小电阻器(例如,等于 50Ω 的 ROUT)。Figure 41Figure 42 显示了小信号过冲和容性负载在不同 ROUT 值时的关系图。有关分析技巧和应用电路的详细信息,请参阅《反馈曲线图定义运算放大器交流性能》,该文档可从 www.ti.com 下载。

OPA188 tc_sm_oshoot-cl_pos_bos642.gif
G = 1 RL = 10kΩ 100mV 输出阶跃
Figure 41. 小信号过冲与容性负载间的关系
OPA188 tc_sm_oshoot-cl_neg_bos642.gif
G = –1 RL = RF = 10kΩ 100mV 输出阶跃
Figure 42. 小信号过冲与容性负载间的关系

电气过载

设计人员经常会问到关于运算放大器承受电气过载能力的问题。这些问题的重点在于器件输入,但可能也会涉及电源电压引脚或输出引脚。这些不同引脚功能的每一个功能具有由独特的半导体制造工艺和连接到引脚的特定电路确定的电气过载限值。此外,这些电路有内置的内部静电放电 (ESD) 保护来在产品组装之前和组装过程中保护此电路不受意外的 ESD 事件的影响。

能够充分了解该基本 ESD 电路及其与电气过载事件的关联性会有所帮助。有关 OPA188 中包含的 ESD 电路的说明,请参阅Figure 43(用虚线区域指示)。ESD 保护电路涉及从输入和输出引脚连接并路由回内部电源线的多个导流二极管,其中二极管在运算放大器的内部吸收器件处相接。该保护电路在电路正常工作时处于未激活状态。

ESD 事件可产生短时高电压脉冲,随后在通过半导体器件放电时转换为短时高电流脉冲。ESD 保护电路设计在运算放大器核心周围,旨在为其提供电流路径,以防止造成损坏。保护电路吸收的能量以热量形式耗散。

当两个或多个放大器器件引脚上产生 ESD 电压时,电流将流经一个或多个导流二极管。根据电流所选路径,吸收器件可能会激活。吸收器件具有触发或阈值电压,该电压介于 OPA188 的正常工作电压和器件击穿电压之间。超出该阈值后,吸收器件会迅速激活并将电源轨上的电压钳制在安全的水平。

当运算放大器接入某个电路(如Figure 43 中所示)时,ESD 保护组件将保持未激活状态并且不会介入应用电路的运行。不过,如果施加的电压超出某个特定引脚的工作电压范围,可能会引起一些问题。如果出现这种情况,则存在部分内部 ESD 保护电路可能被偏置并传导电流的风险。任何此类电流都将流经导流二极管路径,但很少涉及吸收器件。

Figure 43 显示了一个具体示例,其中输入电压 VIN 超出正电源电压 (+VS) 500mV 甚至更多。电路中将发生的具体情况取决于电源特性。如果 +VS 能够灌电流,那么上面的一个输入导流二极管就会导通,并将电流传导至 +VS。越来越高的 VIN 会带来过高的电流。因此,本产品说明书的规格建议 应用 将输入电流限制为 10mA。

如果电源无法灌电流,VIN 就可能开始将电流拉至运算放大器,然后作为正电源电压源进行接管。这种情况的危险性在于,该电压可能会上升至超过运算放大器的绝对最大额定值的水平。

另一个常见问题是,如果在电源(+VS 或 –VS)为 0V 时向输入施加输入信号,放大器如何响应。同样,具体结果取决于电源在 0V 或低于输入信号幅值时的特性。如果电源呈现高阻抗状态,则运算放大器电源电流可由输入源通过导流二极管进行提供。但该状态并非正常偏置条件;放大器将无法正常工作。如果电源表现为低阻态,则通过钳位二极管的电流将变得非常大。电流水平取决于输入源的供电能力以及输入路径中的所有电阻。

如果不确定电源对该电流的吸收能力,则可以在电源引脚处添加外部齐纳二极管,如Figure 43 中所示。必须正确选择齐纳电压,以便二极管不会在正常工作期间导通。不过,齐纳电压必须足够低,以便齐纳二极管在电源引脚电压上升至超过安全工作电源电压水平时导通。

OPA188 equ_int_esd_circuitry_sbos642.gif
VIN = +VS + 500mV。
TVS:+VS(max) > VTVSBR(min) > +VS
建议值约为 1kΩ。
Figure 43. 与典型电路应用相关的等效内部 ESD 电路

OPA188 输入端子由背对背二极管提供保护,不会因差分电压过大而受损,如Figure 43 中所示。在大多数电路 应用中,输入保护电路没有任何影响。但在低增益和 G = 1 的电路中,快速变化的输入信号可能会导致这些二极管发生正向偏置,因为放大器的输出无法足够快地响应该输入变化。如果输入信号足够快,能够创建该正向偏置条件,那么输入信号电流必须限定为 10mA 或更低。如果未对输入信号电流进行内在限定,则可以使用输入串联电阻来限制信号输入电流。该输入串联电阻会降低 OPA188 的低噪声性能。Figure 43 显示了实现限流反馈电阻器的示例配置。

器件功能模式

OPA188 具有单一功能模式,可在电源电压大于 4.5V (±2.25 V) 时工作。OPA188 的最大电源电压为 36V (±18V)。