ZHCSEI0D January   2016  – Feburary 2019 MUX36D04 , MUX36S08

PRODUCTION DATA.  

  1. 特性
  2. 应用
  3. 说明
    1.     Device Images
      1.      简化电路原理图
      2.      泄漏电流与温度间的关系
  4. 修订历史记录
  5. Device Comparison Table
  6. Pin Configuration and Functions
    1.     Pin Functions: MUX36S08
    2.     Pin Functions: MUX36D04
  7. Specifications
    1. 7.1 Absolute Maximum Ratings
    2. 7.2 ESD Ratings
    3. 7.3 Recommended Operating Conditions
    4. 7.4 Thermal Information
    5. 7.5 Electrical Characteristics: Dual Supply
    6. 7.6 Electrical Characteristics: Single Supply
    7. 7.7 Typical Characteristics
  8. Parameter Measurement Information
    1. 8.1  Truth Tables
    2. 8.2  On-Resistance
    3. 8.3  Off-Leakage Current
    4. 8.4  On-Leakage Current
    5. 8.5  Differential On-Leakage Current
    6. 8.6  Transition Time
    7. 8.7  Break-Before-Make Delay
    8. 8.8  Turn-On and Turn-Off Time
    9. 8.9  Charge Injection
    10. 8.10 Off Isolation
    11. 8.11 Channel-to-Channel Crosstalk
    12. 8.12 Bandwidth
    13. 8.13 THD + Noise
  9. Detailed Description
    1. 9.1 Overview
    2. 9.2 Functional Block Diagram
    3. 9.3 Feature Description
      1. 9.3.1 Ultralow Leakage Current
      2. 9.3.2 Ultralow Charge Injection
      3. 9.3.3 Bidirectional Operation
      4. 9.3.4 Rail-to-Rail Operation
    4. 9.4 Device Functional Modes
  10. 10Application and Implementation
    1. 10.1 Application Information
    2. 10.2 Typical Application
      1. 10.2.1 Design Requirements
      2. 10.2.2 Detailed Design Procedure
      3. 10.2.3 Application Curve
  11. 11Power Supply Recommendations
  12. 12Layout
    1. 12.1 Layout Guidelines
    2. 12.2 Layout Example
  13. 13器件和文档支持
    1. 13.1 文档支持
      1. 13.1.1 相关文档
    2. 13.2 相关链接
    3. 13.3 接收文档更新通知
    4. 13.4 社区资源
    5. 13.5 商标
    6. 13.6 静电放电警告
    7. 13.7 术语表
  14. 14机械、封装和可订购信息

封装选项

机械数据 (封装 | 引脚)
散热焊盘机械数据 (封装 | 引脚)
订购信息

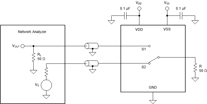
Channel-to-Channel Crosstalk

Channel-to-channel crosstalk is defined as the voltage at the source pin (Sx, SxA, or SxB) of an off-channel, when a 1-VRMS signal is applied at the source pin of an on-channel. Figure 35 shows the setup used to measure, and Equation 3 is the equation used to compute, channel-to-channel crosstalk.

MUX36S08 MUX36D04 crosstalk_sbos705.gifFigure 35. Channel-to-Channel Crosstalk Measurement Setup
Equation 3. MUX36S08 MUX36D04 q_crosstalk_sbas758.gif