ZHCSFV0C November   2016  – October 2019 MUX36D08 , MUX36S16

PRODUCTION DATA.  

  1. 特性
  2. 应用
  3. 说明
    1.     Device Images
      1.      简化电路原理图
      2.      泄漏电流与温度间的关系
  4. 修订历史记录
  5. Pin Configuration and Functions
    1.     Pin Functions, MUX36S16
    2.     Pin Functions: MUX36D08
  6. Specifications
    1. 6.1 Absolute Maximum Ratings
    2. 6.2 ESD Ratings
    3. 6.3 Recommended Operating Conditions
    4. 6.4 Thermal Information
    5. 6.5 Electrical Characteristics: Dual Supply
    6. 6.6 Electrical Characteristics: Single Supply
    7. 6.7 Typical Characteristics
  7. Parameter Measurement Information
    1. 7.1 Truth Tables
      1. 7.1.1  On-Resistance
      2. 7.1.2  Off Leakage
      3. 7.1.3  On-Leakage Current
      4. 7.1.4  Differential On-Leakage Current
      5. 7.1.5  Transition Time
      6. 7.1.6  Break-Before-Make Delay
      7. 7.1.7  Turn-On and Turn-Off Time
      8. 7.1.8  Charge Injection
      9. 7.1.9  Off Isolation
      10. 7.1.10 Channel-to-Channel Crosstalk
      11. 7.1.11 Bandwidth
      12. 7.1.12 THD + Noise
  8. Detailed Description
    1. 8.1 Overview
    2. 8.2 Functional Block Diagram
    3. 8.3 Feature Description
      1. 8.3.1 Ultralow Leakage Current
      2. 8.3.2 Ultralow Charge Injection
      3. 8.3.3 Bidirectional Operation
      4. 8.3.4 Rail-to-Rail Operation
    4. 8.4 Device Functional Modes
  9. Application and Implementation
    1. 9.1 Application Information
    2. 9.2 Typical Application
      1. 9.2.1 Design Requirements
      2. 9.2.2 Detailed Design Procedure
      3. 9.2.3 Application Curve
  10. 10Power Supply Recommendations
  11. 11Layout
    1. 11.1 Layout Guidelines
    2. 11.2 Layout Example
  12. 12器件和文档支持
    1. 12.1 文档支持
      1. 12.1.1 相关文档
    2. 12.2 相关链接
    3. 12.3 接收文档更新通知
    4. 12.4 社区资源
    5. 12.5 商标
    6. 12.6 静电放电警告
    7. 12.7 Glossary
  13. 13机械、封装和可订购信息

封装选项

机械数据 (封装 | 引脚)
散热焊盘机械数据 (封装 | 引脚)
订购信息

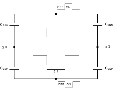
Ultralow Charge Injection

The MUX36xxx have a simple transmission gate topology, as shown in Figure 39. Any mismatch in the stray capacitance associated with the NMOS and PMOS causes an output level change whenever the switch is opened or closed.

MUX36S16 MUX36D08 Transmission_Gate_LASED9.gifFigure 39. Transmission Gate Topology

The MUX36xxx have special charge-injection cancellation circuitry that reduces the source-to-drain charge injection to as low as 0.31 pC at VS = 0 V, and ±0.9 pC in the full signal range, as shown in Figure 40.

MUX36S16 MUX36D08 D011_SLASED9.gifFigure 40. Source-to-Drain Charge Injection

The drain-to-source charge injection becomes important when the device is used as a demultiplexer (demux), where D becomes the input and Sx becomes the output. Figure 41 shows the drain-to-source charge injection across the full signal range.

MUX36S16 MUX36D08 D008_SLASED9.gifFigure 41. Drain-to-Source Charge Injection