ZHCSIY5A October   2018  – May 2019 LMZM33604

PRODUCTION DATA.  

  1. 特性
  2. 应用
    1.     简化电路原理图
  3. 说明
    1.     最小解决方案尺寸
    2.     典型效率(自动模式)
  4. 修订历史记录
  5. Pin Configuration and Functions
    1.     Pin Functions
  6. Specifications
    1. 6.1 Absolute Maximum Ratings
    2. 6.2 ESD Ratings
    3. 6.3 Recommended Operating Conditions
    4. 6.4 Thermal Information
    5. 6.5 Electrical Characteristics
    6. 6.6 Switching Characteristics
    7. 6.7 Typical Characteristics (VIN = 12 V)
    8. 6.8 Typical Characteristics (VIN = 24 V)
    9. 6.9 Typical Characteristics (VIN = 36 V)
  7. Detailed Description
    1. 7.1 Overview
    2. 7.2 Functional Block Diagram
    3. 7.3 Feature Description
      1. 7.3.1  Adjusting the Output Voltage
      2. 7.3.2  Input Capacitor Selection
      3. 7.3.3  Output Capacitor Selection
      4. 7.3.4  Transient Response
      5. 7.3.5  Feed-Forward Capacitor
      6. 7.3.6  Switching Frequency (RT)
      7. 7.3.7  Synchronization (SYNC/MODE)
      8. 7.3.8  Output Enable (EN)
      9. 7.3.9  Programmable System UVLO (EN)
      10. 7.3.10 Internal LDO and BIAS_SEL
      11. 7.3.11 Power Good (PGOOD) and Power Good Pullup (PGOOD_PU)
      12. 7.3.12 Mode Select (Auto or FPWM)
      13. 7.3.13 Soft Start and Voltage Tracking
      14. 7.3.14 Voltage Dropout
      15. 7.3.15 Overcurrent Protection (OCP)
      16. 7.3.16 Thermal Shutdown
    4. 7.4 Device Functional Modes
      1. 7.4.1 Active Mode
      2. 7.4.2 Auto Mode
      3. 7.4.3 FPWM Mode
      4. 7.4.4 Shutdown Mode
  8. Application and Implementation
    1. 8.1 Application Information
    2. 8.2 Typical Application
      1. 8.2.1 Design Requirements
      2. 8.2.2 Detailed Design Procedure
        1. 8.2.2.1 Output Voltage Setpoint
        2. 8.2.2.2 Setting the Switching Frequency
        3. 8.2.2.3 Input Capacitors
        4. 8.2.2.4 Output Capacitor Selection
        5. 8.2.2.5 Feed-Forward Capacitor (CFF)
        6. 8.2.2.6 Application Curves
  9. Power Supply Recommendations
  10. 10Layout
    1. 10.1 Layout Guidelines
    2. 10.2 Layout Examples
    3. 10.3 Theta JA vs PCB Area
    4. 10.4 Package Specifications
    5. 10.5 EMI
      1. 10.5.1 EMI Plots
  11. 11器件和文档支持
    1. 11.1 器件支持
      1. 11.1.1 第三方产品免责声明
    2. 11.2 接收文档更新通知
    3. 11.3 社区资源
    4. 11.4 商标
    5. 11.5 静电放电警告
    6. 11.6 Glossary
  12. 12机械、封装和可订购信息
    1. 12.1 Tape and Reel Information

封装选项

请参考 PDF 数据表获取器件具体的封装图。

机械数据 (封装 | 引脚)
  • RLX|41
散热焊盘机械数据 (封装 | 引脚)
订购信息

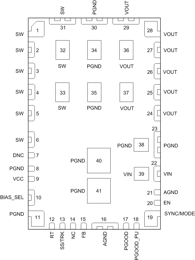
Pin Configuration and Functions

RLX Package
41-Pin QFN
Top View
LMZM33604 PinPackage2.gif

Pin Functions

PIN TYPE DESCRIPTION
NAME NO.
AGND 16, 21 G Analog ground. Zero voltage reference for internal references and logic. These pins are not connected to one another internal to the device and must be connected to one another externally. Do not connect these pins to PGND; the AGND to PGND connection is made internal to the device. See the Layout section of the datasheet for a recommended layout.
BIAS_SEL 10 I Optional BIAS LDO supply input. An internal 470 nF capacitor is placed between this pin and PGND. Do not float; tie to PGND if not used. Tie to VOUT if 3.3 V ≤ VOUT ≤ 18 V, or tie to an external 3.3-V or 5-V rail if available to improve efficiency.
DNC 7 Do not connect. This pin is connected to internal circuitry. Do not connect this pin to AGND, PGND, or any other voltage. This pin must be soldered to an isolated pad..
EN 20 I Precision enable input to regulator. Do not float. High = ON, Low = OFF. Can be tied to VIN. Precision enable input allows adjustable system UVLO using external resistor divider.
FB 15 I Feedback input. Connect the center point of the feedback resistor divider to this pin. Connect the upper resistor (RFBT) of the feedback divider to VOUT at the desired point of regulation. Connect the lower resistor (RFBB) of the feedback divider to AGND.
NC 14 Not internally connected.
PGND 8, 11, 23, 30, 34, 35, 38, 40, 41 G Power ground. This is the return current path for the power stage of the device. Connect these pins to the low side of the input source, load, and bypass capacitors associated with VIN and VOUT using power ground planes on the PCB. Not all pins are connected to PGND internal to the device; connections must be made externally. Connect pad 40 and 41 to the ground planes using multiple vias for good thermal performance.
PGOOD 17 O Open drain output for power-good flag. Internal to the device, a 100-kΩ pullup resistor is placed between this pin and the PGOOD_PU pin.
PGOOD_PU 18 I Power-good pullup supply. Connect to logic rail or other DC voltage no higher than 20 V.
RT 12 I An external timing resistor connected between this pin and AGND adjusts the switching frequency of the device. If floating, the default switching frequency is 500 kHz. Do not short to ground.
SS/TRK 13 I Soft start / tracking control pin. Leave this pin floating to use the 5-ms internal soft-start ramp.To increase the internal soft start ramp time, simply connect a capacitor between this pin and AGND. This pin sources 2-μA of current to charge this external capacitor. Connect to external voltage ramp for tracking. Do not connect to ground.
SW 1, 2, 3, 4, 5, 6, 31, 32, 33 O Switch node. Connect these pins to a small copper island under the device for thermal relief. Do not place any external components on these pins or tie them to a pin of another function.
SYNC/MODE 19 I Synchronization input and Mode setting pin. Do not float; tie to AGND or logic high if not used. Connect to an external clock to synchronize (see Synchronization (SYNC/MODE)). Connect to AGND to select Auto mode or connect to logic high to select FPWM mode. (see Mode Select (Auto or FPWM)).
VCC 9 O Output of internal bias supply. Used to supply internal control circuits and drivers. Do not place any external component on this pin or tie it to a pin of another function.
VIN 22, 39 I Input supply voltage. Connect external input capacitors between these pins and PGND.
VOUT 24, 25, 26, 27, 28, 29, 36, 37 O Output voltage. These pins are connected to the output of the internal inductor. Connect these pins to the output load and connect external bypass capacitors between these pins and PGND.