SNOS993P November   2001  – April 2017 LMV931-N , LMV932-N , LMV934-N

PRODUCTION DATA.  

  1. Features
  2. Applications
  3. Description
  4. Revision History
  5. Pin Configuration and Functions
  6. Specifications
    1. 6.1  Absolute Maximum Ratings
    2. 6.2  ESD Ratings (Commercial)
    3. 6.3  Recommended Operating Ratings
    4. 6.4  Thermal Information
    5. 6.5  DC Electrical Characteristics 1.8 V
    6. 6.6  AC Electrical Characteristics 1.8 V
    7. 6.7  DC Electrical Characteristics 2.7 V
    8. 6.8  AC Electrical Characteristics 2.7 V
    9. 6.9  Electrical Characteristics 5 V DC
    10. 6.10 AC Electrical Characteristics 5 V
    11. 6.11 Typical Characteristics
  7. Detailed Description
    1. 7.1 Overview
    2. 7.2 Functional Block Diagram
    3. 7.3 Feature Description
    4. 7.4 Device Functional Modes
      1. 7.4.1 Input and Output Stage
      2. 7.4.2 Input Bias Current Consideration
  8. Application and Implementation
    1. 8.1 Application Information
    2. 8.2 Typical Applications
      1. 8.2.1 High-Side Current-Sensing Application
        1. 8.2.1.1 Design Requirements
          1. 8.2.1.1.1 Custom Design With WEBENCH® Tools
        2. 8.2.1.2 Detailed Design Procedure
        3. 8.2.1.3 Application Curve
      2. 8.2.2 Half-Wave Rectifier Applications
        1. 8.2.2.1 Design Requirements
        2. 8.2.2.2 Detailed Design Procedure
        3. 8.2.2.3 Application Curve
      3. 8.2.3 Instrumentation Amplifier With Rail-to-Rail Input and Output Application
        1. 8.2.3.1 Design Requirements
        2. 8.2.3.2 Detailed Design Procedure
        3. 8.2.3.3 Application Curve
    3. 8.3 Dos and Don'ts
  9. Power Supply Recommendations
  10. 10Layout
    1. 10.1 Layout Guidelines
    2. 10.2 Layout Example
  11. 11Device and Documentation Support
    1. 11.1 Device Support
      1. 11.1.1 Custom Design With WEBENCH® Tools
      2. 11.1.2 Development Support
    2. 11.2 Documentation Support
      1. 11.2.1 Related Documentation
    3. 11.3 Related Links
    4. 11.4 Receiving Notification of Documentation Updates
    5. 11.5 Community Resources
    6. 11.6 Trademarks
    7. 11.7 Electrostatic Discharge Caution
    8. 11.8 Glossary
  12. 12Mechanical, Packaging, and Orderable Information

封装选项

机械数据 (封装 | 引脚)
散热焊盘机械数据 (封装 | 引脚)
订购信息

Pin Configuration and Functions

DBV and DCK Package
5-Pin SC-70 and SOT-23
LMV931-N Top View
LMV931-N LMV932-N LMV934-N 200326ao.png
DGK and D Package
8-Pin VSSOP and SOIC
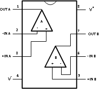
LMV932-N Top View
LMV931-N LMV932-N LMV934-N 200326g12.gif
DGK and D Package
14-Pin TSSOP and SOIC
LMV934-N Top View
LMV931-N LMV932-N LMV934-N 200326g13.png

Pin Functions: LMV931

PIN I/O DESCRIPTION
NAME LMV931 DBV, DCK
+IN 1 I Noninverting Input
-IN 3 I Inverting Input
OUT 4 O Output
V- 2 P Negative Supply
V+ 5 P Positive Supply

Pin Functions: LMV932 and LMV934

PIN I/O DESCRIPTION
NAME LMV932 D, DGK LMV934 D, PW
+IN A 3 3 I Noninverting input, channel A
+IN B 5 5 I Noninverting input, channel B
+IN C 10 I Noninverting input, channel C
+IN D 12 I Noninverting input, channel D
–IN A 2 2 I Inverting input, channel A
–IN B 6 6 I Inverting input, channel B
–IN C 9 I Inverting input, channel C
–IN D 13 I Inverting input, channel D
OUT A 1 1 O Output, channel A
OUT B 7 7 O Output, channel B
OUT C 8 O Output, channel C
OUT D 14 O Output, channel D
V+ 8 4 P Positive (highest) power supply
V– 4 11 P Negative (lowest) power supply