ZHCSF93E December   2015  – August 2020 LMR23630

PRODUCTION DATA  

  1. 特性
  2. 应用
  3. 说明
  4. Revision History
  5. Device Comparison Table
  6. Pin Configuration and Functions
    1.     Pin Functions
  7. Specifications
    1. 7.1 Absolute Maximum Ratings
    2. 7.2 ESD Ratings
    3. 7.3 Recommended Operating Conditions
    4. 7.4 Thermal Information
    5. 7.5 Electrical Characteristics
    6. 7.6 Timing Requirements
    7. 7.7 Switching Characteristics
    8. 7.8 Typical Characteristics
  8. Detailed Description
    1. 8.1 Overview
    2. 8.2 Functional Block Diagram
    3. 8.3 Feature Description
      1. 8.3.1  Fixed Frequency Peak Current Mode Control
      2. 8.3.2  Adjustable Frequency
      3. 8.3.3  Adjustable Output Voltage
      4. 8.3.4  Enable/Sync
      5. 8.3.5  VCC, UVLO
      6. 8.3.6  Minimum ON-time, Minimum OFF-time and Frequency Foldback at Dropout Conditions
      7. 8.3.7  Power Good (PGOOD)
      8. 8.3.8  Internal Compensation and CFF
      9. 8.3.9  Bootstrap Voltage (BOOT)
      10. 8.3.10 Overcurrent and Short-Circuit Protection
      11. 8.3.11 Thermal Shutdown
    4. 8.4 Device Functional Modes
      1. 8.4.1 Shutdown Mode
      2. 8.4.2 Active Mode
      3. 8.4.3 CCM Mode
      4. 8.4.4 Light Load Operation (PFM Version)
      5. 8.4.5 Light Load Operation (FPWM Version)
  9. Application and Implementation
    1. 9.1 Application Information
    2. 9.2 Typical Applications
      1. 9.2.1 Design Requirements
      2. 9.2.2 Detailed Design Procedure
        1. 9.2.2.1  Custom Design With WEBENCH® Tools
        2. 9.2.2.2  Output Voltage Setpoint
        3. 9.2.2.3  Switching Frequency
        4. 9.2.2.4  Inductor Selection
        5. 9.2.2.5  Output Capacitor Selection
        6. 9.2.2.6  Feed-Forward Capacitor
        7. 9.2.2.7  Input Capacitor Selection
        8. 9.2.2.8  Bootstrap Capacitor Selection
        9. 9.2.2.9  VCC Capacitor Selection
        10. 9.2.2.10 Undervoltage Lockout Setpoint
      3. 9.2.3 Application Curves
  10. 10Power Supply Recommendations
  11. 11Layout
    1. 11.1 Layout Guidelines
    2. 11.2 Layout Example
    3. 11.3 Compact Layout for EMI Reduction
    4. 11.4 Ground Plane and Thermal Considerations
    5. 11.5 Feedback Resistors
  12. 12Device and Documentation Support
    1. 12.1 Device Support
      1. 12.1.1 Development Support
        1. 12.1.1.1 Custom Design With WEBENCH® Tools
    2. 12.2 接收文档更新通知
    3. 12.3 支持资源
    4. 12.4 Trademarks
    5. 12.5 静电放电警告
    6. 12.6 术语表
  13. 13Mechanical, Packaging, and Orderable Information

封装选项

请参考 PDF 数据表获取器件具体的封装图。

机械数据 (封装 | 引脚)
  • DRR|12
  • DDA|8
散热焊盘机械数据 (封装 | 引脚)
订购信息

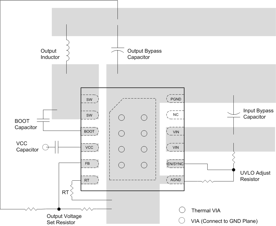
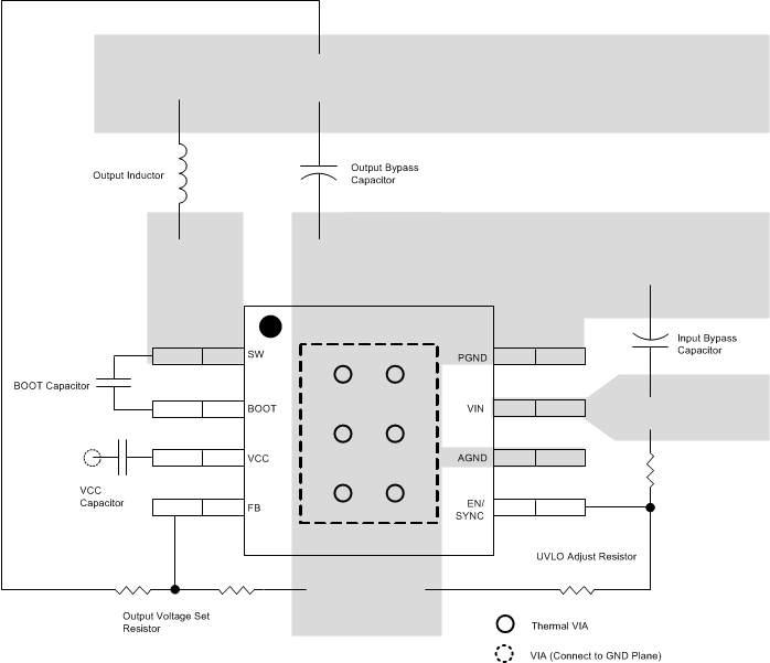
Layout Example

GUID-185519BC-FD95-4B08-ADF5-11F2ED32139E-low.gifFigure 11-1 Sample HSOIC Package Layout
GUID-84E9EC36-1B5E-4867-847E-A2BA6475E009-low.gifFigure 11-2 Sample WSON Package Layout