ZHCSHV9A March   2018  – January 2024 LMR14010A

PRODUCTION DATA  

  1.   1
  2. 特性
  3. 应用
  4. 说明
  5. Pin Configuration and Functions
  6. Specifications
    1. 5.1 Absolute Maximum Ratings
    2. 5.2 ESD Ratings
    3. 5.3 Recommended Operating Conditions
    4. 5.4 Thermal Information
    5. 5.5 Electrical Characteristics
    6. 5.6 Typical Characteristics
  7. Detailed Description
    1. 6.1 Overview
    2. 6.2 Functional Block Diagram
    3. 6.3 Feature Description
      1. 6.3.1 Fixed Frequency PWM Control
      2. 6.3.2 Bootstrap Voltage (CB)
      3. 6.3.3 Setting the Output Voltage
      4. 6.3.4 Enable ( SHDN ) and VIN Undervoltage Lockout
      5. 6.3.5 Current Limit
      6. 6.3.6 Thermal Shutdown
    4. 6.4 Device Functional Modes
      1. 6.4.1 Continuous Conduction Mode
      2. 6.4.2 Eco-mode
  8. Application and Implementation
    1. 7.1 Application Information
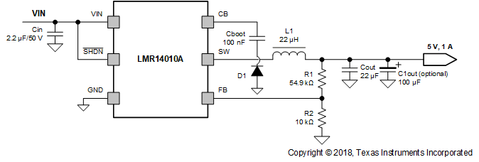
    2. 7.2 Typical Application
      1. 7.2.1 Design Requirements
        1. 7.2.1.1 Step-By-Step Design Procedure
      2. 7.2.2 Detailed Design Procedure
        1. 7.2.2.1 Custom Design With WEBENCH® Tools
        2. 7.2.2.2 Output Inductor Selection
        3. 7.2.2.3 Output Capacitor Selection
        4. 7.2.2.4 Schottky Diode Selection
        5. 7.2.2.5 Input Capacitor Selection
        6. 7.2.2.6 Bootstrap Capacitor Selection
      3. 7.2.3 Application Performance Curves
    3. 7.3 Power Supply Recommendations
    4. 7.4 Layout
      1. 7.4.1 Layout Guidelines
      2. 7.4.2 Layout Example
  9. Device and Documentation Support
    1. 8.1 Device Support
      1. 8.1.1 Development Support
        1. 8.1.1.1 Custom Design With WEBENCH® Tools
    2. 8.2 接收文档更新通知
    3. 8.3 支持资源
    4. 8.4 Trademarks
    5. 8.5 静电放电警告
    6. 8.6 术语表
  10. Revision History
  11. 10Mechanical, Packaging, and Orderable Information

封装选项

机械数据 (封装 | 引脚)
散热焊盘机械数据 (封装 | 引脚)
订购信息

Typical Application

LMR14010A LMR14010A Application Circuit, 5-V OutputFigure 7-1 LMR14010A Application Circuit, 5-V Output