SNOSAW6E January 2008 – December 2014 LMP7721
PRODUCTION DATA.

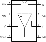
| PIN | I/O | DESCRIPTION | |
|---|---|---|---|
| NAME | NO. | ||
| IN+ | 1 | I | Non-Inverting Input |
| N/C | 2 | - | No Internal Connection (1) |
| V- | 3 | P | Negative Power Supply |
| VOUT | 4 | O | Output |
| N/C | 5 | - | No Internal Connection |
| V+ | 6 | P | Positive Power Supply |
| N/C | 7 | - | No Internal Connection (1) |
| IN- | 8 | I | Inverting Input |