ZHCSIA3C Februray   2017  – May 2018 LMK04832

PRODUCTION DATA.  

  1. 特性
  2. 应用
  3. 说明
    1.     简化原理图
  4. 修订历史记录
  5. Pin Configuration and Functions
    1.     Pin Functions
  6. Specifications
    1. 6.1 Absolute Maximum Ratings
    2. 6.2 ESD Ratings
    3. 6.3 Recommended Operating Conditions
    4. 6.4 Thermal Information
    5. 6.5 Electrical Characteristics
    6. 6.6 Timing Requirements
    7. 6.7 Timing Diagram
    8. 6.8 Typical Characteristics – Clock Output AC Characteristics
  7. Parameter Measurement Information
    1. 7.1 Charge Pump Current Specification Definitions
      1. 7.1.1 Charge Pump Output Current Magnitude Variation vs Charge Pump Output Voltage
      2. 7.1.2 Charge Pump Sink Current vs Charge Pump Output Source Current Mismatch
      3. 7.1.3 Charge Pump Output Current Magnitude Variation vs Ambient Temperature
    2. 7.2 Differential Voltage Measurement Terminology
  8. Detailed Description
    1. 8.1 Overview
      1. 8.1.1  Differences to LMK0482x
      2. 8.1.2  Jitter Cleaning
      3. 8.1.3  JEDEC JESD204B Support
      4. 8.1.4  Clock Inputs
        1. 8.1.4.1 Three Redundant PLL1 Reference Inputs
        2. 8.1.4.2 PLL2 Reference Inputs
        3. 8.1.4.3 Clock Distribution Reference Input
      5. 8.1.5  VCXO Buffered Output
      6. 8.1.6  Frequency Holdover
      7. 8.1.7  Internal VCOs
      8. 8.1.8  External VCO Mode
      9. 8.1.9  Clock Distribution
        1. 8.1.9.1 Clock Divider
        2. 8.1.9.2 High Performance Divider Bypass Mode
        3. 8.1.9.3 SYSREF Clock Divider
        4. 8.1.9.4 Device Clock Delay
        5. 8.1.9.5 Dynamic Digital Delay
        6. 8.1.9.6 SYSREF Delay: Global and Local
        7. 8.1.9.7 Programmable Output Formats
        8. 8.1.9.8 Clock Output Synchronization
      10. 8.1.10 0-Delay
      11. 8.1.11 Status Pins
    2. 8.2 Functional Block Diagram
    3. 8.3 Feature Description
      1. 8.3.1 Synchronizing PLL R Dividers
        1. 8.3.1.1 PLL1 R Divider Synchronization
        2. 8.3.1.2 PLL2 R Divider Synchronization
      2. 8.3.2 SYNC/SYSREF
      3. 8.3.3 JEDEC JESD204B
        1. 8.3.3.1 How to Enable SYSREF
          1. 8.3.3.1.1 Setup of SYSREF Example
          2. 8.3.3.1.2 SYSREF_CLR
        2. 8.3.3.2 SYSREF Modes
          1. 8.3.3.2.1 SYSREF Pulser
          2. 8.3.3.2.2 Continuous SYSREF
          3. 8.3.3.2.3 SYSREF Request
      4. 8.3.4 Digital Delay
        1. 8.3.4.1 Fixed Digital Delay
          1. 8.3.4.1.1 Fixed Digital Delay Example
        2. 8.3.4.2 Dynamic Digital Delay
        3. 8.3.4.3 Single and Multiple Dynamic Digital Delay Example
      5. 8.3.5 SYSREF to Device Clock Alignment
      6. 8.3.6 Input Clock Switching
        1. 8.3.6.1 Input Clock Switching - Manual Mode
        2. 8.3.6.2 Input Clock Switching - Pin Select Mode
        3. 8.3.6.3 Input Clock Switching - Automatic Mode
      7. 8.3.7 Digital Lock Detect
        1. 8.3.7.1 Calculating Digital Lock Detect Frequency Accuracy
      8. 8.3.8 Holdover
        1. 8.3.8.1 Enable Holdover
          1. 8.3.8.1.1 Fixed (Manual) CPout1 Holdover Mode
          2. 8.3.8.1.2 Tracked CPout1 Holdover Mode
        2. 8.3.8.2 During Holdover
        3. 8.3.8.3 Exiting Holdover
        4. 8.3.8.4 Holdover Frequency Accuracy and DAC Performance
      9. 8.3.9 PLL2 Loop Filter
    4. 8.4 Device Functional Modes
      1. 8.4.1 DUAL PLL
        1. 8.4.1.1 Dual Loop
        2. 8.4.1.2 Dual Loop With Cascaded 0-Delay
        3. 8.4.1.3 Dual Loop With Nested 0-Delay
      2. 8.4.2 Single PLL
        1. 8.4.2.1 PLL2 Single Loop
        2. 8.4.2.2 PLL2 With External VCO
      3. 8.4.3 Distribution Mode
    5. 8.5 Programming
      1. 8.5.1 Recommended Programming Sequence
    6. 8.6 Register Maps
      1. 8.6.1 Register Map for Device Programming
      2. 8.6.2 Device Register Descriptions
        1. 8.6.2.1 System Functions
          1. 8.6.2.1.1 RESET, SPI_3WIRE_DIS
          2. 8.6.2.1.2 POWERDOWN
          3. 8.6.2.1.3 ID_DEVICE_TYPE
          4. 8.6.2.1.4 ID_PROD
          5. 8.6.2.1.5 ID_MASKREV
          6. 8.6.2.1.6 ID_VNDR
        2. 8.6.2.2 (0x100 - 0x138) Device Clock and SYSREF Clock Output Controls
          1. 8.6.2.2.1 DCLKX_Y_DIV
          2. 8.6.2.2.2 DCLKX_Y_DDLY
          3. 8.6.2.2.3 CLKoutX_Y_PD, CLKoutX_Y_ODL, CLKoutX_Y_IDL, DCLKX_Y_DDLY_PD, DCLKX_Y_DDLY[9:8], DCLKX_Y_DIV[9:8]
          4. 8.6.2.2.4 CLKoutX_SRC_MUX, CLKoutX_Y_PD, DCLKX_Y_BYP, DCLKX_Y_DCC, DCLKX_Y_POL, DCLKX_Y_HS
          5. 8.6.2.2.5 CLKoutY_SRC_MUX, SCLKX_Y_PD, SCLKX_Y_DIS_MODE, SCLKX_Y_POL, SCLKX_Y_HS
          6. 8.6.2.2.6 SCLKX_Y_ADLY_EN, SCLKX_Y_ADLY
          7. 8.6.2.2.7 SCLKX_Y_DDLY
          8. 8.6.2.2.8 CLKoutY_FMT, CLKoutX_FMT
        3. 8.6.2.3 SYSREF, SYNC, and Device Config
          1. 8.6.2.3.1  VCO_MUX, OSCout_MUX, OSCout_FMT
          2. 8.6.2.3.2  SYSREF_REQ_EN, SYNC_BYPASS, SYSREF_MUX
          3. 8.6.2.3.3  SYSREF_DIV
          4. 8.6.2.3.4  SYSREF_DDLY
          5. 8.6.2.3.5  SYSREF_PULSE_CNT
          6. 8.6.2.3.6  PLL2_RCLK_MUX, PLL2_NCLK_MUX, PLL1_NCLK_MUX, FB_MUX, FB_MUX_EN
          7. 8.6.2.3.7  PLL1_PD, VCO_LDO_PD, VCO_PD, OSCin_PD, SYSREF_GBL_PD, SYSREF_PD, SYSREF_DDLY_PD, SYSREF_PLSR_PD
          8. 8.6.2.3.8  DDLYdSYSREF_EN, DDLYdX_EN
          9. 8.6.2.3.9  DDLYd_STEP_CNT
          10. 8.6.2.3.10 SYSREF_CLR, SYNC_1SHOT_EN, SYNC_POL, SYNC_EN, SYNC_PLL2_DLD, SYNC_PLL1_DLD, SYNC_MODE
          11. 8.6.2.3.11 SYNC_DISSYSREF, SYNC_DISX
          12. 8.6.2.3.12 PLL1R_SYNC_EN, PLL1R_SYNC_SRC, PLL2R_SYNC_EN
        4. 8.6.2.4 (0x146 - 0x149) CLKin Control
          1. 8.6.2.4.1 CLKin_SEL_PIN_EN, CLKin_SEL_PIN_POL, CLKin2_EN, CLKin1_EN, CLKin0_EN, CLKin2_TYPE, CLKin1_TYPE, CLKin0_TYPE
          2. 8.6.2.4.2 CLKin_SEL_AUTO_REVERT_EN, CLKin_SEL_AUTO_EN, CLKin_SEL_MANUAL, CLKin1_DEMUX, CLKin0_DEMUX
          3. 8.6.2.4.3 CLKin_SEL0_MUX, CLKin_SEL0_TYPE
          4. 8.6.2.4.4 SDIO_RDBK_TYPE, CLKin_SEL1_MUX, CLKin_SEL1_TYPE
        5. 8.6.2.5 RESET_MUX, RESET_TYPE
        6. 8.6.2.6 (0x14B - 0x152) Holdover
          1. 8.6.2.6.1 LOS_TIMEOUT, LOS_EN, TRACK_EN, HOLDOVER_FORCE, MAN_DAC_EN, MAN_DAC[9:8]
          2. 8.6.2.6.2 MAN_DAC
          3. 8.6.2.6.3 DAC_TRIP_LOW
          4. 8.6.2.6.4 DAC_CLK_MULT, DAC_TRIP_HIGH
          5. 8.6.2.6.5 DAC_CLK_CNTR
          6. 8.6.2.6.6 CLKin_OVERRIDE, HOLDOVER_EXIT_MODE, HOLDOVER_PLL1_DET, LOS_EXTERNAL_INPUT, HOLDOVER_VTUNE_DET, CLKin_SWITCH_CP_TRI, HOLDOVER_EN
          7. 8.6.2.6.7 HOLDOVER_DLD_CNT
        7. 8.6.2.7 (0x153 - 0x15F) PLL1 Configuration
          1. 8.6.2.7.1 CLKin0_R
          2. 8.6.2.7.2 CLKin1_R
          3. 8.6.2.7.3 CLKin2_R
          4. 8.6.2.7.4 PLL1_N
          5. 8.6.2.7.5 PLL1_WND_SIZE, PLL1_CP_TRI, PLL1_CP_POL, PLL1_CP_GAIN
          6. 8.6.2.7.6 PLL1_DLD_CNT
          7. 8.6.2.7.7 HOLDOVER_EXIT_NADJ
          8. 8.6.2.7.8 PLL1_LD_MUX, PLL1_LD_TYPE
        8. 8.6.2.8 (0x160 - 0x16E) PLL2 Configuration
          1. 8.6.2.8.1 PLL2_R
          2. 8.6.2.8.2 PLL2_P, OSCin_FREQ, PLL2_REF_2X_EN
          3. 8.6.2.8.3 PLL2_N_CAL
          4. 8.6.2.8.4 PLL2_N
          5. 8.6.2.8.5 PLL2_WND_SIZE, PLL2_CP_GAIN, PLL2_CP_POL, PLL2_CP_TRI
          6. 8.6.2.8.6 PLL2_DLD_CNT
          7. 8.6.2.8.7 PLL2_LD_MUX, PLL2_LD_TYPE
        9. 8.6.2.9 (0x16F - 0x555) Misc Registers
          1. 8.6.2.9.1 PLL2_PRE_PD, PLL2_PD
          2. 8.6.2.9.2 PLL1R_RST
          3. 8.6.2.9.3 CLR_PLL1_LD_LOST, CLR_PLL2_LD_LOST
          4. 8.6.2.9.4 RB_PLL1_LD_LOST, RB_PLL1_LD, RB_PLL2_LD_LOST, RB_PLL2_LD
          5. 8.6.2.9.5 RB_DAC_VALUE (MSB), RB_CLKinX_SEL, RB_CLKinX_LOS
          6. 8.6.2.9.6 RB_DAC_VALUE
          7. 8.6.2.9.7 RB_HOLDOVER
          8. 8.6.2.9.8 SPI_LOCK
  9. Application and Implementation
    1. 9.1 Application Information
      1. 9.1.1 Digital Lock Detect Frequency Accuracy
        1. 9.1.1.1 Minimum Lock Time Calculation Example
      2. 9.1.2 Driving CLKin AND OSCin Inputs
        1. 9.1.2.1 Driving CLKin and OSCin PINS With a Differential Source
        2. 9.1.2.2 Driving CLKin Pins With a Single-Ended Source
      3. 9.1.3 OSCin Doubler for Best Phase Noise Performance
    2. 9.2 Typical Application
      1. 9.2.1 Design Requirements
      2. 9.2.2 Detailed Design Procedure
        1. 9.2.2.1 Device Selection
          1. 9.2.2.1.1 Clock Architect
        2. 9.2.2.2 Device Configuration and Simulation
        3. 9.2.2.3 Device Programming
      3. 9.2.3 Application Curves
    3. 9.3 Do's and Don'ts
      1. 9.3.1 Pin Connection Recommendations
  10. 10Power Supply Recommendations
    1. 10.1 Current Consumption
  11. 11Layout
    1. 11.1 Layout Guidelines
      1. 11.1.1 Thermal Management
    2. 11.2 Layout Example
  12. 12器件和文档支持
    1. 12.1 器件支持
      1. 12.1.1 开发支持
        1. 12.1.1.1 时钟架构
        2. 12.1.1.2 PLLatinum 仿真
        3. 12.1.1.3 TICS Pro
    2. 12.2 社区资源
    3. 12.3 商标
    4. 12.4 静电放电警告
    5. 12.5 术语表
  13. 13机械、封装和可订购信息

封装选项

机械数据 (封装 | 引脚)
散热焊盘机械数据 (封装 | 引脚)
订购信息

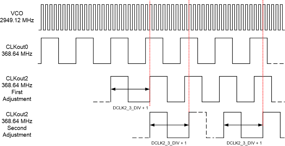
Single and Multiple Dynamic Digital Delay Example

In this example, two separate adjustments are made to the device clocks. In the first adjustment, a single delay of 1 VCO cycle occurs between CLKout2 and CLKout0. In the second adjustment, two delays of 1 VCO cycle occur between CLKout2 and CLKout0. At this point in the example, CLKout2 is delayed 3 VCO cycles behind CLKout0.

Assuming the device already has the following initial configurations:

  • VCO frequency: 2949.12 MHz
  • CLKout0 = 368.64 MHz, DCLK0_1_DIV = 8
  • CLKout2 = 368.64 MHz, DCLK2_3_DIV = 8

The following steps illustrate the example above:

  1. Set DCLK2_3_DDLY = 4. First part of delay for CLKout2.
  2. Set DCLK2_3_DDLY_PD = 0. Enable the digital delay for CLKout2.
  3. Set DDLYd0_EN = 0 and DDLYd2_EN = 1. Enable dynamic digital delay for CLKout2 but not CLKout0.
  4. Set DDLYd_STEP_CNT = 1. This begins the first adjustment.

Before step 4, CLKout2 clock edge is aligned with CLKout0.

After step 4, CLKout2 counts nine clock distribution path cycles to the next rising edge, one greater than the divider value, effectively delaying CLKout2 by one VCO cycle with respect to CLKout0. This is the first adjustment.

5. Set DDLYd_STEP_CNT = 2. This begins the second adjustment.

Before step 5, CLKout2 clock edge was delayed 1 clock distribution path cycle from DCLKout0.

After step 5, CLKout2 counts nine clock distribution path cycles twice, each time one greater than the divide value, effectively delaying CLKout2 by two clock distribution path cycles with respect to CLKout0.This is the second adjustment.

LMK04832 ti_dynamic_ddly_example.gifFigure 10. Single and Multiple Adjustment Dynamic Digital Delay Example