ZHCSID0D April   2016  – June 2018 LMH1226

PRODUCTION DATA.  

  1. 特性
  2. 应用
  3. 说明
    1.     Device Images
      1.      简化框图
  4. 修订历史记录
  5. Pin Configuration and Functions
    1.     Pin Functions
  6. Specifications
    1. 6.1 Absolute Maximum Ratings
    2. 6.2 ESD Ratings
    3. 6.3 Recommended Operating Conditions
    4. 6.4 Thermal Information
    5. 6.5 Electrical Characteristics
    6. 6.6 Recommended SMBus Interface AC Timing Specifications
    7. 6.7 Serial Parallel Interface (SPI) AC Timing Specifications
    8. 6.8 Typical Characteristics
  7. Detailed Description
    1. 7.1 Overview
    2. 7.2 Functional Block Diagram
    3. 7.3 Feature Description
      1. 7.3.1 4-Level Input Configuration Pins
      2. 7.3.2 Input Carrier Detect
      3. 7.3.3 Continuous Time Linear Equalizer (CTLE)
        1. 7.3.3.1 Adaptive PCB Trace Equalizer (IN1±)
      4. 7.3.4 Input-Output Mux Selection
      5. 7.3.5 Clock and Data Recovery (CDR) Reclocker
      6. 7.3.6 Internal Eye Opening Monitor (EOM)
      7. 7.3.7 Output Function Control
      8. 7.3.8 Output Driver Amplitude and De-Emphasis Control
      9. 7.3.9 Status Indicators and Interrupts
        1. 7.3.9.1 LOCK_N (Lock Indicator)
        2. 7.3.9.2 CD_N (Carrier Detect)
        3. 7.3.9.3 INT_N (Interrupt)
    4. 7.4 Device Functional Modes
      1. 7.4.1 System Management Bus (SMBus) Mode
        1. 7.4.1.1 SMBus Read and Write Transactions
          1. 7.4.1.1.1 SMBus Write Operation Format
          2. 7.4.1.1.2 SMBus Read Operation Format
      2. 7.4.2 Serial Peripheral Interface (SPI) Mode
        1. 7.4.2.1 SPI Read and Write Transactions
          1. 7.4.2.1.1 SPI Write Transaction Format
          2. 7.4.2.1.2 SPI Read Transaction Format
        2. 7.4.2.2 SPI Daisy Chain
    5. 7.5 LMH1226 Register Map
      1. 7.5.1 Share Register Page
      2. 7.5.2 CTLE/CDR Register Page
      3. 7.5.3 Drivers Register Page
  8. Application and Implementation
    1. 8.1 Application Information
      1. 8.1.1 General Guidance for SMPTE and 10 GbE Applications
      2. 8.1.2 LMH1219 and LMH1226 Compatibility
    2. 8.2 Typical Application
      1. 8.2.1 Design Requirements
      2. 8.2.2 Detailed Design Procedure
      3. 8.2.3 Recommended VOD and DEM Register Settings
      4. 8.2.4 Application Performance Plots
  9. Power Supply Recommendations
  10. 10Layout
    1. 10.1 PCB Layout Guidelines
    2. 10.2 Layout Example
  11. 11器件和文档支持
    1. 11.1 接收文档更新通知
    2. 11.2 社区资源
    3. 11.3 商标
    4. 11.4 静电放电警告
    5. 11.5 术语表
  12. 12机械、封装和可订购信息

封装选项

机械数据 (封装 | 引脚)
散热焊盘机械数据 (封装 | 引脚)
订购信息

Power Supply Recommendations

The LMH1226 is designed to provide flexibility in supply rails. There are two ways to power the LMH1226:

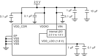
  • Single Supply Mode (2.5 V): This mode offers ease of use, with the internal circuitry receiving power from the on-chip 1.8 V regulator. In this mode, 2.5 V is applied to VDD_CDR, VIN, and VDDIO. See Figure 27 for more details.
  • Dual Supply Mode (2.5 V and 1.8 V): This mode provides lower power consumption. In this mode, 1.8 V is connected to both VIN and VDD_LDO. VDD_CDR, and VDDIO are powered from a 2.5 V supply. See Figure 28 for more details.
  • When Dual Supply Mode is used, the 2.5 V supply for VDD_CDR and VDDIO should be powered before or at the same time as the 1.8 V supply that powers VIN and VDD_LDO.
LMH1226 single_2p5v_example_snls475.gifFigure 27. Typical Connection for Single 2.5 V Supply
LMH1226 dual_supply_connection_diagram_snls475.gifFigure 28. Typical Connection for Dual 2.5 V and 1.8 V Supply

For power supply de-coupling, 0.1-μF surface-mount ceramic capacitors are recommended to be placed close to each VDD_CDR, VIN, VDD_LDO, and VDDIO supply pin to VSS. Larger bulk capacitors (for example, 10 µF and 1 µF) are recommended for VDD_CDR and VIN. Good supply bypassing requires low inductance capacitors. This can be achieved through an array of multiple small body size surface-mount bypass capacitors in order to keep low supply impedance. Better results can be achieved through the use of a buried capacitor formed by a VDD and VSS plane separated by 2-4 mil dielectric in a printed circuit board.