ZHCSJ83G August   2004  – August 2019 LM95071

PRODUCTION DATA.  

  1. 特性
  2. 应用
  3. 说明
    1.     Device Images
      1.      温度监控器应用
  4. 修订历史记录
  5. Pin Configuration and Functions
    1.     Pin Function
  6. Specifications
    1. 6.1 Absolute Maximum Ratings
    2. 6.2 ESD Ratings
    3. 6.3 Recommended Operating Ratings
    4. 6.4 Thermal Information
    5. 6.5 Temperature-to-Digital Converter Characteristics
    6. 6.6 Logic Electrical Characteristics - Digital DC Characteristics
    7. 6.7 Logic Electrical Characteristics - Serial Bus Digital Switching Characteristics
    8. 6.8 Timing Diagrams
    9. 6.9 Typical Characteristics
  7. Parameter Measurement Information
  8. Detailed Description
    1. 8.1 Overview
    2. 8.2 Functional Block Diagram
    3. 8.3 Feature Description
      1. 8.3.1 Power Up and Power Down
      2. 8.3.2 Temperature Data Format
      3. 8.3.3 Tight Accuracy, Fine Resolution and Low Noise
    4. 8.4 Device Functional Modes
      1. 8.4.1 Shutdown Mode/Manufacturer ID
    5. 8.5 Programming
      1. 8.5.1 Serial Bus Interface
      2. 8.5.2 Serial Bus Timing Diagrams
    6. 8.6 Register Maps
      1. 8.6.1 Internal Register Structure
        1. 8.6.1.1 Configuration Register
        2. 8.6.1.2 Temperature Register
        3. 8.6.1.3 Manufacturer/Device ID Register
  9. 器件和文档支持
    1. 9.1 接收文档更新通知
    2. 9.2 社区资源
    3. 9.3 商标
    4. 9.4 静电放电警告
    5. 9.5 Glossary
  10. 10机械、封装和可订购信息

封装选项

机械数据 (封装 | 引脚)
散热焊盘机械数据 (封装 | 引脚)
订购信息

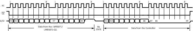
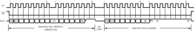
Serial Bus Timing Diagrams

LM95071 20106514.gifFigure 10. Reading Continuous Conversion - Single Eight-Bit Frame
LM95071 20106515.gifFigure 11. Reading Continuous Conversion - Two Eight-Bit Frames
LM95071 20106518.gifFigure 12. Writing Shutdown Mode
LM95071 20106522.gifFigure 13. Writing Conversion Mode