SNIS153D July   2009  – October 2015 LM75B

PRODUCTION DATA.  

  1. Features
  2. Applications
  3. Description
  4. Revision History
  5. Pin Configuration and Functions
  6. Specifications
    1. 6.1 Absolute Maximum Ratings
    2. 6.2 ESD Ratings
    3. 6.3 Recommended Operating Conditions
    4. 6.4 Thermal Information
    5. 6.5 Temperature-to-Digital Converter Characteristics
    6. 6.6 Digital DC Characteristics
    7. 6.7 I2C Digital Switching Characteristics
    8. 6.8 Typical Characteristics
  7. Detailed Description
    1. 7.1 Overview
    2. 7.2 Functional Block Diagram
    3. 7.3 Feature Description
      1. 7.3.1 Digital Temperature Sensor
    4. 7.4 Device Functional Modes
    5. 7.5 Programming
      1. 7.5.1 I2C Bus Interface
      2. 7.5.2 Temperature Data Format
      3. 7.5.3 Shutdown Mode
      4. 7.5.4 Fault Queue
      5. 7.5.5 Comparator and Interrupt Mode
      6. 7.5.6 O.S. Output
      7. 7.5.7 O.S. Polarity
      8. 7.5.8 Internal Register Structure
    6. 7.6 Register Maps
      1. 7.6.1 Pointer Register (Selects Which Registers Will Be Read From or Written to):
      2. 7.6.2 Temperature Register (Read Only):
      3. 7.6.3 Configuration Register (Read/Write):
      4. 7.6.4 THYST and TOS Register (Read/Write):
  8. Application and Implementation
    1. 8.1 Application Information
    2. 8.2 Typical Application
      1. 8.2.1 Simple Fan Controller, Interface Optional
        1. 8.2.1.1 Design Requirements
        2. 8.2.1.2 Detailed Design Procedure
        3. 8.2.1.3 Application Curve
    3. 8.3 System Examples
      1. 8.3.1 Simple Thermostat, Interface Optional
      2. 8.3.2 Temperature Sensor with Loudmouth Alarm (Barking Watchdog)
  9. Power Supply Recommendations
  10. 10Layout
    1. 10.1 Layout Guidelines
      1. 10.1.1 Digital Noise Issues
    2. 10.2 Layout Example
  11. 11Device and Documentation Support
    1. 11.1 Related Links
    2. 11.2 Community Resources
    3. 11.3 Trademarks
    4. 11.4 Electrostatic Discharge Caution
    5. 11.5 Glossary
  12. 12Mechanical, Packaging, and Orderable Information

封装选项

机械数据 (封装 | 引脚)
散热焊盘机械数据 (封装 | 引脚)
订购信息

10 Layout

10.1 Layout Guidelines

To achieve the expected results when measuring temperature with an integrated circuit temperature sensor like the LM75, it is important to understand that the sensor measures its own die temperature. For the LM75, the best thermal path between the die and the outside world is through the LM75's pins. In the VSSOP package for the LM75B and LM75C, the GND pin is directly connected to the die, so the GND pin provides the best thermal path. If the other pins are at different temperatures (unlikely, but possible), they will affect the die temperature, but not as strongly as the GND pin. In the SOIC package, none of the pins is directly connected to the die, so they will all contribute similarly to the die temperature. Because the pins represent a good thermal path to the LM75 die, the LM75 will provide an accurate measurement of the temperature of the printed circuit board on which it is mounted. There is a less efficient thermal path between the plastic package and the LM75 die. If the ambient air temperature is significantly different from the printed circuit board temperature, it will have a small effect on the measured temperature.

In probe-type applications, the LM75 can be mounted inside a sealed-end metal tube, and can then be dipped into a bath or screwed into a threaded hole in a tank. As with any IC, the LM75 and accompanying wiring and circuits must be kept insulated and dry, to avoid leakage and corrosion. This is especially true if the circuit may operate at cold temperatures where condensation can occur. Printed-circuit coatings and varnishes such as Humiseal and epoxy paints or dips are often used to insure that moisture cannot corrode the LM75 or its connections.

10.1.1 Digital Noise Issues

The LM75B features an integrated low-pass filter on both the SCL and the SDA digital lines to mitigate the effects of bus noise. Although this filtering makes the LM75B communication robust in noisy environments, good layout practices are always recommended. Minimize noise coupling by keeping digital traces away from switching power supplies. Also, ensure that digital lines containing high-speed data communications cross at right angles to the SDA and SCL lines.

Excessive noise coupling into the SDA and SCL lines on the LM75C-specifically noise with amplitude greater than 400 mVpp (the LM75’s typical hysteresis), overshoot greater than 300 mV above +Vs, and undershoot more than 300 mV below GND-may prevent successful serial communication with the LM75C. Serial bus no-acknowledge is the most common symptom, causing unnecessary traffic on the bus. The layout procedures mentioned above apply also to the LM75C. Although the serial bus maximum frequency of communication is only 400 kHz, care must be taken to ensure proper termination within a system with long printed circuit board traces or multiple parts on the bus. Resistance can be added in series with the SDA and SCL lines to further help filter noise and ringing. A 5 kΩ resistor should be placed in series with the SCL line, placed as close as possible to the SCL pin on the LM75C. This 5 kΩ resistor, with the 5 pF to 10 pF stray capacitance of the LM75 provides a 6 MHz to 12 MHz low pass filter, which is sufficient filtering in most cases.

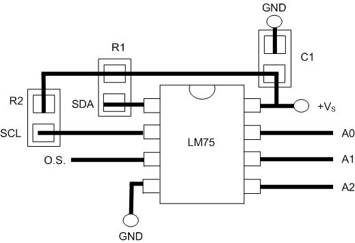
10.2 Layout Example

LM75B LM75C LM75.gif Figure 16. Typical Layout