ZHCSGU1C September   2017  – October 2021 LM5150-Q1

PRODUCTION DATA  

  1. 特性
  2. 应用
  3. 说明
  4. Revision History
  5. Device Comparison Table
  6. Pin Configuration and Functions
  7. Specifications
    1. 7.1 Absolute Maximum Ratings
    2. 7.2 ESD Ratings
    3. 7.3 Recommended Operating Conditions
    4. 7.4 Thermal Information
    5. 7.5 Electrical Characteristics
    6. 7.6 Typical Characteristics
  8. Detailed Description
    1. 8.1 Overview
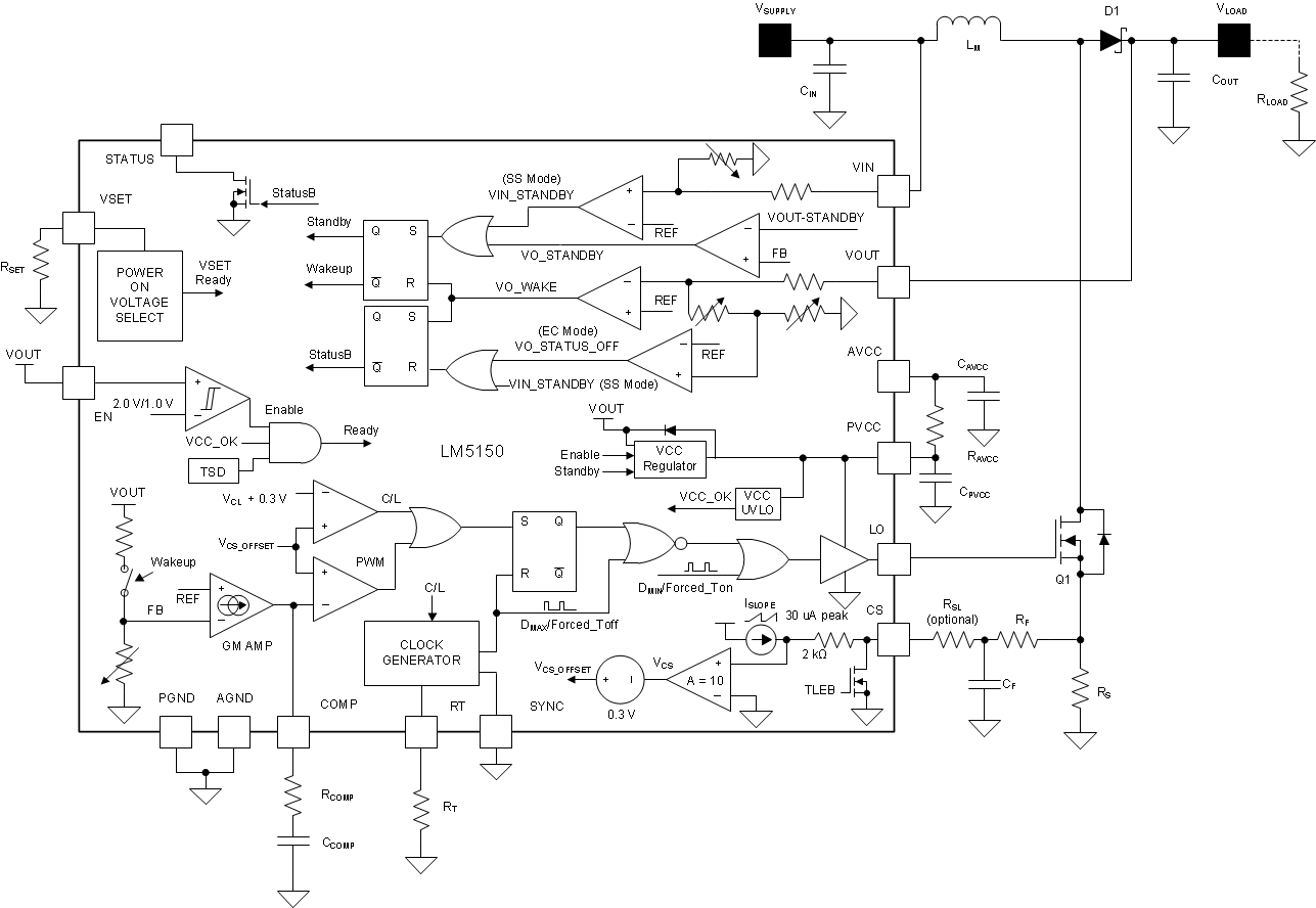
    2. 8.2 Functional Block Diagram
    3. 8.3 Feature Description
      1. 8.3.1  Enable (EN Pin)
      2. 8.3.2  High Voltage VCC Regulator (PVCC, AVCC Pin)
      3. 8.3.3  Power-On Voltage Selection (VSET Pin)
      4. 8.3.4  Switching Frequency (RT Pin)
      5. 8.3.5  Clock Synchronization (SYNC Pin in SS Configuration)
      6. 8.3.6  Current Sense, Slope Compensation, and PWM (CS Pin)
      7. 8.3.7  Current Limit (CS Pin)
      8. 8.3.8  Feedback and Error Amplifier (COMP Pin)
      9. 8.3.9  Automatic Wake-Up and Standby
      10. 8.3.10 Boost Status Indicator (STATUS Pin)
      11. 8.3.11 Maximum Duty Cycle Limit, Minimum Input Supply Voltage
      12. 8.3.12 MOSFET Driver (LO Pin)
      13. 8.3.13 Thermal Shutdown
    4. 8.4 Device Functional Modes
      1. 8.4.1 Shutdown Mode
      2. 8.4.2 Standby Mode
      3. 8.4.3 Wake-Up Mode
        1. 8.4.3.1 Start-Stop Configuration (SS Configuration)
        2. 8.4.3.2 Emergency-Call Configuration (EC Configuration)
  9. Application and Implementation
    1. 9.1 Application Information
      1. 9.1.1 Bypass Switch / Disconnection Switch Control
      2. 9.1.2 Loop Response
    2. 9.2 Typical Application
      1. 9.2.1 Design Requirements
      2. 9.2.2 Detailed Design Procedure
        1. 9.2.2.1  Custom Design With WEBENCH® Tools
        2. 9.2.2.2  RSET Resistor
        3. 9.2.2.3  RT Resistor
        4. 9.2.2.4  Inductor Selection (LM)
        5. 9.2.2.5  Current Sense (RS)
        6. 9.2.2.6  Slope Compensation Ramp (RSL)
        7. 9.2.2.7  Output Capacitor (COUT)
        8. 9.2.2.8  Loop Compensation Component Selection and Maximum ESR
        9. 9.2.2.9  PVCC Capacitor, AVCC Capacitor, and AVCC Resistor
        10. 9.2.2.10 VOUT Filter (CVOUT, RVOUT)
        11. 9.2.2.11 Input Capacitor
        12. 9.2.2.12 MOSFET Selection
        13. 9.2.2.13 Diode Selection
        14. 9.2.2.14 Efficiency Estimation
      3. 9.2.3 Application Curves
    3. 9.3 System Examples
      1. 9.3.1 Lower Standby Threshold in SS Configuration
      2. 9.3.2 Dithering Using Dither Enabled Device
      3. 9.3.3 Clock Synchronization With LM5140
      4. 9.3.4 Dynamic Frequency Change
      5. 9.3.5 Dithering Using an External Clock
  10. 10Power Supply Recommendations
  11. 11Layout
    1. 11.1 Layout Guidelines
    2. 11.2 Layout Example
  12. 12Device and Documentation Support
    1. 12.1 Device Support
      1. 12.1.1 第三方产品免责声明
      2. 12.1.2 Development Support
        1. 12.1.2.1 Custom Design With WEBENCH® Tools
    2. 12.2 接收文档更新通知
    3. 12.3 支持资源
    4. 12.4 Trademarks
    5. 12.5 Electrostatic Discharge Caution
    6. 12.6 术语表
  13. 13Mechanical, Packaging, and Orderable Information

封装选项

请参考 PDF 数据表获取器件具体的封装图。

机械数据 (封装 | 引脚)
  • RUM|16
散热焊盘机械数据 (封装 | 引脚)
订购信息

Functional Block Diagram

GUID-803D6FAC-451B-4828-819D-1E863D80CC43-low.gif