ZHCSFB5D July   2016  – December 2017 LM5141-Q1

PRODUCTION DATA.  

  1. 特性
  2. 应用
  3. 说明
    1.     Device Images
      1.      简化原理图
  4. 修订历史记录
  5. Pin Configuration and Functions
    1.     Pin Functions
  6. Specifications
    1. 6.1 Absolute Maximum Ratings
    2. 6.2 ESD Ratings
    3. 6.3 Recommended Operating Conditions
    4. 6.4 Thermal Information
    5. 6.5 Electrical Characteristics
    6. 6.6 Switching Characteristics
    7. 6.7 Typical Characteristics
  7. Detailed Description
    1. 7.1 Overview
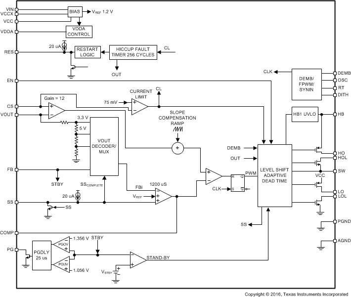
    2. 7.2 Functional Block Diagram
    3. 7.3 Feature Description
      1. 7.3.1  High Voltage Start-up Regulator
      2. 7.3.2  VCC Regulator
      3. 7.3.3  Oscillator
      4. 7.3.4  Synchronization
      5. 7.3.5  Frequency Dithering (Spread Spectrum)
      6. 7.3.6  Enable
      7. 7.3.7  Power Good
      8. 7.3.8  Output Voltage
        1. 7.3.8.1 Minimum Output Voltage Adjustment
      9. 7.3.9  Current Sense
      10. 7.3.10 DCR Current Sensing
      11. 7.3.11 Error Amplifier and PWM Comparator
      12. 7.3.12 Slope Compensation
      13. 7.3.13 Hiccup Mode Current Limiting
      14. 7.3.14 Standby Mode
      15. 7.3.15 Soft Start
      16. 7.3.16 Diode Emulation
      17. 7.3.17 High- and Low-Side Drivers
  8. Application and Implementation
    1. 8.1 Application Information
    2. 8.2 Typical Application
      1. 8.2.1 Design Requirements
      2. 8.2.2 Detailed Design Procedure
        1. 8.2.2.1 Custom Design With WEBENCH® Tools
        2. 8.2.2.2 Inductor Calculation
        3. 8.2.2.3 Current Sense Resistor
        4. 8.2.2.4 Output Capacitor
        5. 8.2.2.5 Input Filter
          1. 8.2.2.5.1 EMI Filter Design
          2. 8.2.2.5.2 MOSFET Selection
          3. 8.2.2.5.3 Driver Slew-Rate Control
          4. 8.2.2.5.4 Frequency Dithering
        6. 8.2.2.6 Control Loop
          1. 8.2.2.6.1 Feedback Compensator
      3. 8.2.3 Application Curves
  9. Power Supply Recommendations
  10. 10Layout
    1. 10.1 Layout Guidelines
      1. 10.1.1 Layout Procedure
    2. 10.2 Layout Examples
  11. 11器件和文档支持
    1. 11.1 使用 WEBENCH® 工具创建定制设计
    2. 11.2 接收文档更新通知
    3. 11.3 社区资源
    4. 11.4 商标
    5. 11.5 静电放电警告
    6. 11.6 Glossary
  12. 12机械、封装和可订购信息

封装选项

请参考 PDF 数据表获取器件具体的封装图。

机械数据 (封装 | 引脚)
  • RGE|24
散热焊盘机械数据 (封装 | 引脚)
订购信息

Functional Block Diagram

LM5141-Q1 fbd_snvsaj6.gif