ZHCS571I August   2010  – April  2018 LM5119

PRODUCTION DATA.  

  1. 特性
  2. 应用
  3. 说明
    1.     Device Images
      1.      简化应用电路
  4. 修订历史记录
  5. Pin Configuration and Functions
    1.     Pin Functions
  6. Specifications
    1. 6.1 Absolute Maximum Ratings
    2. 6.2 ESD Ratings
    3. 6.3 Recommended Operating Conditions
    4. 6.4 Thermal Information
    5. 6.5 Electrical Characteristics
    6. 6.6 Switching Characteristics
    7. 6.7 Typical Characteristics
  7. Detailed Description
    1. 7.1 Overview
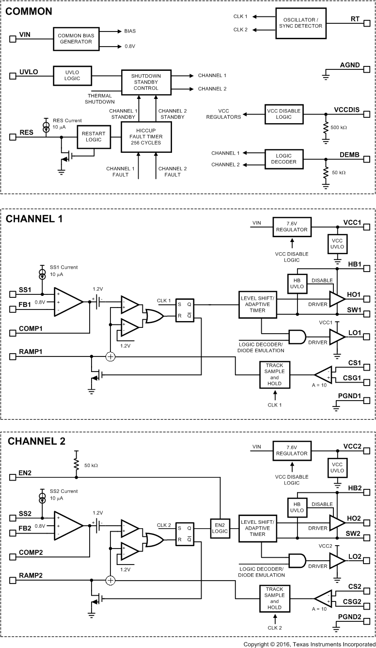
    2. 7.2 Functional Block Diagram
    3. 7.3 Feature Description
      1. 7.3.1  High Voltage Start-Up Regulator
      2. 7.3.2  UVLO
      3. 7.3.3  Enable 2
      4. 7.3.4  Oscillator and Sync Capability
      5. 7.3.5  Error Amplifiers and PWM Comparators
      6. 7.3.6  Ramp Generator
      7. 7.3.7  Current Limit
      8. 7.3.8  Hiccup Mode Current Limiting
      9. 7.3.9  Soft Start
      10. 7.3.10 HO and LO Output Drivers
      11. 7.3.11 Maximum Duty Cycle
      12. 7.3.12 Thermal Protection
    4. 7.4 Device Functional Modes
      1. 7.4.1 Diode Emulation
  8. Application and Implementation
    1. 8.1 Application Information
      1. 8.1.1 Miscellaneous Functions
      2. 8.1.2 Interleaved Two-Phase Operation
      3. 8.1.3 Interleaved 4-Phase Operation
    2. 8.2 Typical Applications
      1. 8.2.1 Dual-output Design Example
        1. 8.2.1.1 Design Requirements
        2. 8.2.1.2 Detailed Design Procedure
          1. 8.2.1.2.1  Timing Resistor
          2. 8.2.1.2.2  Output Inductor
          3. 8.2.1.2.3  Current Sense Resistor
          4. 8.2.1.2.4  Ramp Resistor and Ramp Capacitor
          5. 8.2.1.2.5  Output Capacitors
          6. 8.2.1.2.6  Input Capacitors
          7. 8.2.1.2.7  VCC Capacitor
          8. 8.2.1.2.8  Bootstrap Capacitor
          9. 8.2.1.2.9  Soft-Start Capacitor
          10. 8.2.1.2.10 Restart Capacitor
          11. 8.2.1.2.11 Output Voltage Divider
          12. 8.2.1.2.12 UVLO Divider
            1. 8.2.1.2.12.1 MOSFET Selection
          13. 8.2.1.2.13 MOSFET Snubber
          14. 8.2.1.2.14 Error Amplifier Compensation
        3. 8.2.1.3 Application Curves
      2. 8.2.2 Two-Phase Design Example
        1. 8.2.2.1 Design Requirements
        2. 8.2.2.2 Detailed Design Procedure
        3. 8.2.2.3 Application Curves
  9. Power Supply Recommendations
  10. 10Layout
    1. 10.1 Layout Guidelines
      1. 10.1.1 Switching Jitter Root Causes and Solutions
    2. 10.2 Layout Example
  11. 11器件和文档支持
    1. 11.1 接收文档更新通知
    2. 11.2 社区资源
    3. 11.3 商标
    4. 11.4 静电放电警告
    5. 11.5 术语表
  12. 12机械、封装和可订购信息

封装选项

机械数据 (封装 | 引脚)
散热焊盘机械数据 (封装 | 引脚)
订购信息

Functional Block Diagram

LM5119 30124010.gif