ZHCS558H June 2011 – July 2014 LM5066
PRODUCTION DATA.
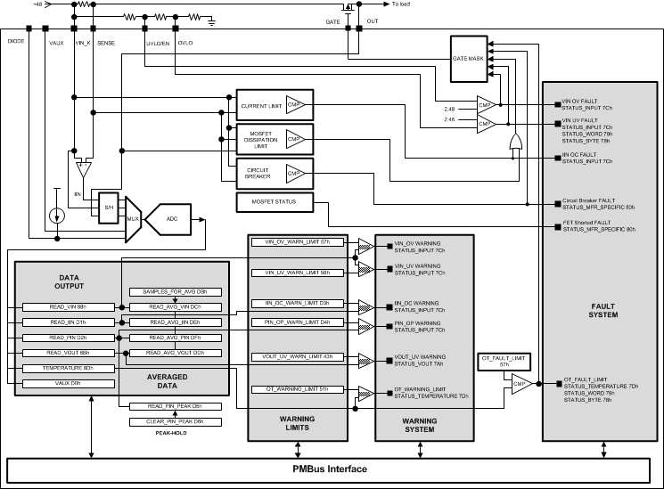
The inline protection functionality of the LM5066 is designed to control the in-rush current to the load after insertion of a circuit card into a live backplane or other “hot” power source, thereby limiting the voltage sag on the backplane’s supply voltage and the dV/dt of the voltage applied to the load. The effects on other circuits in the system are minimized by preventing possible unintended resets. When the circuit card is removed, a controlled shutdown can be implemented using the LM5066.
In addition to a programmable current limit, the LM5066 monitors and limits the maximum power dissipation in the series-pass device to maintain operation within the device safe operating area (SOA). Either current limiting or power limiting for an extended period of time results in the shutdown of the series-pass device. In this event, the LM5066 can latch off or repetitively retry based on the hardware setting of the RETRY pin. When started, the number of retries can be set to none, 1, 2, 4, 8, 16, or infinite. The circuit breaker function quickly switches off the series-pass device upon detection of a severe overcurrent condition. Programmable undervoltage lockout (UVLO) and overvoltage lockout (OVLO) circuits shut down the LM5066 when the system input voltage is outside the desired operating range.
The telemetry capability of the LM5066 provides intelligent monitoring of the input voltage, output voltage, input current, input power, temperature, and an auxiliary input. The LM5066 also provides a peak capture of the input power and programmable hardware averaging of the input voltage, current, power, and output voltage. Warning thresholds which trigger the SMBA pin may be programmed for input and output voltage, current, power, and temperature through the PMBus interface. Additionally, the LM5066 is capable of detecting damage to the external MOSFET, Q1.

The current limit threshold is reached when the voltage across the sense resistor RSNS (VIN_K to SENSE) exceeds the ILIM threshold (26 mV if CL = VDD and 50 mV if CL = GND). In the current limiting condition, the GATE voltage is controlled to limit the current in MOSFET Q1. While the current limit circuit is active, the fault timer is active as described in the Fault Timer and Restart section. If the load current falls below the current limit threshold before the end of the Fault Timeout Period, the LM5066 resumes usual operation. If the current limit condition persists for longer than the Fault Timeout Period set by CT, the IIN OC Fault bit in the STATUS_INPUT (7Ch) register, the INPUT bit in the STATUS_WORD (79h) register, and IIN_OC/PFET_OP_FAULT bit in the DIAGNOSTIC_WORD (E1h) register is toggled high and SMBA pin is asserted. SMBA toggling can be disabled using the ALERT_MASK (D8h) register. For proper operation, the RSNS resistor value should be no higher than 200 mΩ. Higher values may create instability in the current limit control loop. The current limit threshold pin value may be overridden by setting appropriate bits in the DEVICE_SETUP register (D9h).
If the load current increases rapidly (for example, the load is short circuited), the current in the sense resistor (RS) may exceed the current limit threshold before the current limit control loop is able to respond. If the current exceeds 1.94x or 3.87x (CL = GND) the current limit threshold, Q1 is quickly switched off by the 160-mA pulldown current at the GATE pin and a Fault Timeout Period begins. When the voltage across RSNS falls below the circuit breaker (CB) threshold, the 115-mA pulldown current at the GATE pin is switched off, and the gate voltage of Q1 is then determined by the current limit or the power limit functions. If the TIMER pin reaches 3.9 V before the current limiting or power limiting condition ceases, Q1 is switched off by the 4.2-mA pulldown current at the GATE pin as described in the Fault Timer and Restart section. A circuit breaker event causes the CIRCUIT BREAKER FAULT bit in the STATUS_OTHER (7Fh), STATUS_MFR_SPECIFIC (80h), and DIAGNOSTIC_WORD (E1h) registers to be toggled high and SMBA pin are asserted unless this feature is disabled using the ALERT_MASK (D8h) register. The circuit breaker pin configuration may be overridden by setting appropriate bits in the DEVICE_SETUP (D9h) register.
An important feature of the LM5066 is the MOSFET power limiting. The Power Limit function can be used to maintain the maximum power dissipation of MOSFET Q1 within the device SOA rating. The LM5066 determines the power dissipation in Q1 by monitoring its drain-source voltage (SENSE to OUT), and the drain current through the RSNS (VIN_K to SENSE). The product of the current and voltage is compared to the power limit threshold programmed by the resistor at the PWR pin. If the power dissipation reaches the limiting threshold, the GATE voltage is modulated to regulate the current in Q1. While the power limiting circuit is active, the fault timer is active as described in the Fault Timer and Restart section. If the power limit condition persists for longer than the Fault Timeout Period set by the timer capacitor, CT, the IIN OC Fault bit in the STATUS_INPUT (7Ch) register, the INPUT bit in the STATUS_WORD (79h) register, and the IIN_OC/PFET_OP_FAULT bit in the DIAGNOSTIC_WORD (E1h) register is toggled high and SMBA pin is asserted unless this feature is disabled using the ALERT_MASK (D8h) register.
The series-pass MOSFET (Q1) is enabled when the input supply voltage (VIN) is within the operating range defined by the programmable UVLO and OVLO levels. Typically the UVLO level at VIN is set with a resistor divider. Referring to the Functional Block Diagram when VIN is below the UVLO level, the internal 20-µA current source at UVLO is enabled, the current source at OVLO is off, and Q1 is held off by the 4.2-mA pulldown current at the GATE pin. As VIN is increased, raising the voltage at UVLO above its threshold the 20 µA current source at UVLO is switched off, increasing the voltage at UVLO, providing hysteresis for this threshold. With the UVLO/EN pin above its threshold, Q1 is switched on by the 20-µA current source at the GATE pin if the insertion time delay has expired.
See the Application and Implementation section for a procedure to calculate the values of the threshold setting resistors. The minimum possible UVLO level at VIN can be set by connecting the UVLO/EN pin to VIN. In this case, Q1 is enabled after the insertion time when the voltage at VIN reaches the POR threshold. After power-up, an UVLO condition causes the INPUT bit in the STATUS_WORD (79h) register, the VIN_UV_FAULT bit in the STATUS_INPUT (7Ch) register, and the VIN_UNDERVOLTAGE_FAULT bit in the DIAGNOSTIC_WORD (E1h) registers to be toggled high and SMBA pin is pulled low unless this feature is disabled using the ALERT_MASK (D8h) register.
The series-pass MOSFET (Q1) is enabled when the input supply voltage (VIN) is within the operating range defined by the programmable UVLO and OVLO levels. If VIN raises the OVLO pin voltage above its threshold, Q1 is switched off by the 4.2-mA pulldown current at the GATE pin, denying power to the load. When the OVLO pin is above its threshold, the internal 21-µA current source at OVLO is switched on, raising the voltage at OVLO to provide threshold hysteresis. When VIN is reduced below the OVLO level Q1 is re-enabled. An OVLO condition toggles the VIN_OV_FAULT bit in the STATUS_INPUT (7Ch) register, the INPUT bit in the STATUS_WORD (79h) register and the VIN_OVERVOLTAGE_FAULT bit in the DIAGNOSTIC_WORD (E1h) register. The SMBA pin is pulled low unless this feature is disabled using the ALERT_MASK (D8h) register.
See the Application and Implementation section for a procedure to calculate the threshold setting resistor values.
The Power Good indicator pin (PGD) is connected to the drain of an internal N-channel MOSFET capable of sustaining 80 V in the off-state, and transients up to 100 V. An external pullup resistor is required at PGD to an appropriate voltage to indicate the status to downstream circuitry. The off-state voltage at the PGD pin can be higher or lower than the voltages at VIN and OUT. PGD is switched high when the voltage at the FB pin exceeds the PGD threshold voltage. Typically, the output voltage threshold is set with a resistor divider from output to feedback, although the monitored voltage need not be the output voltage. Any other voltage can be monitored as long as the voltage at the FB pin does not exceed its maximum rating. Referring to the Functional Block Diagram, when the voltage at the FB pin is below its threshold, the 20-µA current source at FB is disabled. As the output voltage increases, taking FB above its threshold, the current source is enabled, sourcing current out of the pin, raising the voltage at FB to provide threshold hysteresis. The PGD output is forced low when either the UVLO/EN pin is below its threshold or the OVLO pin is above its threshold. The status of the PGD pin can be read through the PMBus interface in either the STATUS_WORD (79h) or DIAGNOSTIC_WORD (E1h) registers.
The LM5066 contains an internal linear sub-regulator, which steps down the input voltage to generate a 4.9-V rail used for powering low voltage circuitry. The VDD sub-regulator should be used as the pullup supply for the CL, RETRY, ADR2, ADR1, and ADR0 pins if they are to be tied high. It may also be used as the pullup supply for the PGD and the SMBus signals (SDA, SCL, and SMBA). The VDD sub-regulator is not designed to drive high currents and should not be loaded with other integrated circuits. The VDD pin is current limited to 30 mA in order to protect the LM5066 in the event of a short. The sub-regulator requires a ceramic bypass capacitance having a value of 1 µF or greater to be placed as close to the VDD pin as the PCB layout allows.
The LM5066 is designed to measure temperature remotely using an MMBT3904 NPN transistor. The base and collector of the MMBT3904 should be connected to the DIODE pin and the emitter to the LM5066 ground. Place the MMBT3904 near the device that requires temperature sensing. If the temperature of the hot swap pass MOSFET, Q1, is to be measured, the MMBT3904 should be placed as close to Q1 as the layout allows. The temperature is measured by means of a change in the diode voltage in response to a step in current supplied by the DIODE pin. The DIODE pin sources a constant 9.4 µA, but pulses 250 µA once every millisecond to measure the diode temperature. Take care in the PCB layout to keep the parasitic resistance between the DIODE pin and the MMBT3904 low so as not to degrade the measurement. In addition it is recommended to make a Kelvin connection from the emitter of the MMBT3904 to the GND of the part to ensure an accurate measurement. Additionally, a small 1000-pF bypass capacitor should be placed in parallel with the MMBT3904 to reduce the effects of noise. The temperature can be read using the READ_TEMPERATURE_1 PMBus command (8Dh). The default limits of the LM5066 causes SMBA pin to be pulled low if the measured temperature exceeds 125°C and disables Q1 if the temperature exceeds 150°C. These thresholds can be reprogrammed through the PMBus interface using the OT_WARN_LIMIT (51h) and OT_FAULT_LIMIT (4Fh) commands. If the temperature measurement and protection capability of the LM5066 are not used, the DIODE pin should be grounded.
Erroneous temperature measurements may result when the device input voltage is below the minimum operating voltage (10 V), due to VREF dropping out below the nominal voltage (2.97 V). At higher ambient temperatures, this measurement could read a value higher than the OT_FAULT_LIMIT, and trigger a fault, disabling Q1. In this case, the faults should be removed and the device reset by writing a 0h, followed by an 80h to the OPERATION (03h) register.
The LM5066 is able to detect whether the external MOSFET, Q1, is damaged under certain conditions. If the voltage across the sense resistor exceeds 4 mV while the GATE voltage is low or the internal logic indicates that the GATE should be low, the EXT_MOSFET_SHORTED bit in the STATUS_MFR_SPECIFIC (80h) and DIAGNOSTIC_WORD (E1h) registers are toggled high and the SMBA pin is asserted unless this feature is disabled using the ALERT_MASK register (D8h). This method effectively determines whether Q1 is shorted because of damage present between the drain and gate and/or drain and source.
The VIN operating range of the LM5066 is 10 to 80 V, with a transient capability to 100 V. Referring to the 简化电路原理图 and Figure 22, as the voltage at VIN initially increases, the external N-channel MOSFET (Q1) is held off by an internal 115-mA pulldown current at the GATE pin. The strong pulldown current at the GATE pin prevents an inadvertent turn-on as the gate-to-drain (Miller) capacitance of the MOSFET is charged. Additionally, the TIMER pin is initially held at ground. When the VIN voltage reaches the POR threshold the insertion time begins. During the insertion time, the capacitor at the TIMER pin (CT) is charged by a 4.8-µA current source, and Q1 is held off by a 4.2-mA pulldown current at the GATE pin regardless of the input voltage. The insertion time delay allows ringing and transients at VIN to settle before Q1 is enabled. The insertion time ends when the TIMER pin voltage reaches 3.9 V. CT is then quickly discharged by an internal 1.5-mA pulldown current. The GATE pin then switches on Q1 when VIN exceeds the UVLO threshold. If VIN is above the UVLO threshold at the end of the insertion time, Q1 the GATE pin charge pump sources 20 µA to charge the gate capacitance of Q1. The maximum voltage from the gate to source of the Q1 is limited by an internal 16.5-V Zener diode.
As the voltage at the OUT pin increases, the LM5066 monitors the drain current and power dissipation of MOSFET Q1. In-rush current limiting or power limiting circuits, or both, actively control the current delivered to the load. During the in-rush limiting interval (t2 in Figure 22), an internal 75-µA fault timer current source charges CT. If Q1’s power dissipation and the input current reduce below their respective limiting thresholds before the TIMER pin reaches 3.9 V, the 75-µA current source is switched off, and CT is discharged by the internal 2.5-µA current sink (t3 in Figure 22). The in-rush limiting no longer engages unless a current-limit condition occurs.
If the TIMER pin voltage reaches 3.9 V before in-rush current limiting or power limiting ceases during t2, a fault is declared and Q1 is turned off. See the Fault Timer and Restart section for a complete description of the fault mode.
The LM5066 asserts the SMBA pin after the input voltage has exceeded its POR threshold to indicate that the volatile memory and device settings are in their default state. The CONFIG_PRESET bit within the STATUS_MFR_SPECIFIC register (80h) indicates default configuration of warning thresholds and device operation and remains high until a CLEAR_FAULTS command is received.
Figure 22. Power-Up Sequence (Current Limit Only)
A charge pump provides the voltage at the GATE pin to enhance the N-channel MOSFET’s gate (Q1). During normal operating conditions (t3 in Figure 22), the gate of Q1 is held charged by an internal 20-µA current source. The charge pump peak voltage is roughly 13.5 V, which forces a VGS across Q1 of 13.5 V under normal operation. When the system voltage is initially applied, the GATE pin is held low by a 115-mA pulldown current. This helps prevent an inadvertent turn-on of Q1 through its drain-gate capacitance as the applied system voltage increases.
During the insertion time (t1 in Figure 22) the GATE pin is held low by a 4.2-mA pulldown current. This maintains Q1 in the off-state until the end of t1, regardless of the voltage at VIN or UVLO. Following the insertion time, during t2 in Figure 22 the gate voltage of Q1 is modulated to keep the current or power dissipation level from exceeding the programmed levels. While in the current or power limiting mode, the TIMER pin capacitor is charging. If the current and power limiting cease before the TIMER pin reaches 3.9 V, the TIMER pin capacitor then discharges, and the circuit begins normal operation. If the in-rush limiting condition persists such that the TIMER pin reached 3.9 V during t2, the GATE pin is then pulled low by the 4.2-mA pulldown current. The GATE pin is then held low until either a power-up sequence is initiated (RETRY pin to VDD), or an automatic retry is attempted (RETRY pin to GROUND or floating). See the Fault Timer and Restart section. If the system input voltage falls below the UVLO threshold, or rises above the OVLO threshold, the GATE pin is pulled low by the 4.2-mA pulldown current to switch off Q1.
When the current limit or power limit threshold is reached during turn-on, or as a result of a fault condition, the gate-to-source voltage of Q1 is modulated to regulate the load current and power dissipation in Q1. When either limiting function is active, a 75-µA fault timer current source charges the external capacitor (CT) at the TIMER pin as shown in Figure 22 (fault timeout period). If the fault condition subsides during the fault timeout period before the TIMER pin reaches 3.9 V, the LM5066 returns to the normal operating mode and CT is discharged by the 1.5-mA current sink. If the TIMER pin reaches 3.9 V during the fault timeout period, Q1 is switched off by a 4.2-mA pulldown current at the GATE pin. The subsequent restart procedure then depends on the selected retry configuration.
If the RETRY pin is high, the LM5066 latches the GATE pin low at the end of the fault timeout period. CT is then discharged to ground by the 2.5-µA fault current sink. The GATE pin is held low by the 4.2-mA pulldown current until a power-up sequence is externally initiated by cycling the input voltage (VIN), or momentarily pulling the UVLO/EN pin below its threshold with an open-collector or open-drain device as shown in Figure 23. The voltage at the TIMER pin must be <0.3 V for the restart procedure to be effective. The TIMER_LATCHED_OFF bit in the DIAGNOSTIC_WORD (E1h) register remains high while the latched off condition persists.
Figure 23. Latched Fault Restart Control
The LM5066 provides an automatic restart sequence which consists of the TIMER pin cycling between 3.9 and 1.2 V seven times after the fault timeout period, as shown in Figure 24. The period of each cycle is determined by the 75-µA charging current, the 2.5-µA discharge current, and the value of the capacitor, CT. When the TIMER pin reaches 0.3 V during the eighth high-to-low ramp, the 20-µA current source at the GATE pin turns on Q1. If the fault condition is still present, the fault timeout period and the restart sequence repeat. The RETRY pin allows selecting no retries or infinite retries. Finer control of the retry behavior can be achieved through the DEVICE_SETUP (D9h) register. Retry counts of 0, 1, 2, 4, 8, 16, or infinite may be selected by setting the appropriate bits in the DEVICE_SETUP (D9h) register.
Figure 24. Restart Sequence
The load current can be remotely switched off by taking the UVLO/EN pin below its threshold with an open collector or open-drain device, as shown in Figure 25. When UVLO/EN pin is released, the LM5066 switches on the FET with in-rush current and power limiting.
Figure 25. Shutdown Control
The output can be disabled at during normal operation by either pulling the UVLO/EN pin to below its threshold or the OVLO pin above its threshold. This will cause the GATE voltage to be forced low with a pulldown strength of 4.2 mA. Toggling the UVLO/EN pin also resets the LM5066 from a latched-off state due to an overcurrent or over-power limit condition that caused the maximum allowed number of retries to be exceeded. While the UVLO/EN or OVLO pins can be used to disable the output, they have no effect on the volatile memory or address location of the LM5066. User-stored values for address, device operation, and warning and fault levels programmed through the SMBus are preserved while the LM5066 is powered regardless of the state of the UVLO/EN and OVLO pins. The output may also be enabled or disabled by writing 80h or 0h to the OPERATION (03h) register. To re-enable after a fault, the fault condition should be cleared by programing the OPERATION (03h) register with 0h and then 80h.
The SMBus address of the LM5066 is captured based-on the states of the ADR0, ADR1, and ADR2 pins (GND, NC, and VDD) during turn on and is latched into a volatile register after VDD has exceeded its POR threshold of 4.1 V. Reassigning or postponing the address capture is accomplished by holding the VREF pin to ground. Pulling the VREF pin low also resets the logic and erases the volatile memory of the LM5066. When released, the VREF pin charges up to its final value and the address is latched into a volatile register when the voltage at the VREF exceeds 2.55 V.
The device features an SMBus interface that allows the use of PMBus commands to set warn levels, error masks, and get telemetry on VIN, VOUT, IIN, VAUX, and PIN. The supported PMBus commands are shown in Table 2.
| CODE | NAME | FUNCTION | R/W | NUMBER OF DATA BYTES | DEFAULT VALUE |
|---|---|---|---|---|---|
| 01h | OPERATION | Retrieves or stores the operation status | R/W | 1 | 80h |
| 03h | CLEAR_FAULTS | Clears the status registers and re-arms the black box registers for updating | Send byte | 0 | |
| 19h | CAPABILITY | Retrieves the device capability | R | 1 | B0h |
| 43h | VOUT_UV_WARN_LIMIT | Retrieves or stores output undervoltage warn limit threshold | R/W | 2 | 0000h |
| 4Fh | OT_FAULT_LIMIT | Retrieves or stores over temperature fault limit threshold | R/W | 2 | 0960h (150°C) |
| 51h | OT_WARN_LIMIT | Retrieves or stores over temperature warn limit threshold | R/W | 2 | 07D0h (125°C) |
| 57h | VIN_OV_WARN_LIMIT | Retrieves or stores input overvoltage warn limit threshold | R/W | 2 | 0FFFh |
| 58h | VIN_UV_WARN_LIMIT | Retrieves or stores input undervoltage warn limit threshold | R/W | 2 | 0000h |
| 78h | STATUS_BYTE | Retrieves information about the parts operating status | R | 1 | 49h |
| 79h | STATUS_WORD | Retrieves information about the parts operating status | R | 2 | 3849h |
| 7Ah | STATUS_VOUT | Retrieves information about output voltage status | R | 1 | 00h |
| 7Ch | STATUS_INPUT | Retrieves information about input status | R | 1 | 10h |
| 7Dh | STATUS_TEMPERATURE | Retrieves information about temperature status | R | 1 | 00h |
| 7Eh | STATUS_CML | Retrieves information about communications status | R | 1 | 00h |
| 80h | STATUS_MFR_SPECIFIC | Retrieves information about circuit breaker and MOSFET shorted status | R | 1 | 10h |
| 88h | READ_VIN | Retrieves input voltage measurement | R | 2 | 0000h |
| 8Bh | READ_VOUT | Retrieves output voltage measurement | R | 2 | 0000h |
| 8Dh | READ_TEMPERATURE_1 | Retrieves temperature measurement | R | 2 | 0190h |
| 99h | MFR_ID | Retrieves manufacturer ID in ASCII characters (NSC) | R | 3 | 4Eh 53h 43h |
| 9Ah | MFR_MODEL | Retrieves part number in ASCII characters. (LM5066) | R | 8 | 4Ch 4Dh 35h 30h 36h 36h 0h 0h |
| 9Bh | MFR_REVISION | Retrieves part revision letter or number in ASCII (for example, AA) | R | 2 | 41h 41h |
| D0h | MFR_SPECIFIC_00 READ_VAUX |
Retrieves auxiliary voltage measurement | R | 2 | 0000h |
| D1h | MFR_SPECIFIC_01 MFR_READ_IIN |
Retrieves input current measurement | R | 2 | 0000h |
| D2h | MFR_SPECIFIC_02 MFR_READ_PIN |
Retrieves input power measurement | R | 2 | 0000h |
| D3h | MFR_SPECIFIC_03 MFR_IIN_OC_WARN_LIMIT |
Retrieves or stores input current limit warn threshold | R/W | 2 | 0FFFh |
| D4h | MFR_SPECIFIC_04 MFR_PIN_OP_WARN_LIMIT |
Retrieves or stores input power limit warn threshold | R/W | 2 | 0FFFh |
| D5h | MFR_SPECIFIC_05 READ_PIN_PEAK |
Retrieves measured peak input power measurement | R | 2 | 0000h |
| D6h | MFR_SPECIFIC_06 CLEAR_PIN_PEAK |
Resets the contents of the peak input power register to 0 | Send byte | 0 | |
| D7h | MFR_SPECIFIC_07 GATE_MASK |
Allows the user to disable MOSFET gate shutdown for various fault conditions | R/W | 1 | 0000h |
| D8h | MFR_SPECIFIC_08 ALERT_MASK |
Retrieves or stores user SMBA fault mask | R/W | 2 | 0820h |
| D9h | MFR_SPECIFIC_09 DEVICE_SETUP |
Retrieves or stores information about number of retry attempts | R/W | 1 | 0000h |
| DAh | MFR_SPECIFIC_10 BLOCK_READ |
Retrieves most recent diagnostic and telemetry information in a single transaction | R | 12 | 08E0h 0000h 0000h 0000h 0000h 0000h |
| DBh | MFR_SPECIFIC_11 SAMPLES_FOR_AVG |
Exponent value AVGN for number of samples to be averaged (N = 2AVGN), range = 00h to 0Ch | R/W | 1 | 00h |
| DCh | MFR_SPECIFIC_12 READ_AVG_VIN |
Retrieves averaged input voltage measurement | R | 2 | 0000h |
| DDh | MFR_SPECIFIC_13 READ_AVG_VOUT |
Retrieves averaged output voltage measurement | R | 2 | 0000h |
| DEh | MFR_SPECIFIC_14 READ_AVG_IIN |
Retrieves averaged input current measurement | R | 2 | 0000h |
| DFh | MFR_SPECIFIC_15 READ_AVG_PIN |
Retrieves averaged input power measurement | R | 2 | 0000h |
| E0h | MFR_SPECIFIC_16 BLACK_BOX_READ |
Captures diagnostic and telemetry information, which are latched when the first SMBA event occurs after faults are cleared | R | 12 | 08E0h 0000h 0000h 0000h 0000h 0000h |
| E1h | MFR_SPECIFIC_17 DIAGNOSTIC_WORD_READ |
Manufacturer-specific parallel of the STATUS_WORD to convey all FAULT/WARN data in a single transaction | R | 2 | 08E0h |
| E2h | MFR_SPECIFIC_18 AVG_BLOCK_READ |
Retrieves most recent average telemetry and diagnostic information in a single transaction | R | 12 | 08E0h 0000h 0000h 0000h 0000h 0000h |
The OPERATION command is a standard PMBus command that controls the MOSFET switch. This command can be used to switch the MOSFET on and off under host control. It is also used to re-enable the MOSFET after a fault triggered shutdown. Writing an OFF command, followed by an ON command, clears all faults and re-enables the device. Writing only an ON after a fault-triggered shutdown does not clear the fault registers or re-enable the device. The OPERATION command is issued with the write byte protocol.
| VALUE | MEANING | DEFAULT |
|---|---|---|
| 80h | Switch ON | 80h |
| 00h | Switch OFF | N/A |
The CLEAR_FAULTS command is a standard PMBus command that resets all stored warning and fault flags and the SMBA signal. If a fault or warning condition still exists when the CLEAR_FAULTS command is issued, the SMBA signal may not clear or re-asserts almost immediately. Issuing a CLEAR_FAULTS command does not cause the MOSFET to switch back on in the event of a fault turnoff; that must be done by issuing an OPERATION command after the fault condition is cleared. This command uses the PMBus send byte protocol.
The CAPABILITY command is a standard PMBus command that returns information about the PMBus functions supported by the LM5066 This command is read with the PMBus read byte protocol.
| VALUE | MEANING | DEFAULT |
|---|---|---|
| B0h | Supports packet error check, 400 Kb/s, supports SMBus alert | B0h |
The VOUT_UV_WARN_LIMIT command is a standard PMBus command that allows configuring or reading the threshold for the VOUT undervoltage warning detection. Reading and writing to this register should use the coefficients shown in Table 42. Accesses to this command should use the PMBus read or write word protocol. If the measured value of VOUT falls below the value in this register, VOUT UV warn flags are set and the SMBA signal is asserted.
| VALUE | MEANING | DEFAULT |
|---|---|---|
| 0001h to 0FFFh | VOUT undervoltage warning detection threshold | 0000h (disabled) |
| 0000h | VOUT undervoltage warning disabled | N/A |
The OT_FAULT_LIMIT command is a standard PMBus command that allows configuring or reading the threshold for the overtemperature fault detection. Reading and writing to this register should use the coefficients shown in Table 42. Accesses to this command should use the PMBus read or write word protocol. If the measured temperature exceeds this value, an overtemperature fault is triggered and the MOSFET is switched off, OT FAULT flags set, and the SMBA signal asserted. After the measured temperature falls below the value in this register, the MOSFET may be switched back on with the OPERATION command. A single temperature measurement is an average of 16 round-robin cycles; therefore, the minimum temperature fault detection time is 16 ms.
| VALUE | MEANING | DEFAULT |
|---|---|---|
| 0000h to 0FFEh | Over-temperature fault threshold value | 0960h (150°C) |
| 0FFFh | Over-temperature fault detection disabled | N/A |
The OT_WARN_LIMIT command is a standard PMBus command that allows configuring or reading the threshold for the over-temperature warning detection. Reading and writing to this register should use the coefficients shown in Table 42. Accesses to this command should use the PMBus read or write word protocol. If the measured temperature exceeds this value, an over-temperature warning is triggered and the OT WARN flags set in the respective registers and the SMBA signal asserted. A single temperature measurement is an average of 16 round-robin cycles; therefore, the minimum temperature warn detection time is 16 ms.
| VALUE | MEANING | DEFAULT |
|---|---|---|
| 0000h to 0FFEh | Over-temperature warn threshold value | 07D0h (125°C) |
| 0FFFh | Over-temperature warn detection disabled | N/A |
The VIN_OV_WARN_LIMIT command is a standard PMBus command that allows configuring or reading the threshold for the VIN overvoltage warning detection. Reading and writing to this register should use the coefficients shown in Table 42. Accesses to this command should use the PMBus read or write word protocol. If the measured value of VIN rises above the value in this register, VIN OV warn flags are set in the respective registers and the SMBA signal is asserted.
| VALUE | MEANING | DEFAULT |
|---|---|---|
| 0h to 0FFEh | VIN overvoltage warning detection threshold | 0FFFh (disabled) |
| 0FFFh | VIN overvoltage warning disabled | N/A |
The VIN_UV_WARN_LIMIT command is a standard PMBus command that allows configuring or reading the threshold for the VIN undervoltage warning detection. Reading and writing to this register should use the coefficients shown in Table 42. Accesses to this command should use the PMBus read or write word protocol. If the measured value of VIN falls below the value in this register, VIN UV warn flags are set in the respective register, and the SMBA signal is asserted.
| VALUE | MEANING | DEFAULT | ||
|---|---|---|---|---|
| 1h to 0FFFh | VIN undervoltage warning detection threshold | 0000h (disabled) | ||
| 0000h | VIN undervoltage warning disabled | N/A | ||
The STATUS BYTE is a standard PMBus command that returns the value of a number of flags indicating the state of the LM5066. Accesses to this command should use the PMBus read byte protocol. To clear bits in this register, the underlying fault should be removed on the system and a CLEAR_FAULTS command issued.
| BIT | NAME | MEANING | DEFAULT |
|---|---|---|---|
| 7 | BUSY | Not supported, always 0 | 0 |
| 6 | OFF | This bit is asserted if the MOSFET is not switched on for any reason. | 1 |
| 5 | VOUT OV | Not supported, always 0 | 0 |
| 4 | IOUT OC | Not supported, always 0 | 0 |
| 3 | VIN UV fault | A VIN undervoltage fault has occurred | 1 |
| 2 | TEMPERATURE | A temperature fault or warning has occurred | 0 |
| 1 | CML | A communication fault has occurred | 0 |
| 0 | None of the above | A fault or warning not listed in bits [7:1] has occurred | 1 |
The STATUS_WORD command is a standard PMBus command that returns the value of a number of flags indicating the state of the LM5066. Accesses to this command should use the PMBus read word protocol. To clear bits in this register, the underlying fault should be removed and a CLEAR _FAULTS command issued. The INPUT and VIN UV flags default to 1 on startup; however, they are cleared to 0 after the first time the input voltage exceeds the resistor-programmed UVLO threshold.
| BIT | NAME | MEANING | DEFAULT |
|---|---|---|---|
| 15 | VOUT | An output voltage fault or warning has occurred | 0 |
| 14 | IOUT/POUT | Not supported, always 0 | 0 |
| 13 | INPUT | An input voltage or current fault has occurred | 1 |
| 12 | FET FAIL | FET is shorted | 1 |
| 11 | POWER GOOD | The Power Good signal has been negated | 1 |
| 10 | FANS | Not supported, always 0 | 0 |
| 9 | CB_Fault | Circuit breaker fault triggered | 0 |
| 8 | UNKNOWN | Not supported, always 0 | 0 |
| 7 | BUSY | Not supported, always 0 | 0 |
| 6 | OFF | This bit is asserted if the MOSFET is not switched on for any reason. | 1 |
| 5 | VOUT OV | Not supported, always 0 | 0 |
| 4 | IOUT OC | Not supported, always 0 | 0 |
| 3 | VIN UV | A VIN undervoltage fault has occurred | 1 |
| 2 | TEMPERATURE | A temperature fault or warning has occurred | 0 |
| 1 | CML | A communication fault has occurred | 0 |
| 0 | None of the above | A fault or warning not listed in bits [7:1] has occurred | 1 |
The STATUS_VOUT command is a standard PMBus command that returns the value of the VOUT UV warn flag. Accesses to this command should use the PMBus read byte protocol. To clear bits in this register, the underlying fault should be cleared and a CLEAR_FAULTS command issued.
| BIT | NAME | MEANING | DEFAULT |
|---|---|---|---|
| 7 | VOUT OV fault | Not supported, always 0 | 0 |
| 6 | VOUT OV warn | Not supported, always 0 | 0 |
| 5 | VOUT UV warn | A VOUT undervoltage warning has occurred | 0 |
| 4 | VOUT UV fault | Not supported, always 0 | 0 |
| 3 | VOUT max | Not supported, always 0 | 0 |
| 2 | TON max fault | Not supported, always 0 | 0 |
| 1 | TOFF max fault | Not supported, always 0 | 0 |
| 0 | VOUT tracking error | Not supported, always 0 | 0 |
The STATUS_INPUT command is a standard PMBus command that returns the value of a number of flags related to input voltage, current, and power. Accesses to this command should use the PMBus read byte protocol. To clear bits in this register, the underlying fault should be cleared and a CLEAR_FAULTS command issued. The VIN UV warn flag defaults to 1 on startup; however, it is cleared to 0 after the first time the input voltage increases above the resistor-programmed UVLO threshold.
| BIT | NAME | MEANING | DEFAULT |
|---|---|---|---|
| 7 | VIN OV fault | A VIN overvoltage fault has occurred | 0 |
| 6 | VIN OV warn | A VIN overvoltage warning has occurred | 0 |
| 5 | VIN UV warn | A VIN undervoltage warning has occurred | 1 |
| 4 | VIN UV fault | A VIN undervoltage fault has occurred | 0 |
| 3 | Insufficient voltage | Not supported, always 0 | 0 |
| 2 | IIN OC fault | An IIN overcurrent fault has occurred | 0 |
| 1 | IIN OC warn | An IIN overcurrent warning has occurred | 0 |
| 0 | PIN OP warn | A PIN overpower warning has occurred | 0 |
The STATUS_TEMPERATURE is a standard PMBus command that returns the value of the of a number of flags related to the temperature telemetry value. Accesses to this command should use the PMBus read byte protocol. To clear bits in this register, the underlying fault should be cleared and a CLEAR_FAULTS command issued.
| BIT | NAME | MEANING | DEFAULT |
|---|---|---|---|
| 7 | Overtemp fault | An overtemperature fault has occurred | 0 |
| 6 | Overtemp warn | An overtemperature warning has occurred | 0 |
| 5 | Undertemp warn | Not supported, always 0 | 0 |
| 4 | Undertemp fault | Not supported, always 0 | 0 |
| 3 | Reserved | Not supported, always 0 | 0 |
| 2 | Reserved | Not supported, always 0 | 0 |
| 1 | Reserved | Not supported, always 0 | 0 |
| 0 | Reserved | Not supported, always 0 | 0 |
The STATUS_CML is a standard PMBus command that returns the value of a number of flags related to communication faults. Accesses to this command should use the PMBus read byte protocol. To clear bits in this register, a CLEAR_FAULTS command should be issued.
| BIT | NAME | DEFAULT |
|---|---|---|
| 7 | Invalid or unsupported command received | 0 |
| 6 | Invalid or unsupported data received | 0 |
| 5 | Packet error check failed | 0 |
| 4 | Not supported, always 0 | 0 |
| 3 | Not supported, always 0 | 0 |
| 2 | Not supported, always 0 | 0 |
| 1 | Miscellaneous communications fault has occurred | 0 |
| 0 | Not supported, always 0 | 0 |
The STATUS_MFR_SPECIFIC command is a standard PMBus command that contains manufacturer specific status information. Accesses to this command should use the PMBus read byte protocol. To clear bits in this register, the underlying fault should be removed and a CLEAR_FAULTS command should be issued.
| BIT | MEANING | DEFAULT |
|---|---|---|
| 7 | Circuit breaker fault | 0 |
| 6 | External MOSFET shorted fault | 0 |
| 5 | Not supported, always 0 | 0 |
| 4 | Defaults loaded | 1 |
| 3 | Not supported, always 0 | 0 |
| 2 | Not supported, always 0 | 0 |
| 1 | Not supported, always 0 | 0 |
| 0 | Not supported, always 0 | 0 |
The READ_VIN command is a standard PMBus command that returns the 12-bit measured value of the input voltage. Reading this register should use the coefficients shown in Table 42. Accesses to this command should use the PMBus read word protocol. This value is also used internally for the VIN overvoltage and undervoltage warning detection.
| VALUE | MEANING | DEFAULT |
|---|---|---|
| 0000h to 0FFFh | Measured value for VIN | 0000h |
The READ_VOUT command is a standard PMBus command that returns the 12-bit measured value of the output voltage. Reading this register should use the coefficients shown in Table 42. Accesses to this command should use the PMBus read word protocol. This value is also used internally for the VOUT undervoltage warning detection.
| VALUE | MEANING | DEFAULT |
|---|---|---|
| 0000h to 0FFFh | Measured value for VOUT | 0000h |
The READ_TEMPERATURE_1 command is a standard PMBus command that returns the signed value of the temperature measured by the external temperature sense diode. Reading this register should use the coefficients shown in Table 42. Accesses to this command should use the PMBus read word protocol. This value is also used internally for the overtemperature fault and warning detection. This data has a range of –256°C to 255°C after the coefficients are applied.
| VALUE | MEANING | DEFAULT |
|---|---|---|
| 0000h to 0FFFh | Measured value for TEMPERATURE | 0000h |
The MFR_ID command is a standard PMBus command that returns the identification of the manufacturer. To read the MFR_ID, use the PMBus block read protocol.
| BYTE | NAME | VALUE |
|---|---|---|
| 0 | Number of bytes | 03h |
| 1 | MFR ID-1 | 4Eh ‘N’ |
| 2 | MFR ID-2 | 53h ‘S' |
| 3 | MFR ID-3 | 43h ‘C' |
The MFR_MODEL command is a standard PMBus command that returns the part number of the chip. To read the MFR_MODEL, use the PMBus block read protocol.
| BYTE | NAME | VALUE |
|---|---|---|
| 0 | Number of bytes | 08h |
| 1 | MFR ID-1 | 4Ch ‘L’ |
| 2 | MFR ID-2 | 4Dh ‘M’ |
| 3 | MFR ID-3 | 35h ‘5’ |
| 4 | MFR ID-4 | 30h ‘0’ |
| 5 | MFR ID-5 | 36h ‘6’ |
| 6 | MFR ID-6 | 36h ‘6’ |
| 7 | MFR ID-7 | 00h |
| 8 | MFR ID-8 | 00h |
The MFR_REVISION command is a standard PMBus command that returns the revision level of the part. To read the MFR_REVISION, use the PMBus block read protocol.
| BYTE | NAME | VALUE |
|---|---|---|
| 0 | Number of bytes | 02h |
| 1 | MFR ID-1 | 41h ‘A’ |
| 2 | MFR ID-2 | 41h ‘A’ |
The READ_VAUX command reports the 12-bit ADC measured auxiliary voltage. Voltages greater than or equal to 2.97 V to ground are reported at plus full scale (0FFFh). Voltages less than or equal to 0 V referenced to ground are reported as 0 (0000h). To read data from the READ_VAUX command, use the PMBus read word protocol.
| VALUE | MEANING | DEFAULT |
|---|---|---|
| 0000h to 0FFFh | Measured value for VAUX input | 0000h |
The MFR_READ_IIN command reports the 12-bit ADC measured current sense voltage. To read data from the MFR_READ_IIN command, use the PMBus read word protocol. Reading this register should use the coefficients shown in Table 42. See the section Reading and Writing Telemetry Data and Warning Thresholds to calculate the values to use.
| VALUE | MEANING | DEFAULT |
|---|---|---|
| 0000h to 0FFFh | Measured value for input current sense voltage | 0000h |
The MFR_READ_PIN command reports the upper 12 bits of the VIN × IIN product as measured by the 12-bit ADC. To read data from the MFR_READ_PIN command, use the PMBus read word protocol. Reading this register should use the coefficients shown in Table 42. See the section Reading and Writing Telemetry Data and Warning Thresholds to calculate the values to use.
| VALUE | MEANING | DEFAULT |
|---|---|---|
| 0000h to 0FFFh | VALUE for input current x input voltage | 0000h |
The MFR_IIN_OC_WARN_LIMIT PMBus command sets the input overcurrent warning threshold. In the event that the input current rises above the value set in this register, the IIN overcurrent flags are set in the respective registers and the SMBA is asserted. To access the MFR_IIN_OC_WARN_LIMIT register, use the PMBus read/write word protocol. Reading and writing to this register should use the coefficients shown in Table 42.
| VALUE | MEANING | DEFAULT |
|---|---|---|
| 0000h to 0FFEh | Value for input overcurrent warn limit | 0FFFh |
| 0FFFh | Input overcurrent warning disabled | N/A |
The MFR_PIN_OP_WARN_LIMIT PMBus command sets the input over-power warning threshold. In the event that the input power rises above the value set in this register, the PIN over-power flags are set in the respective registers and the SMBA is asserted. To access the MFR_PIN_OP_WARN_LIMIT register, use the PMBus read/write word protocol. Reading and writing to this register should use the coefficients shown in Table 42.
| VALUE | MEANING | DEFAULT |
|---|---|---|
| 0000h to 0FFEh | Value for input over power warn limit | 0FFFh |
| 0FFFh | Input over power warning disabled | N/A |
The READ_PIN_PEAK command reports the maximum input power measured since a power-on reset or the last CLEAR_PIN_PEAK command. To access the READ_PIN_PEAK command, use the PMBus read word protocol. Use the coefficients shown in Table 42.
| VALUE | MEANING | DEFAULT |
|---|---|---|
| 0000h to 0FFFh | Maximum value for input current × input voltage since reset or last clear | 0000h |
The CLEAR_PIN_PEAK command clears the PIN PEAK register. This command uses the PMBus send byte protocol.
The GATE_MASK register allows the hardware to prevent fault conditions from switching off the MOSFET. When the bit is high, the corresponding FAULT has no control over the MOSFET gate. All status registers are still updated (STATUS, DIAGNOSTIC) and SMBA is still asserted. This register is accessed with the PMBus read/write byte protocol.
CAUTION
Inhibiting the MOSFET switch off in response to overcurrent or circuit breaker fault conditions will likely result in the destruction of the MOSFET. This functionality must be used with great care and supervision.
| BIT | NAME | DEFAULT |
|---|---|---|
| 7 | Not used, always 0 | 0 |
| 6 | Not used, always 0 | 0 |
| 5 | VIN UV FAULT | 0 |
| 4 | VIN OV FAULT | 0 |
| 3 | IIN/PFET FAULT | 0 |
| 2 | OVERTEMP FAULT | 0 |
| 1 | Not used, always 0 | 0 |
| 0 | CIRCUIT BREAKER FAULT | 0 |
The IIN/PFET fault refers to the input current fault and the MOSFET power dissipation fault. There is no input power fault detection, only input power warning detection.
The ALERT_MASK command is used to mask the SMBA when a specific fault or warning has occurred. Each bit corresponds to one of the 14 different analog and digital faults or warnings that would normally result in an SMBA being asserted. When the corresponding bit is high, that condition does not cause the SMBA to be asserted. If that condition occurs, the registers where that condition is captured is still updated (STATUS registers, DIAGNOSTIC_WORD) and the external MOSFET gate control is still active (VIN_OV_FAULT, VIN_UV_FAULT, IIN/PFET_FAULT, CB_FAULT, OT_FAULT). This register is accessed with the PMBus read/write word protocol. The VIN UNDERVOLTAGE FAULT flag defaults to 1 on startup; however, it clears to 0 after the first time the input voltage increases above the resistor-programmed UVLO threshold.
| BIT | NAME | DEFAULT |
|---|---|---|
| 15 | VOUT UNDERVOLTAGE WARN | 0 |
| 14 | IIN LIMIT warn | 0 |
| 13 | VIN UNDERVOLTAGE WARN | 0 |
| 12 | VIN OVERVOLTAGE WARN | 0 |
| 11 | POWER GOOD | 1 |
| 10 | OVERTEMP WARN | 0 |
| 9 | Not used | 0 |
| 8 | OVERPOWER LIMIT WARN | 0 |
| 7 | Not used | 0 |
| 6 | EXT_MOSFET_SHORTED | 0 |
| 5 | VIN UNDERVOLTAGE FAULT | 1 |
| 4 | VIN OVERVOLTAGE FAULT | 0 |
| 3 | IIN/PFET FAULT | 0 |
| 2 | OVERTEMPERATURE FAULT | 0 |
| 1 | CML FAULT (communications fault) | 0 |
| 0 | CIRCUIT BREAKER FAULT | 0 |
The DEVICE_SETUP command can be used to override pin settings to define operation of the LM5066 under host control. This command is accessed with the PMBus read/write byte protocol.
| BIT | NAME | MEANING |
|---|---|---|
| 7:5 | Retry setting | 111 = Unlimited retries 110 = Retry 16 times 101 = Retry 8 times 100 = Retry 4 times 011 = Retry 2 times 010 = Retry 1 time 001 = No retries 000 = Pin configured retries |
| 4 | Current limit setting | 0 = High setting (50 mV) 1 = Low setting (26 mV) |
| 3 | CB/CL ratio | 0 = Low setting (1.9x) 1 = High setting (3.9x) |
| 2 | Current limit configuration | 0 = Use pin settings 1 = Use SMBus settings |
| 1 | Unused | |
| 0 | Unused |
To configure the current limit setting with this register, it is necessary to set the current limit configuration bit (2) to 1 to enable the register to control the current limit function and the current limit setting bit (4) to select the desired setting. If the current limit configuration bit is not set, the pin setting is used. The circuit breaker to current limit ratio value is set by the CB / CL ratio bit (3). Note that if the current limit configuration is changed, the samples for the telemetry averaging function are not reset. TI recommends to allow a full averaging update period with the new current limit configuration before processing the averaged data.
Note that the current limit configuration affects the coefficients used for the current and power measurements and warning registers.
The BLOCK_READ command concatenates the DIAGNOSTIC_WORD with input and output telemetry information (IIN, VOUT, VIN, PIN) as well as TEMPERATURE to capture all of the operating information of the LM5066 in a single SMBus transaction. The block is 12-bytes long with telemetry information being sent out in the same manner as if an individual READ_XXX command had been issued (shown in Table 32). The contents of the block read register are updated every clock cycle (85 ns) as long as the SMBus interface is idle. BLOCK_READ also specifies that the VIN, VOUT, IIN and PIN measurements are all time-aligned. If separate commands are used, individual samples may not be time-aligned because of the delay necessary for the communication protocol.
The block read command is read through the PMBus block read protocol.
| Byte Count (Always 12) | (1 Byte) |
|---|---|
| DIAGNOSTIC_WORD | (1 word) |
| IIN_BLOCK | (1 word) |
| VOUT_BLOCK | (1 word) |
| VIN_BLOCK | (1 word) |
| PIN_BLOCK | (1 word) |
| TEMP_BLOCK | (1 word) |
The SAMPLES_FOR_AVG command is a manufacturer-specific command for setting the number of samples used in computing the average values for IIN, VIN, VOUT, and PIN. The decimal equivalent of the AVGN nibble is the power of 2 samples, (for example, AVGN = 12 equates to N = 4096 samples used in computing the average). The LM5066 supports average numbers of 1, 2, 4, 8, 16, 32, 64, 128, 256, 512, 1024, 2048, and 4096. The SAMPLES_FOR_AVG number applies to average values of IIN, VIN, VOUT, and PIN simultaneously. The LM5066 uses simple averaging. This is accomplished by summing consecutive results up to the number programmed, then dividing by the number of samples. Averaging is calculated according to the following sequence:
When the averaging has reached the end of a sequence (for example, 4096 samples are averaged), then a whole new sequence begins that requires the same number of samples (in this example, 4096) to be taken before the new average is ready.
| AVGN (b) | N = 2AVGN | Averaging / Register Update Period (ms) |
|---|---|---|
| 0000b | 1 | 1 |
| 0001b | 2 | 2 |
| 0010b | 4 | 4 |
| 0011b | 8 | 8 |
| 0100b | 16 | 16 |
| 0101b | 32 | 32 |
| 0110b | 64 | 64 |
| 0111b | 128 | 128 |
| 1000b | 256 | 256 |
| 1001b | 512 | 512 |
| 1010b | 1024 | 1024 |
| 1011b | 2048 | 2048 |
| 1100b | 4096 | 4096 |
Note that a change in the SAMPLES_FOR_AVG register is not reflected in the average telemetry measurements until the present averaging interval has completed. The default setting for AVGN is 1000b, or 08h.
The SAMPLES_FOR_AVG register is accessed with the PMBus read/write byte protocol.
| VALUE | MEANING | DEFAULT |
|---|---|---|
| 00h to 0Ch | Exponent (AVGN) for number of samples to average over | 00h |
The READ_AVG_VIN command reports the 12-bit ADC measured input average voltage. If the data is not ready, the returned value is the previous averaged data. However, if there is no previously averaged data, the default value (0000h) is returned. This data is read with the PMBus read word protocol. This register should use the coefficients shown in Table 42.
| VALUE | MEANING | DEFAULT |
|---|---|---|
| 0000h to 0FFFh | Average of measured values for input voltage | 0000h |
The READ_AVG_VOUT command reports the 12-bit ADC measured current sense average voltage. The returned value is the default value (0000h) or previous data when the average data is not ready. This data is read with the PMBus read word protocol. This register should use the coefficients shown in Table 42.
| VALUE | MEANING | DEFAULT |
|---|---|---|
| 0000h to 0FFFh | Average of measured values for output voltage | 0000h |
The READ_AVG_IIN command reports the 12-bit ADC measured current sense average voltage. The returned value is the default value (0000h) or previous data when the average data is not ready. This data is read with the PMBus read word protocol. This register should use the coefficients shown in Table 42.
| VALUE | MEANING | DEFAULT |
|---|---|---|
| 0000h to 0FFFh | Average of measured values for current sense voltage | 0000h |
The READ_AVG_PIN command reports the upper 12-bits of the average VIN × IIN product as measured by the 12-bit ADC. The user can read the default value (0000h) or previous data when the average data is not ready. This data is read with the PMBus read word protocol. This register should use the coefficients shown in Table 42.
| VALUE | MEANING | DEFAULT |
|---|---|---|
| 0000h to 0FFFh | Average of measured value for input voltage x input current sense voltage | 0000h |
The BLACK BOX READ command retrieves the BLOCK READ data which was latched in at the first assertion of SMBA by the LM5066. It is re-armed with the CLEAR_FAULTS command. It is the same format as the BLOCK_READ registers, the only difference is that its contents are updated with the SMBA edge rather than the internal clock edge. This command is read with the PMBus block read protocol.
The READ_DIAGNOSTIC_WORD PMBus command reports all of the LM5066 faults and warnings in a single read operation. The standard response to the assertion of the SMBA signal of issuing multiple read requests to various status registers can be replaced by a single word read to the DIAGNOSTIC_WORD register. The READ_DIAGNOSTIC_WORD command should be read with the PMBus read word protocol. The READ_DIAGNOSTIC_WORD is also returned in the BLOCK_READ, BLACK_BOX_READ, and AVG_BLOCK_READ operations.
| BIT | MEANING | DEFAULT |
|---|---|---|
| 15 | VOUT_UNDERVOLTAGE_WARN | 0 |
| 14 | IIN_OP_WARN | 0 |
| 13 | VIN_UNDERVOLTAGE_WARN | 0 |
| 12 | VIN_OVERVOLTAGE_WARN | 0 |
| 11 | POWER GOOD | 1 |
| 10 | OVER_TEMPERATURE_WARN | 0 |
| 9 | TIMER_LATCHED_OFF | 0 |
| 8 | EXT_MOSFET_SHORTED | 0 |
| 7 | CONFIG_PRESET | 1 |
| 6 | DEVICE_OFF | 1 |
| 5 | VIN_UNDERVOLTAGE_FAULT | 1 |
| 4 | VIN_OVERVOLTAGE_FAULT | 0 |
| 3 | IIN_OC/PFET_OP_FAULT | 0 |
| 2 | OVER_TEMPERATURE_FAULT | 0 |
| 1 | CML_FAULT | 0 |
| 0 | CIRCUIT_BREAKER_FAULT | 0 |
The AVG_BLOCK_READ command concatenates the DIAGNOSTIC_WORD with input and output average telemetry information (IIN, VOUT, VIN, and PIN) and temperature to capture all of the operating information of the part in a single PMBus transaction. The block is 12-bytes long with telemetry information sent out in the same manner as if an individual READ_AVG_XXX command had been issued (shown in Table 40). AVG_BLOCK_READ also specifies that the VIN, VOUT, and IIN measurements are all time-aligned whereas there is a chance they may not be if read with individual PMBus commands. To read data from the AVG_BLOCK_READ command, use the SMBus block read protocol.
| Byte Count (Always 12) | (1 Byte) |
|---|---|
| DIAGNOSTIC_WORD | (1 word) |
| AVG_IIN | (1 word) |
| AVG_VOUT | (1 word) |
| AVG_VIN | (1 word) |
| AVG_PIN | (1 word) |
| TEMPERATURE | (1 word) |
Figure 26. Command / Register and Alert Flow Diagram
All measured telemetry data and user-programmed warning thresholds are communicated in 12-bit two’s complement binary numbers read or written in 2-byte increments conforming to the direct format as described in section 8.3.3 of the PMBus Power System Management Protocol Specification 1.1 (Part II). The organization of the bits in the telemetry or warning word is shown in Table 41, where Bit_11 is the most significant bit (MSB) and Bit_0 is the least significant bit (LSB). The decimal equivalent of all warning and telemetry words are constrained to be within the range of 0 to 4095, with the exception of temperature. The decimal equivalent value of the temperature word ranges from 0 to 65535.
| Byte | B7 | B6 | B5 | B4 | B3 | B2 | B1 | B0 |
|---|---|---|---|---|---|---|---|---|
| 1 | Bit_7 | Bit_6 | Bit_5 | Bit_4 | Bit_3 | Bit_2 | Bit_1 | Bit_0 |
| 2 | 0 | 0 | 0 | 0 | Bit_11 | Bit_10 | Bit_9 | Bit_8 |
Conversion from direct format to real-world dimensions of current, voltage, power, and temperature is accomplished by determining appropriate coefficients as described in section 7.2.1 of the PMBus Power System Management Protocol Specification 1.1 (Part II). According to this specification, the host system converts the values received into a reading of volts, amperes, watts, or other units using the following relationship:

where
R is only necessary in systems where m is required to be an integer (for example, where m may be stored in a register in an integrated circuit). In those cases, R only needs to be large enough to yield the desired accuracy.
| Commands | Condition | Format | Number of Data Bytes | m | b | R | Unit |
|---|---|---|---|---|---|---|---|
| READ_VIN, READ_AVG_VIN VIN_OV_WARN_LIMIT VIN_UV_WARN_LIMIT |
DIRECT | 2 | 4587 | –1200 | –2 | V | |
| READ_VOUT, READ_AVG_VOUT VOUT_UV_WARN_LIMIT |
DIRECT | 2 | 4587 | -2400 | –2 | V | |
| READ_VAUX | DIRECT | 2 | 13793 | 0 | –1 | V | |
| READ_IIN, READ_AVG_IIN(1)
MFR_IIN_OC_WARN_LIMIT |
CL = VDD | DIRECT | 2 | 10753 | –1200 | –2 | A |
| READ_IN, READ_AVG_IN(1)
MFR_IIN_OC_WARN_LIMIT |
CL = GND | DIRECT | 2 | 5405 | -600 | –2 | A |
| READ_PIN, READ_AVG_PIN(1), READ_PIN_PEAK MFR_PIN_OP_WARN_LIMIT |
CL = VDD | DIRECT | 2 | 1204 | –6000 | –3 | W |
| READ_PIN, READ_AVG_PIN(1), READ_PIN_PEAK MFR_PIN_OP_WARN_LIMIT |
CL = GND | DIRECT | 2 | 605 | –8000 | –3 | W |
| READ_TEMPERATURE_1 OT_WARN_LIMIT OT_FAULT_LIMIT |
DIRECT | 2 | 16000 | 0 | –3 | °C |
| Commands | Condition | Format | Number of Data Bytes | m | b | R | Unit |
|---|---|---|---|---|---|---|---|
| READ_IIN, READ_AVG_IIN(1)
MFR_IIN_OC_WARN_LIMIT |
CL = VDD | DIRECT | 2 | 10753 × RS | –1200 | –2 | A |
| READ_IIN, READ_AVG_IIN(1)
MFR_IIN_OC_WARN_LIMIT |
CL = GND | DIRECT | 2 | 5405 × RS | -600 | –2 | A |
| READ_PIN, READ_AVG_PIN(1), READ_PIN_PEAK MFR_PIN_OP_WARN_LIMIT |
CL = VDD | DIRECT | 2 | 1204 × RS | –6000 | –3 | W |
| READ_PIN, READ_AVG_PIN(1), READ_PIN_PEAK MFR_PIN_OP_WARN_LIMIT |
CL = GND | DIRECT | 2 | 605 × RS | –8000 | –3 | W |
Take care to adjust the exponent coefficient, R, such that the value of m remains within the range of –32768 to 32767. For example, if a 5-mΩ sense resistor is used, the correct coefficients for the READ_IIN command with CL = VDD would be m = 5359, b = –120, R = –1.
The coefficients for telemetry measurements and warning thresholds presented in Table 42 are adequate for the majority of applications. Current and power coefficients are dependent on RSNS and must be calculated per application. Table 43 provides the equations necessary for calculating the current and power coefficients for the general case. These were obtained by characterizing multiple units over temperature and are considered optimal. The small signal nature of the current and power measurement makes it more susceptible to PCB parasitics than other telemetry channels. In addition there is some variation in RSNS and the LM5066 itself. This may cause slight variations in the optimum coefficients (m, b, and R) for converting from digital values to real world values (for example, amps and watts). To maximize telemetry accuracy, the coefficients can be calibrated for a given board using empirical methods. This would determine optimum coefficients to cancel out the error from PCB parasitics, RSNS variation, and the variation of LM5066. It is not considered good practice to take measurements on one board and use the computed coefficients for all units in production, because the RSNS and the LM5066 on a given board are randomly chosen and do not represent a statistical mean. It is recommended to either calibrate all boards individually or to use the recommended coefficients from Table 43.
The optimal current coefficients for a given board can be determined using the following method:
| Measured Voltage Across RS (V) |
Measured Current (A) |
READ_AVG_IIN (Integer Value) |
|---|---|---|
| 0.005 | 1 | 568 |
| 0.01 | 2 | 1108 |
| 0.02 | 4 | 2185 |

where
This procedure can be repeated to determine the coefficients of any telemetry channel simply by substituting measured current for some other parameter (for example, power or voltage).
There are several locations that require writing data if their optional usage is desired. Use the same coefficients previously calculated for your application, and apply them using this method as prescribed by the PMBus revision section 7.2.2 Sending a Value

where
The three address lines are to be set high (connect to VDD), low (connect to GND), or open to select one of 27 addresses for communicating with the LM5066. Table 45 depicts 7-bit addresses (eighth bit is read/write bit).
| ADR2 | ADR1 | ADR0 | DECODED ADDRESS |
|---|---|---|---|
| Z | Z | Z | 40h |
| Z | Z | 0 | 41h |
| Z | Z | 1 | 42h |
| Z | 0 | Z | 43h |
| Z | 0 | 0 | 44h |
| Z | 0 | 1 | 45h |
| Z | 1 | Z | 46h |
| Z | 1 | 0 | 47h |
| Z | 1 | 1 | 10h |
| 0 | Z | Z | 11h |
| 0 | Z | 0 | 12h |
| 0 | Z | 1 | 13h |
| 0 | 0 | Z | 14h |
| 0 | 0 | 0 | 15h |
| 0 | 0 | 1 | 16h |
| 0 | 1 | Z | 17h |
| 0 | 1 | 0 | 50h |
| 0 | 1 | 1 | 51h |
| 1 | Z | Z | 52h |
| 1 | Z | 0 | 53h |
| 1 | Z | 1 | 54h |
| 1 | 0 | Z | 55h |
| 1 | 0 | 0 | 56h |
| 1 | 0 | 1 | 57h |
| 1 | 1 | Z | 58h |
| 1 | 1 | 0 | 59h |
| 1 | 1 | 1 | 5Ah |
The SMBA effectively has two masks:
The ARA automatic mask is a mask that is set in response to a successful ARA read. An ARA read operation returns the PMBus address of the lowest addressed part on the bus that has its SMBA asserted. A successful ARA read means that this part was the one that returned its address. When a part responds to the ARA read, it releases the SMBA signal. When the last part on the bus that has an SMBA set has successfully reported its address, the SMBA signal de-asserts.
The way that the LM5066 releases the SMBA signal is by setting the ARA automatic mask bit for all fault conditions present at the time of the ARA read. All status registers will still the fault condition, but it does not generate a SMBA on that fault again until the ARA automatic mask is cleared by the host issuing a CLEAR_FAULTS command to this part. This should be done as a routine part of servicing an SMBA condition on a part, even if the ARA read is not done. Figure 27 depicts a schematic version of this flow.
Figure 27. Typical Flow Schematic for SMBA Fault