SNVS215D April   2003  – November 2015 LM5030

PRODUCTION DATA.  

  1. Features
  2. Applications
  3. Description
  4. Revision History
  5. Pin Configuration and Functions
  6. Specifications
    1. 6.1 Absolute Maximum Ratings
    2. 6.2 ESD Ratings
    3. 6.3 Recommended Operating Conditions
    4. 6.4 Thermal Information
    5. 6.5 Electrical Characteristics
    6. 6.6 Typical Characteristics
  7. Detailed Description
    1. 7.1 Overview
    2. 7.2 Functional Block Diagram
    3. 7.3 Feature Description
      1. 7.3.1 High-Voltage Start-Up Regulator
      2. 7.3.2 Error Amplifier
      3. 7.3.3 PWM Comparator
      4. 7.3.4 Current Limit and Current Sense
      5. 7.3.5 Oscillator, Shutdown and Sync Capability
      6. 7.3.6 Slope Compensation
      7. 7.3.7 Soft Start and Shutdown
      8. 7.3.8 OUT1, OUT2, and Time Delay
      9. 7.3.9 Thermal Protection
    4. 7.4 Device Functional Modes
  8. Application and Implementation
    1. 8.1 Application Information
    2. 8.2 Typical Application
      1. 8.2.1 Design Requirements
      2. 8.2.2 Detailed Design Procedure
        1. 8.2.2.1 VCC
        2. 8.2.2.2 Current Sense
        3. 8.2.2.3 Shutdown
        4. 8.2.2.4 External Sync
      3. 8.2.3 Application Curves
  9. Power Supply Recommendations
  10. 10Layout
    1. 10.1 Layout Guidelines
    2. 10.2 Layout Example
  11. 11Device and Documentation Support
    1. 11.1 Device Support
      1. 11.1.1 Third-Party Products Disclaimer
    2. 11.2 Documentation Support
      1. 11.2.1 Related Documentation
    3. 11.3 Community Resources
    4. 11.4 Trademarks
    5. 11.5 Electrostatic Discharge Caution
    6. 11.6 Glossary
  12. 12Mechanical, Packaging, and Orderable Information

封装选项

机械数据 (封装 | 引脚)
散热焊盘机械数据 (封装 | 引脚)
订购信息

10 Layout

10.1 Layout Guidelines

As in all high frequency switching power supplies, it is important to separate the high current return trace from the low level GND signal of the controller. These signals should be connected together at a single point, usually the negative side of the DC input filter capacitor.

Layout considerations are critical for the current sense filter. If a current sense transformer is used, both leads of the transformer secondary should be routed to the sense filter components and to the device pins. If the current sense circuit employs a sense resistor in the power MOSFET source, a low inductance resistor should be used and all the low current traces should be connected in common near the device with a single connection made to the GND pin.

The gate drive outputs of the device should have short, direct paths to the power MOSFETs in order to minimize inductance in the gate path.

If the internal dissipation of the device produces a high junction temperature during normal operation, the use of multiple vias under the device to a ground plane can help conduct heat away from the device.

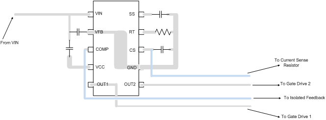
10.2 Layout Example

LM5030 layout_ex_snvs215.gif Figure 14. LM5030 Board Layout