ZHCSY08H May   2000  – March 2025 LM4050-N , LM4050-N-Q1

PRODUCTION DATA  

  1.   1
  2. 特性
  3. 应用
  4. 说明
  5. 引脚配置和功能
  6. 规格
    1. 5.1  绝对最大额定值
    2. 5.2  ESD 等级
    3. 5.3  建议运行条件
    4. 5.4  热性能信息
    5. 5.5  电气特性:2V 选项
    6. 5.6  电气特性:2.5V 选项
    7. 5.7  电气特性:4.1V 选项
    8. 5.8  电气特性:5V 选项
    9. 5.9  电气特性:8.2V 选项
    10. 5.10 电气特性:10V 选项
    11. 5.11 典型特性
      1. 5.11.1 启动特性
  7. 参数测量信息
    1.     20
  8. 详细说明
    1. 7.1 概述
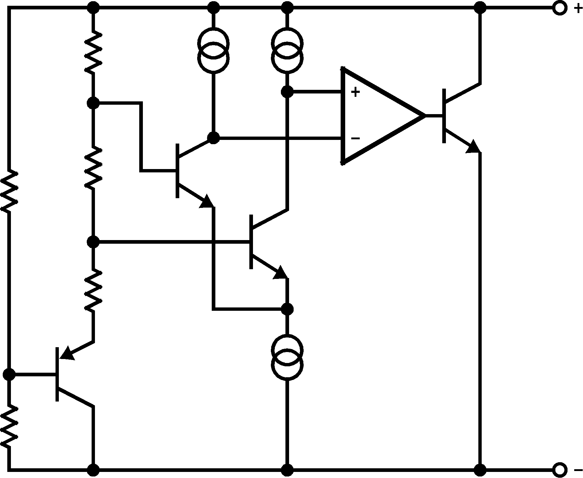
    2. 7.2 功能方框图
    3. 7.3 特性说明
    4. 7.4 器件功能模式
  9. 应用和实施
    1. 8.1 应用信息
    2. 8.2 典型应用
      1. 8.2.1 并联稳压器
        1. 8.2.1.1 设计要求
        2. 8.2.1.2 详细设计过程
        3. 8.2.1.3 应用曲线
      2. 8.2.2 适用于模数转换器的精度基准
        1. 8.2.2.1 设计要求
        2. 8.2.2.2 详细设计过程
      3. 8.2.3 VOUT 有界放大器
        1. 8.2.3.1 设计要求
        2. 8.2.3.2 详细设计过程
      4. 8.2.4 VIN 有界放大器
        1. 8.2.4.1 设计要求
        2. 8.2.4.2 详细设计过程
      5. 8.2.5 ±4.096 精度基准
        1. 8.2.5.1 设计要求
        2. 8.2.5.2 详细设计过程
      6. 8.2.6 ±1mA 高精度电流源
        1. 8.2.6.1 设计要求
        2. 8.2.6.2 详细设计过程
    3. 8.3 电源相关建议
    4. 8.4 布局
      1. 8.4.1 布局指南
      2. 8.4.2 布局示例
  10. 器件和文档支持
    1. 9.1 支持资源
    2. 9.2 商标
    3. 9.3 静电放电警告
    4. 9.4 术语表
  11. 10修订历史记录
  12. 11机械、封装和可订购信息

封装选项

机械数据 (封装 | 引脚)
散热焊盘机械数据 (封装 | 引脚)
订购信息

功能方框图

LM4050-N LM4050-N-Q1