ZHCSM39H February   2005  – March 2025

PRODUCTION DATA  

  1.   1
  2. 特性
  3. 应用
  4. 说明
  5. Pin Configuration and Functions
    1.     Pin Functions
    2.     引脚功能:ADJ 引脚排列
  6. Specifications
    1. 5.1  Absolute Maximum Ratings
    2. 5.2  ESD Ratings
    3. 5.3  Recommended Operating Conditions
    4. 5.4  LM4041x12I Electrical Characteristics
    5. 5.5  LM4041x12I Electrical Characteristics
    6. 5.6  LM4041x12Q Electrical Characteristics
    7. 5.7  LM4041xI (Adjustable Version) Electrical Characteristics
    8. 5.8  LM4041xI (Adjustable Version) Electrical Characteristics
    9. 5.9  LM4041xQ (Adjustable Version) Electrical Characteristics
    10. 5.10 Typical Characteristics
  7. Functional Block Diagram
  8. Application Information
    1. 7.1 Output Capacitor
    2. 7.2 SOT-23 and SC-70 Pin Connections
    3. 7.3 Adjustable Version
    4. 7.4 Cathode and Load Currents
  9. 器件和文档支持
    1. 8.1 接收文档更新通知
    2. 8.2 商标
    3. 8.3 静电放电警告
    4. 8.4 支持资源
    5. 8.5 术语表
  10. Revision History
  11. 10Mechanical, Packaging, and Orderable Information

封装选项

机械数据 (封装 | 引脚)
散热焊盘机械数据 (封装 | 引脚)
订购信息

Pin Functions

LM4041 DBZ Package3-Pin SOT-23Top View Figure 4-1 DBZ Package
3-Pin SOT-23
Top View
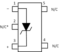
LM4041 DCK Package5-Pin SC70Top View Figure 4-2 DCK Package
5-Pin SC70
Top View
LM4041 LP Package3-Pin TO-92Bottom View Figure 4-3 LP Package
3-Pin TO-92
Bottom View
Pin Functions
PIN I/O DESCRIPTION
NAME SOT-23 SC70 TO-92
Anode 2 1 3 O Anode pin, normally grounded
Cathode 1 3 2 I/O Shunt current and output voltage
FB I Feedback pin for adjustable output voltage
NC* 3 2 1 **Must float or connect to anode (1)
NC 4, 5 No connect
In applications with high electromagnetic interference (for example, when placed near transformers or other electromagnetic sources) or significant high-frequency switching noise, TI recommends to connect this pin to the anode.