ZHCSIY4G October   1999  – October 2018 LM193-N , LM2903-N , LM293-N , LM393-N

PRODUCTION DATA.  

  1. 特性
  2. 应用
  3. 说明
    1.     Device Images
      1.      简化原理图
  4. 修订历史记录
  5. Pin Configuration and Functions
    1.     Pin Functions
  6. Specifications
    1. 6.1  Absolute Maximum Ratings
    2. 6.2  ESD Ratings
    3. 6.3  Recommended Operating Conditions
    4. 6.4  Thermal Information
    5. 6.5  Electrical Characteristics: LM193A V+= 5 V, TA = 25°C
    6. 6.6  Electrical Characteristics: LM193A (V+ = 5 V)
    7. 6.7  Electrical Characteristics: LMx93 and LM2903 V+= 5 V, TA = 25°C
    8. 6.8  Electrical Characteristics: LMx93 and LM2903 (V+ = 5 V)
    9. 6.9  Typical Characteristics: LMx93 and LM193A
    10. 6.10 Typical Characteristics: LM2903
  7. Detailed Description
    1. 7.1 Overview
    2. 7.2 Functional Block Diagram
    3. 7.3 Feature Description
    4. 7.4 Device Functional Modes
  8. Application and Implementation
    1. 8.1 Application Information
    2. 8.2 Typical Applications
      1. 8.2.1 Basic Comparator
        1. 8.2.1.1 Design Requirements
        2. 8.2.1.2 Detailed Design Procedure
        3. 8.2.1.3 Application Curve
      2. 8.2.2 System Examples
        1. 8.2.2.1 Split-Supply Application
        2. 8.2.2.2 V+ = 5.0 VDC Application Circuits
  9. Power Supply Recommendations
  10. 10Layout
    1. 10.1 Layout Guidelines
    2. 10.2 Layout Example
  11. 11器件和文档支持
    1. 11.1 相关链接
    2. 11.2 接收文档更新通知
    3. 11.3 商标
    4. 11.4 静电放电警告
    5. 11.5 术语表
  12. 12机械、封装和可订购信息

封装选项

机械数据 (封装 | 引脚)
散热焊盘机械数据 (封装 | 引脚)
订购信息

V+ = 5.0 VDC Application Circuits

LM193-N LM2903-N LM293-N LM393-N 00570936.pngFigure 15. Driving CMOS
LM193-N LM2903-N LM293-N LM393-N 00570938.pngFigure 17. Squarewave Oscillator
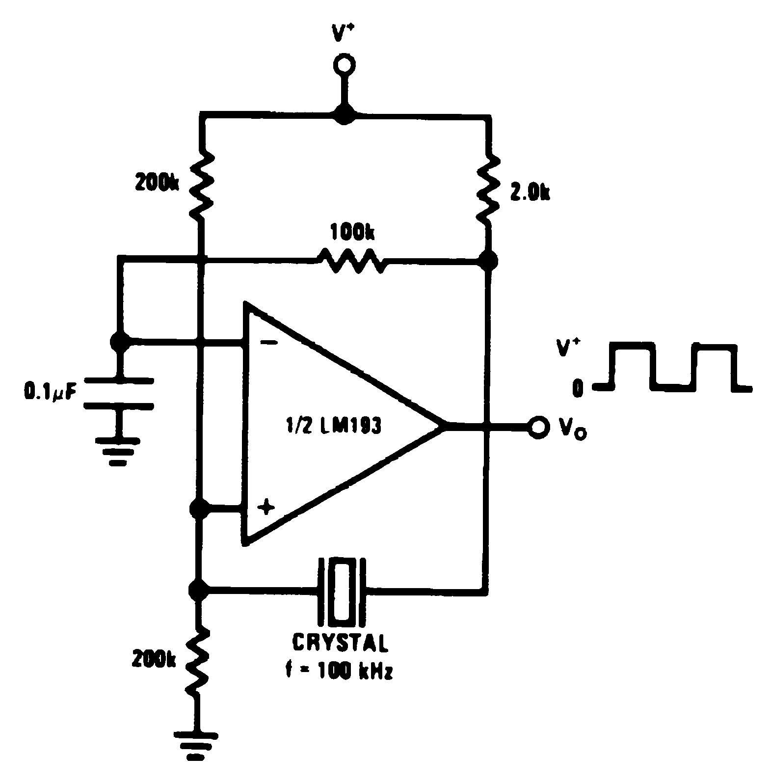
LM193-N LM2903-N LM293-N LM393-N 00570940.pngFigure 19. Crystal Controlled Oscillator
LM193-N LM2903-N LM293-N LM393-N 00570906.pngFigure 21. Basic Comparator
LM193-N LM2903-N LM293-N LM393-N 00570910.pngFigure 23. Inverting Comparator With Hysteresis
LM193-N LM2903-N LM293-N LM393-N 00570912.pngFigure 25. And Gate
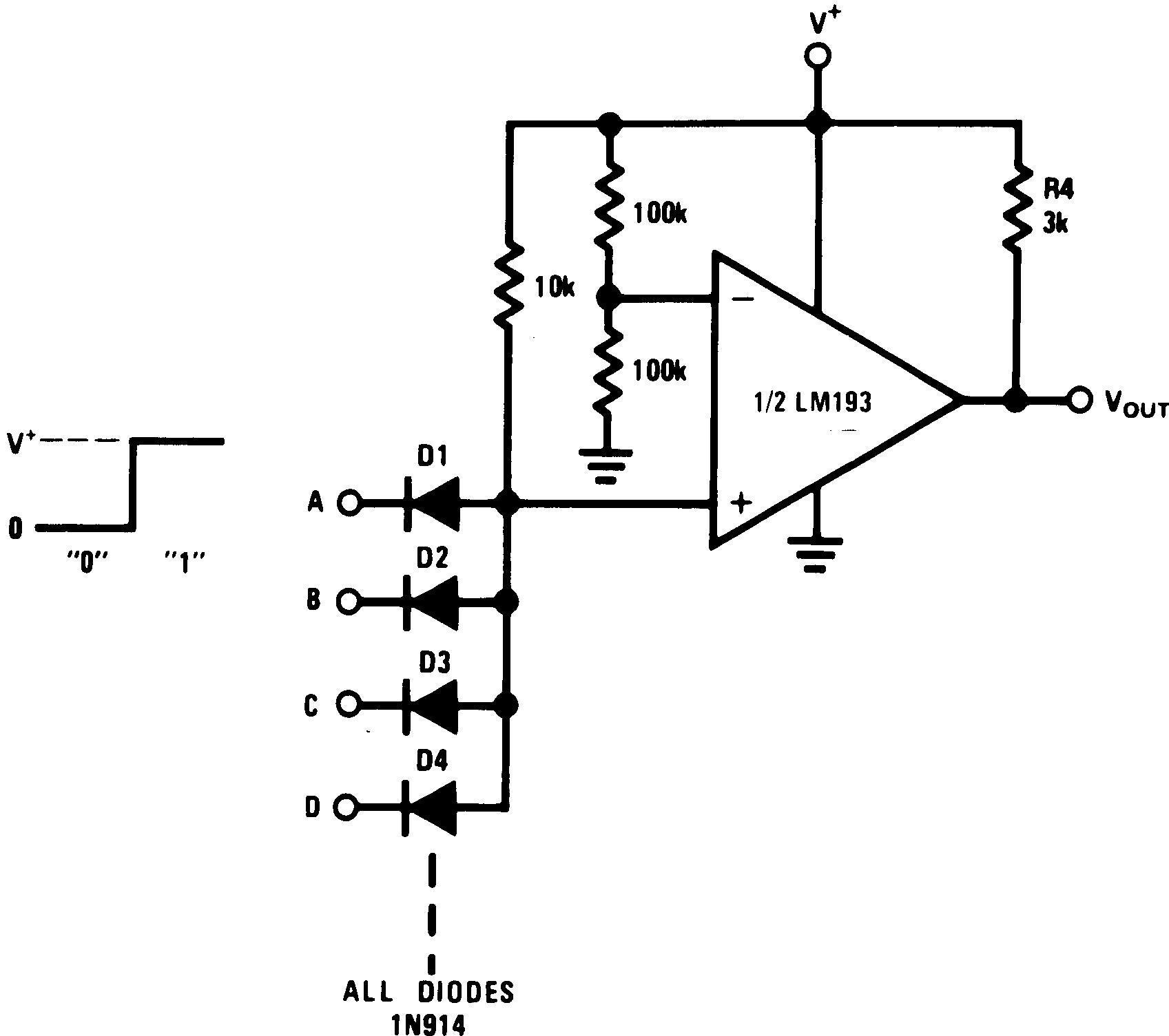
LM193-N LM2903-N LM293-N LM393-N 00570914.pngFigure 27. Large Fan-In and Gate
LM193-N LM2903-N LM293-N LM393-N 00570916.pngFigure 29. Comparing Input Voltages of Opposite Polarity
LM193-N LM2903-N LM293-N LM393-N 00570921.pngFigure 31. Zero Crossing Detector (Single Power Supply)
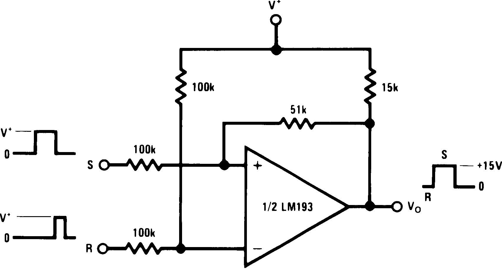
LM193-N LM2903-N LM293-N LM393-N 00570924.pngFigure 33. Bi-Stable Multivibrator
LM193-N LM2903-N LM293-N LM393-N 00570943.pngFigure 35. Zero Crossing Detector
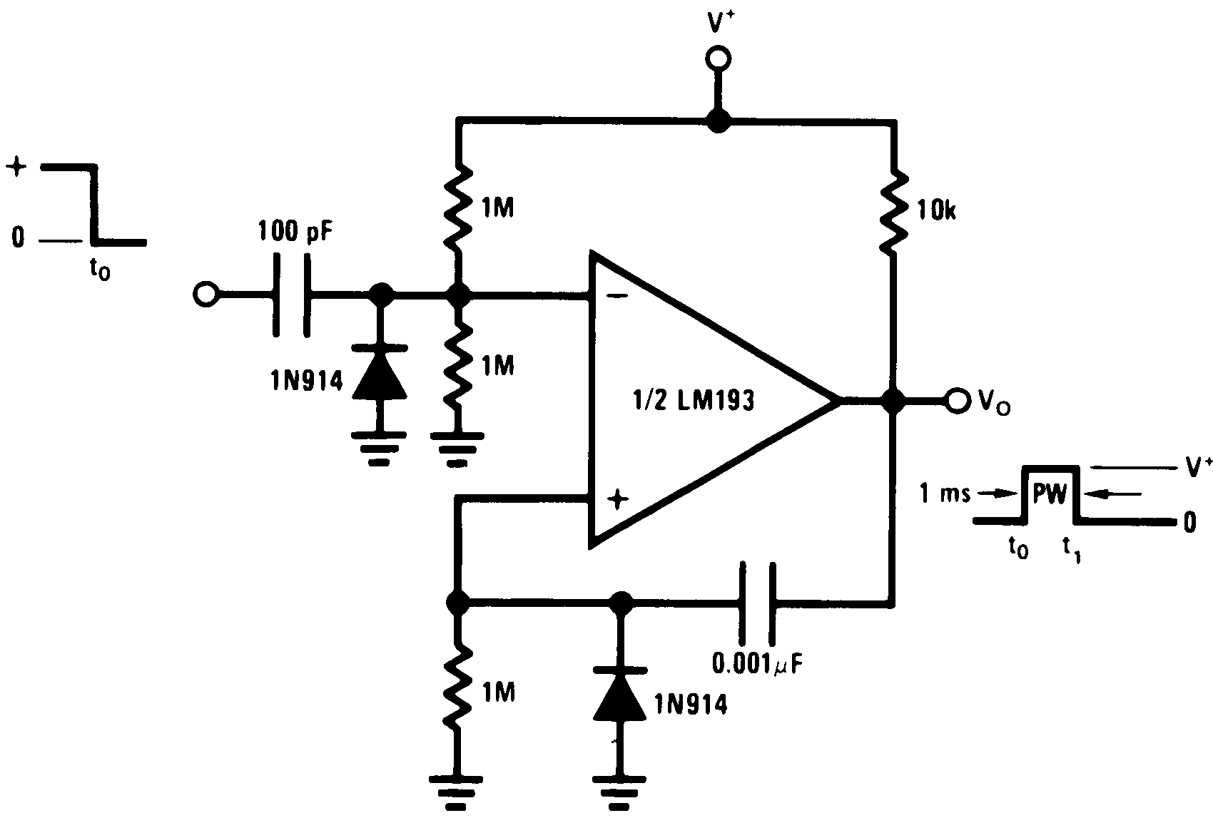
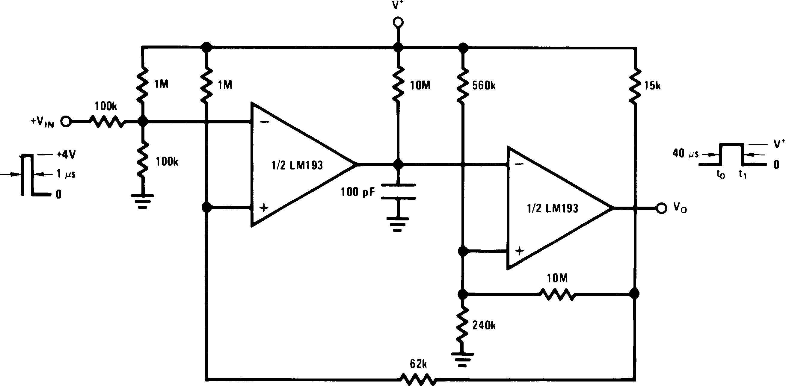
LM193-N LM2903-N LM293-N LM393-N 00570907.pngFigure 37. Time Delay Generator
LM193-N LM2903-N LM293-N LM393-N 00570937.pngFigure 16. Driving TTL
LM193-N LM2903-N LM293-N LM393-N 00570939.png
* For large ratios of R1/R2,
D1 can be omitted.
Figure 18. Pulse Generator
LM193-N LM2903-N LM293-N LM393-N 00570941.png
V* = +30 VDC
+250 mVDC ≤ VC ≤ +50 VDC
700Hz ≤ fo ≤ 100kHz
Figure 20. Two-Decade High Frequency VCO
LM193-N LM2903-N LM293-N LM393-N 00570909.pngFigure 22. Non-Inverting Comparator With Hysteresis
LM193-N LM2903-N LM293-N LM393-N 00570911.pngFigure 24. Output Strobing
LM193-N LM2903-N LM293-N LM393-N 00570913.pngFigure 26. Or Gate
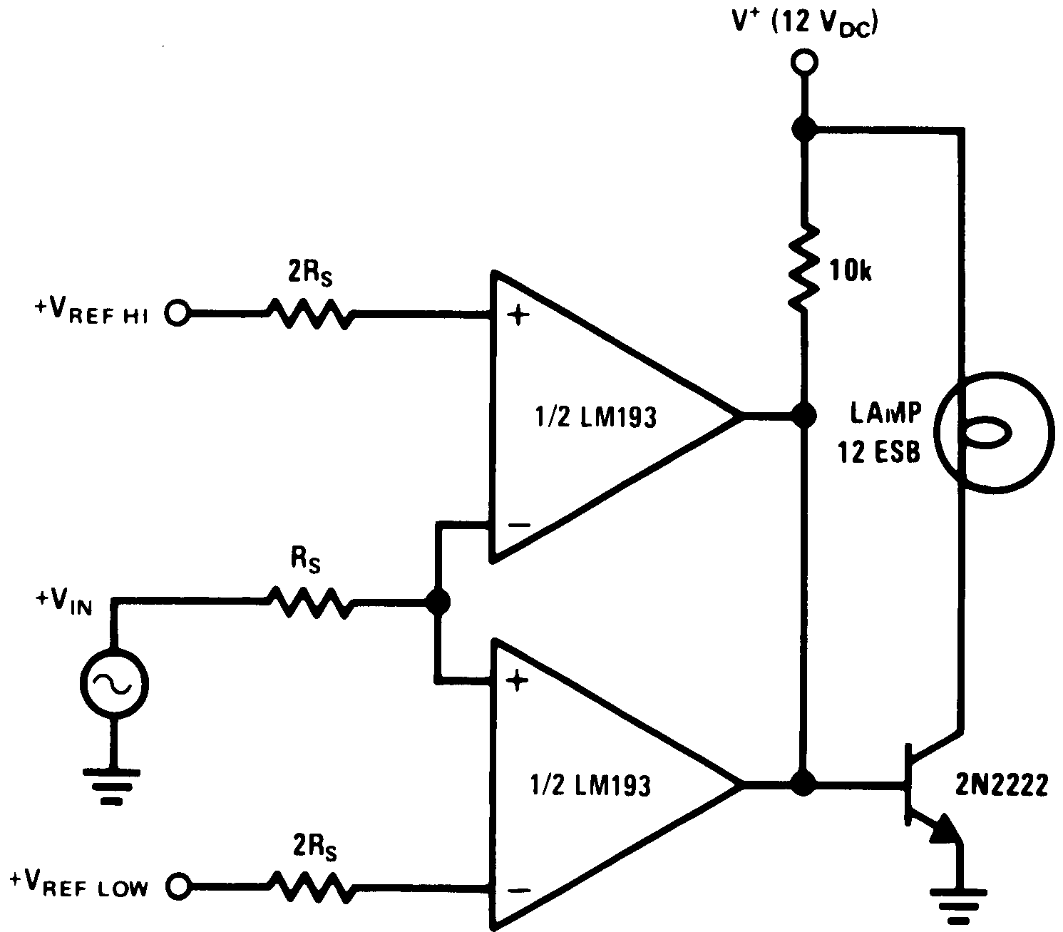
LM193-N LM2903-N LM293-N LM393-N 00570915.pngFigure 28. Limit Comparator
LM193-N LM2903-N LM293-N LM393-N 00570917.pngFigure 30. Oring the Outputs
LM193-N LM2903-N LM293-N LM393-N 00570922.pngFigure 32. One-Shot Multivibrator
LM193-N LM2903-N LM293-N LM393-N 00570923.pngFigure 34. One-Shot Multivibrator With Input Lock Out
LM193-N LM2903-N LM293-N LM393-N 00570944.pngFigure 36. Comparator With a Negative Reference