ZHCSTU4B March   2011  – December 2024 LM3481-Q1

PRODUCTION DATA  

  1.   1
  2. 特性
  3. 应用
  4. 说明
  5. 引脚配置和功能
    1.     引脚功能
  6. 规格
    1. 5.1 绝对最大额定值
    2. 5.2 ESD 等级:LM3481-Q1
    3. 5.3 建议运行额定值
    4. 5.4 热性能信息
    5. 5.5 电气特性
    6. 5.6 典型特性
  7. 详细说明
    1. 6.1 概述
    2. 6.2 功能方框图
    3. 6.3 特性说明
      1. 6.3.1 过压保护
      2. 6.3.2 偏置电压
      3. 6.3.3 斜率补偿斜坡
      4. 6.3.4 频率调节、同步和关断
      5. 6.3.5 欠压锁定 (UVLO) 引脚
      6. 6.3.6 短路保护
    4. 6.4 器件功能模式
  8. 应用和实施
    1. 7.1 应用信息
    2. 7.2 典型应用
      1. 7.2.1 升压转换器
        1. 7.2.1.1 设计要求
        2. 7.2.1.2 详细设计过程
          1. 7.2.1.2.1  使用 WEBENCH 工具定制设计方案
          2. 7.2.1.2.2  功率电感器选型
          3. 7.2.1.2.3  对输出电压和输出电流进行编程
          4. 7.2.1.2.4  带有额外斜率补偿的电流限制
          5. 7.2.1.2.5  功率二极管选型
          6. 7.2.1.2.6  功率 MOSFET 选型
          7. 7.2.1.2.7  输入电容器选型
          8. 7.2.1.2.8  输出电容器选型
          9. 7.2.1.2.9  驱动器电源电容器选型
          10. 7.2.1.2.10 补偿
        3. 7.2.1.3 应用曲线
      2. 7.2.2 典型的 SEPIC 转换器
        1. 7.2.2.1 设计要求
        2. 7.2.2.2 详细设计过程
          1. 7.2.2.2.1 功率 MOSFET 选型
          2. 7.2.2.2.2 功率二极管选型
          3. 7.2.2.2.3 电感器 L1 和 L2 选型
          4. 7.2.2.2.4 检测电阻选型
          5. 7.2.2.2.5 SEPIC 电容器选型
          6. 7.2.2.2.6 输入电容器选型
          7. 7.2.2.2.7 输出电容器选型
        3. 7.2.2.3 应用曲线
    3. 7.3 电源相关建议
    4. 7.4 布局
      1. 7.4.1 布局指南
      2. 7.4.2 布局示例
  9. 器件和文档支持
    1. 8.1 文档支持
      1. 8.1.1 使用 WEBENCH 工具定制设计方案
      2. 8.1.2 相关文档
    2. 8.2 接收文档更新通知
    3. 8.3 支持资源
    4. 8.4 商标
  10. 修订历史记录
  11. 10机械、封装和可订购信息

封装选项

机械数据 (封装 | 引脚)
散热焊盘机械数据 (封装 | 引脚)
订购信息

布局指南

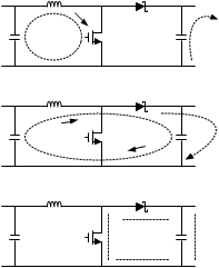
良好的电路板布局布线对于 LM3481-Q1 等开关控制器至关重要。首先,接地平面的面积必须足以进行散热;其次,必须遵循适当的指南以降低开关噪声的影响。开关模式转换器是非常快速的开关器件。在此类器件中,输入电流的快速增加和寄生引线电感会产生不必要的 Ldi/dt 噪声尖峰。该噪声的幅度往往随着输出电流的增加而增加。这种寄生尖峰噪声可能会转化为电磁干扰 (EMI),并且还会导致器件性能出现问题。因此,在布局布线时必须小心谨慎,尽量减少这种开关噪声的影响。电流模式器件中的电流检测电路很容易受到开关噪声的影响。此噪声会导致占空比抖动,从而导致频谱噪声增加。尽管 LM3481-Q1 在每个周期的开始具有 250ns 的消隐时间来忽略此噪声,但在消隐时间之后仍可能存在一些噪声。

最重要的布局布线规则是保持交流电流环路尽可能小。图 7-9 展示了升压转换器的电流流动。顶部原理图中的虚线表示导通状态下的电流流动,中间的原理图展示了关断状态下的电流流动。我们将底部原理图展示的电流称为交流电流。这些电流是最关键的电流,因为电流会在非常短的时间内发生变化。底部原理图中的虚线引线应尽可能短。

LM3481-Q1 升压应用中的电流流动图 7-9 升压应用中的电流流动

PGND 和 AGND 引脚必须连接到同一个地,这个地与器件非常近。为了避免出现接地环路电流,请将系统的所有地连接到一个点。

陶瓷输入电容器应尽可能靠近 Vin 引脚连接,并在靠近 GND 引脚的位置接地。

有关布局示例,请参阅 AN-2094 LM3481 SEPIC 评估板。有关开关模式电源布局的更多信息,请参阅 AN-1229 SIMPLE SWITCHER® PCB 布局指南