ZHCSCX2E January   2014  – October 2017 LM15851

PRODUCTION DATA.  

  1. 特性
  2. 应用
  3. 说明
    1.     Device Images
      1. 16 倍抽取率 — 频谱响应 ƒS = 4GHz,FIN = 1897MHz(–1dBFS 时),ƒ(NCO_x) = 1827MHz
  4. 修订历史记录
  5. Pin Configuration and Functions
    1.     Pin Functions
  6. Specifications
    1. 6.1 Absolute Maximum Ratings
    2. 6.2 ESD Ratings
    3. 6.3 Recommended Operating Conditions
    4. 6.4 Thermal Information
    5. 6.5 Electrical Characteristics
    6. 6.6 Timing Requirements
    7. 6.7 Internal Characteristics
    8. 6.8 Switching Characteristics
    9. 6.9 Typical Characteristics
  7. Detailed Description
    1. 7.1 Overview
    2. 7.2 Functional Block Diagram
    3. 7.3 Feature Description
      1. 7.3.1 Signal Acquisition
      2. 7.3.2 The Analog Inputs
        1. 7.3.2.1 Input Clamp
        2. 7.3.2.2 AC Coupled Input Usage
        3. 7.3.2.3 DC Coupled Input Usage
        4. 7.3.2.4 Handling Single-Ended Input Signals
      3. 7.3.3 Clocking
      4. 7.3.4 Over-Range Function
      5. 7.3.5 ADC Core Features
        1. 7.3.5.1 The Reference Voltage
        2. 7.3.5.2 Common-Mode Voltage Generation
        3. 7.3.5.3 Bias Current Generation
        4. 7.3.5.4 Full Scale Range Adjust
        5. 7.3.5.5 Offset Adjust
        6. 7.3.5.6 Power-Down
        7. 7.3.5.7 Built-In Temperature Monitor Diode
      6. 7.3.6 Digital Down Converter (DDC)
        1. 7.3.6.1 NCO/Mixer
        2. 7.3.6.2 NCO Settings
          1. 7.3.6.2.1 NCO Frequency Phase Selection
          2. 7.3.6.2.2 NCO_0, NCO_1, and NCO_2 (NCO_x)
          3. 7.3.6.2.3 NCO_SEL Bits (2:0)
          4. 7.3.6.2.4 NCO Frequency Setting (Eight Total)
            1. 7.3.6.2.4.1 Basic NCO Frequency-Setting Mode
            2. 7.3.6.2.4.2 Rational NCO Frequency Setting Mode
          5. 7.3.6.2.5 NCO Phase-Offset Setting (Eight Total)
          6. 7.3.6.2.6 Programmable DDC Delay
        3. 7.3.6.3 Decimation Filters
        4. 7.3.6.4 DDC Output Data
        5. 7.3.6.5 Decimation Settings
          1. 7.3.6.5.1 Decimation Factor
          2. 7.3.6.5.2 DDC Gain Boost
      7. 7.3.7 Data Outputs
        1. 7.3.7.1 The Digital Outputs
        2. 7.3.7.2 JESD204B Interface Features and Settings
          1. 7.3.7.2.1  Scrambler Enable
          2. 7.3.7.2.2  Frames Per Multi-Frame (K-1)
          3. 7.3.7.2.3  DDR
          4. 7.3.7.2.4  JESD Enable
          5. 7.3.7.2.5  JESD Test Modes
          6. 7.3.7.2.6  Configurable Pre-Emphasis
          7. 7.3.7.2.7  Serial Output-Data Formatting
          8. 7.3.7.2.8  JESD204B Synchronization Features
          9. 7.3.7.2.9  SYSREF
          10. 7.3.7.2.10 SYNC~
          11. 7.3.7.2.11 Code-Group Synchronization
          12. 7.3.7.2.12 Multiple ADC Synchronization
    4. 7.4 Device Functional Modes
      1. 7.4.1 DDC Modes
      2. 7.4.2 Calibration
        1. 7.4.2.1 Foreground Calibration Mode
        2. 7.4.2.2 Background Calibration Mode
      3. 7.4.3 Timing Calibration Mode
      4. 7.4.4 Test-Pattern Modes
        1. 7.4.4.1 Serializer Test-Mode Details
        2. 7.4.4.2 PRBS Test Modes
        3. 7.4.4.3 Ramp Test Mode
        4. 7.4.4.4 Short and Long-Transport Test Mode
        5. 7.4.4.5 D21.5 Test Mode
        6. 7.4.4.6 K28.5 Test Mode
        7. 7.4.4.7 Repeated ILA Test Mode
        8. 7.4.4.8 Modified RPAT Test Mode
    5. 7.5 Programming
      1. 7.5.1 Using the Serial Interface
        1. 7.5.1.1 Streaming Mode
    6. 7.6 Register Map
      1. 7.6.1 Memory Map
      2. 7.6.2 Register Descriptions
        1. 7.6.2.1 Standard SPI-3.0 (0x000 to 0x00F)
          1. Table 34. Standard SPI-3.0 Registers
          2. 7.6.2.1.1  Configuration A Register (address = 0x000) [reset = 0x3C]
            1. Table 35. CFGA Field Descriptions
          3. 7.6.2.1.2  Configuration B Register (address = 0x001) [reset = 0x00]
            1. Table 36. CFGB Field Descriptions
          4. 7.6.2.1.3  Device Configuration Register (address = 0x002) [reset = 0x00]
            1. Table 37. DEVCFG Field Descriptions
          5. 7.6.2.1.4  Chip Type Register (address = 0x003) [reset = 0x03]
            1. Table 38. CHIP_TYPE Field Descriptions
          6. 7.6.2.1.5  Chip Version Register (address = 0x006) [reset = 0x13]
            1. Table 39. CHIP_VERSION Field Descriptions
          7. 7.6.2.1.6  Vendor Identification Register (address = 0x00C to 0x00D) [reset = 0x0451]
            1. Table 40. VENDOR_ID Field Descriptions
        2. 7.6.2.2 User SPI Configuration (0x010 to 0x01F)
          1. 7.6.2.2.1 User SPI Configuration Register (address = 0x010) [reset = 0x00]
            1. Table 42. USR0 Field Descriptions
        3. 7.6.2.3 General Analog, Bias, Band Gap, and Track and Hold (0x020 to 0x02F)
          1. 7.6.2.3.1 Power-On Reset Register (address = 0x021) [reset = 0x00]
            1. Table 44. POR Field Descriptions
          2. 7.6.2.3.2 I/O Gain 0 Register (address = 0x022) [reset = 0x40]
            1. Table 45. IO_GAIN_0 Field Descriptions
          3. 7.6.2.3.3 IO_GAIN_1 Register (address = 0x023) [reset = 0x00]
            1. Table 46. IO_GAIN_1 Field Descriptions
          4. 7.6.2.3.4 I/O Offset 0 Register (address = 0x025) [reset = 0x40]
            1. Table 47. IO_OFFSET_0 Field Descriptions
          5. 7.6.2.3.5 I/O Offset 1 Register (address = 0x026) [reset = 0x00]
            1. Table 48. IO_OFFSET_1 Field Descriptions
        4. 7.6.2.4 Clock (0x030 to 0x03F)
          1. 7.6.2.4.1 Clock Generator Control 0 Register (address = 0x030) [reset = 0xC0]
            1. Table 50. CLKGEN_0 Field Descriptions
          2. 7.6.2.4.2 Clock Generator Status Register (address = 0x031) [reset = 0x07]
            1. Table 51. CLKGEN_1 Field Descriptions
          3. 7.6.2.4.3 Clock Generator Control 2 Register (address = 0x032) [reset = 0x80]
            1. Table 52. CLKGEN_2 Field Descriptions
          4. 7.6.2.4.4 Analog Miscellaneous Register (address = 0x033) [reset = 0xC3]
            1. Table 53. ANA_MISC Field Descriptions
          5. 7.6.2.4.5 Input Clamp Enable Register (address = 0x034) [reset = 0x2F]
            1. Table 54. IN_CL_EN Field Descriptions
        5. 7.6.2.5 Serializer (0x040 to 0x04F)
          1. 7.6.2.5.1 Serializer Configuration Register (address = 0x040) [reset = 0x04]
            1. Table 56. SER_CFG Field Descriptions
        6. 7.6.2.6 ADC Calibration (0x050 to 0x1FF)
          1. 7.6.2.6.1 Calibration Configuration 0 Register (address = 0x050) [reset = 0x06]
            1. Table 58. CAL_CFG0 Field Descriptions
          2. 7.6.2.6.2 Calibration Configuration 1 Register (address = 0x051) [reset = 0xF4]
            1. Table 59. CAL_CFG1 Field Descriptions
          3. 7.6.2.6.3 Calibration Background Control Register (address = 0x057) [reset = 0x10]
            1. Table 60. CAL_BACK Field Descriptions
          4. 7.6.2.6.4 ADC Pattern and Over-Range Enable Register (address = 0x058) [reset = 0x00]
            1. Table 61. ADC_PAT_OVR_EN Field Descriptions
          5. 7.6.2.6.5 Calibration Vectors Register (address = 0x05A) [reset = 0x00]
            1. Table 62. CAL_VECTOR Field Descriptions
          6. 7.6.2.6.6 Calibration Status Register (address = 0x05B) [reset = undefined]
            1. Table 63. CAL_STAT Field Descriptions
          7. 7.6.2.6.7 Timing Calibration Register (address = 0x066) [reset = 0x02]
            1. Table 64. CAL_STAT Field Descriptions
        7. 7.6.2.7 Digital Down Converter and JESD204B (0x200-0x27F)
          1. 7.6.2.7.1  Digital Down-Converter (DDC) Control Register (address = 0x200) [reset = 0x10]
            1. Table 66. DDC_CTRL1 Field Descriptions
          2. 7.6.2.7.2  JESD204B Control 1 Register (address = 0x201) [reset = 0x0F]
            1. Table 67. JESD_CTRL1 Field Descriptions
          3. 7.6.2.7.3  JESD204B Control 2 Register (address = 0x202) [reset = 0x00]
            1. Table 68. JESD_CTRL2 Field Descriptions
          4. 7.6.2.7.4  JESD204B Device ID (DID) Register (address = 0x203) [reset = 0x00]
            1. Table 69. JESD_DID Field Descriptions
          5. 7.6.2.7.5  JESD204B Control 3 Register (address = 0x204) [reset = 0x00]
            1. Table 70. JESD_CTRL3 Field Descriptions
          6. 7.6.2.7.6  JESD204B and System Status Register (address = 0x205) [reset = Undefined]
            1. Table 71. JESD_STATUS Field Descriptions
          7. 7.6.2.7.7  Overrange Threshold 0 Register (address = 0x206) [reset = 0xF2]
            1. Table 72. OVR_T0 Field Descriptions
          8. 7.6.2.7.8  Overrange Threshold 1 Register (address = 0x207) [reset = 0xAB]
            1. Table 73. OVR_T1 Field Descriptions
          9. 7.6.2.7.9  Overrange Period Register (address = 0x208) [reset = 0x00]
            1. Table 74. OVR_N Field Descriptions
          10. 7.6.2.7.10 DDC Configuration Preset Mode Register (address = 0x20C) [reset = 0x00]
            1. Table 75. NCO_MODE Field Descriptions
          11. 7.6.2.7.11 DDC Configuration Preset Select Register (address = 0x20D) [reset = 0x00]
            1. Table 76. NCO_SEL Field Descriptions
          12. 7.6.2.7.12 Rational NCO Reference Divisor Register (address = 0x20E to 0x20F) [reset = 0x0000]
            1. Table 77. NCO_RDIV Field Descriptions
          13. 7.6.2.7.13 NCO Frequency (Preset x) Register (address = see ) [reset = see ]
            1. Table 78. NCO_FREQ_x Field Descriptions
          14. 7.6.2.7.14 NCO Phase (Preset x) Register (address = see ) [reset = see ]
            1. Table 79. NCO_PHASE_x Field Descriptions
          15. 7.6.2.7.15 DDC Delay (Preset x) Register (address = see ) [reset = see ]
            1. Table 80. DDC_DLY_x Field Descriptions
  8. Application and Implementation
    1. 8.1 Application Information
    2. 8.2 Typical Application
      1. 8.2.1 RF Sampling Receiver
        1. 8.2.1.1 Design Requirements
        2. 8.2.1.2 Detailed Design Procedure
        3. 8.2.1.3 Application Curves
    3. 8.3 Initialization Set-Up
      1. 8.3.1 JESD204B Startup Sequence
    4. 8.4 Dos and Don'ts
      1. 8.4.1 Common Application Pitfalls
  9. Power Supply Recommendations
    1. 9.1 Supply Voltage
  10. 10Layout
    1. 10.1 Layout Guidelines
    2. 10.2 Layout Example
    3. 10.3 Thermal Management
  11. 11器件和文档支持
    1. 11.1 器件支持
      1. 11.1.1 Third-Party Products Disclaimer
      2. 11.1.2 开发支持
      3. 11.1.3 器件命名规则
    2. 11.2 文档支持
      1. 11.2.1 相关文档
    3. 11.3 社区资源
    4. 11.4 商标
    5. 11.5 静电放电警告
    6. 11.6 Glossary
  12. 12机械、封装和可订购信息

封装选项

机械数据 (封装 | 引脚)
散热焊盘机械数据 (封装 | 引脚)
订购信息

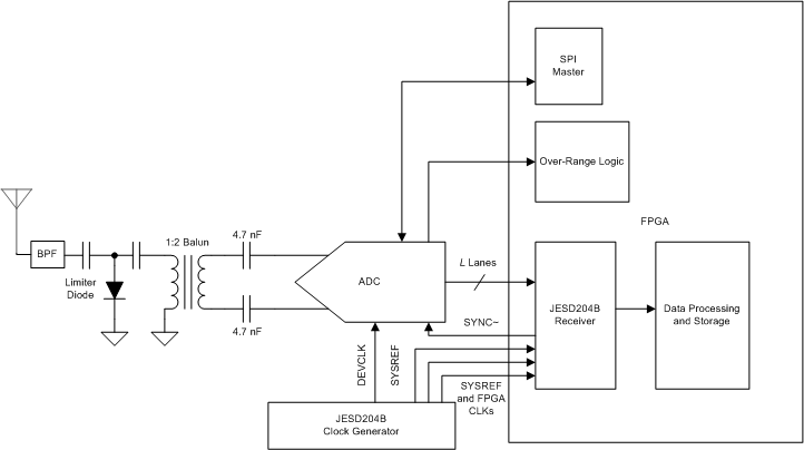
RF Sampling Receiver

An RF Sampling Receiver is used to directly sample a signal in the RF frequency range and provide the data for the captured signal to downstream processing. The wide input bandwidth, high sampling rate, and DDC features of the LM15851 make it ideally suited for this application.

LM15851 RF_Sampling_Schematic.gifFigure 77. Simplified Schematic