SNOSBH0D May   2000  – November 2015 LF156 , LF256 , LF356

PRODUCTION DATA.  

  1. Features
  2. Applications
  3. Description
  4. Revision History
  5. Pin Configuration and Functions
  6. Specifications
    1. 6.1 Absolute Maximum Ratings
    2. 6.2 ESD Ratings
    3. 6.3 Recommended Operating Conditions
    4. 6.4 Thermal Information
    5. 6.5 AC Electrical Characteristics, TA = TJ = 25°C, VS = ±15 V
    6. 6.6 DC Electrical Characteristics, TA = TJ = 25°C, VS = ±15 V
    7. 6.7 DC Electrical Characteristics
    8. 6.8 Power Dissipation Ratings
    9. 6.9 Typical Characteristics
      1. 6.9.1 Typical DC Performance Characteristics
      2. 6.9.2 Typical AC Performance Characteristics
  7. Detailed Description
    1. 7.1 Overview
    2. 7.2 Functional Block Diagram
    3. 7.3 Feature Description
      1. 7.3.1 Large Differential Input Voltage
      2. 7.3.2 Large Common-Mode Input Voltage
    4. 7.4 Device Functional Modes
  8. Application and Implementation
    1. 8.1 Application Information
    2. 8.2 Typical Application
      1. 8.2.1 Design Requirements
      2. 8.2.2 Detailed Design Procedure
      3. 8.2.3 Application Curves
    3. 8.3 System Examples
  9. Power Supply Recommendations
  10. 10Layout
    1. 10.1 Layout Guidelines
      1. 10.1.1 Printed-Circuit-Board Layout For High-Impedance Work
    2. 10.2 Layout Example
  11. 11Device and Documentation Support
    1. 11.1 Related Links
    2. 11.2 Community Resources
    3. 11.3 Trademarks
    4. 11.4 Electrostatic Discharge Caution
    5. 11.5 Glossary
  12. 12Mechanical, Packaging, and Orderable Information

封装选项

机械数据 (封装 | 引脚)
散热焊盘机械数据 (封装 | 引脚)
订购信息

7 Detailed Description

7.1 Overview

These are the first monolithic JFET input operational amplifiers to incorporate well matched, high voltage JFETs on the same chip with standard bipolar transistors (BI-FET Technology). These amplifiers feature low input bias and offset currents, as well as low offset voltage and offset voltage drift, coupled with offset adjust which does not degrade drift or common-mode rejection. These devices can replace expensive hybrid and module FET operational amplifiers. Designed for low voltage and current noise and a low 1/f noise corner, these devices are excellent for low noise applications using either high or low source impedance.

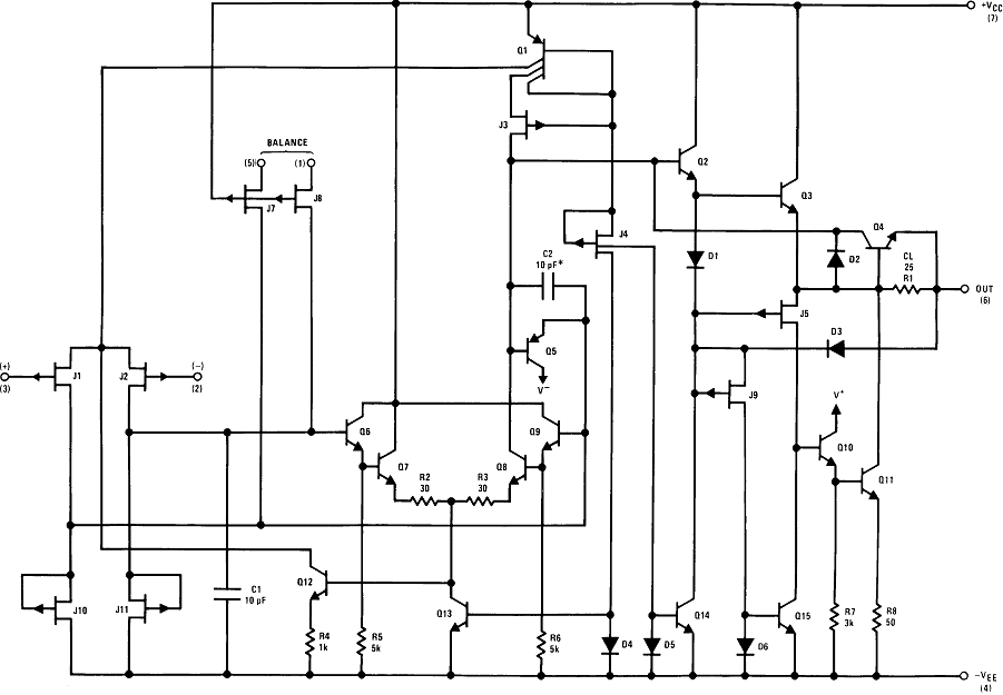
7.2 Functional Block Diagram

LF155 LF156 LF256 LF257 LF355 LF356 LF357 00564613.png
*C = 3 pF in LF357 series.
Figure 34. Detailed Schematic

7.3 Feature Description

7.3.1 Large Differential Input Voltage

These are operational amplifiers with JFET input devices. These JFETs have large reverse breakdown voltages from gate to source and drain eliminating the need for clamps across the inputs. Therefore large differential input voltages can easily be accommodated without a large increase in input current. The maximum differential input voltage is independent of the supply voltages. However, neither of the input voltages should be allowed to exceed the negative supply as this will cause large currents to flow which can result in a destroyed unit.

7.3.2 Large Common-Mode Input Voltage

These amplifiers will operate with the common-mode input voltage equal to the positive supply. In fact, the common-mode voltage can exceed the positive supply by approximately 100 mV independent of supply voltage and over the full operating temperature range. The positive supply can therefore be used as a reference on an input as, for example, in a supply current monitor and/or limiter.

7.4 Device Functional Modes

The LFx5x has a single functional mode and operates according to the conditions listed in the Recommended Operating Conditions.