ZHCSLQ2F january   2020  – february 2023 ISO6720 , ISO6721 , ISO6721R

PRODUCTION DATA  

  1.   1
  2. 特性
  3. 应用
  4. 说明
  5. Revision History
  6. Pin Configuration and Functions
  7. Specifications
    1. 6.1  Absolute Maximum Ratings
    2. 6.2  ESD Ratings
    3. 6.3  Recommended Operating Conditions
    4. 6.4  Thermal Information
    5. 6.5  Power Ratings
    6. 6.6  Insulation Specifications
    7. 6.7  Safety-Related Certifications
    8. 6.8  Safety Limiting Values
    9. 6.9  Electrical Characteristics—5-V Supply
    10. 6.10 Supply Current Characteristics—5-V Supply
    11. 6.11 Electrical Characteristics—3.3-V Supply
    12. 6.12 Supply Current Characteristics—3.3-V Supply
    13. 6.13 Electrical Characteristics—2.5-V Supply 
    14. 6.14 Supply Current Characteristics—2.5-V Supply
    15. 6.15 Electrical Characteristics—1.8-V Supply
    16. 6.16 Supply Current Characteristics—1.8-V Supply
    17. 6.17 Switching Characteristics—5-V Supply
    18. 6.18 Switching Characteristics—3.3-V Supply
    19. 6.19 Switching Characteristics—2.5-V Supply
    20. 6.20 Switching Characteristics—1.8-V Supply
    21. 6.21 Insulation Characteristics Curves
    22. 6.22 Typical Characteristics
  8. Parameter Measurement Information
  9. Detailed Description
    1. 8.1 Overview
    2. 8.2 Functional Block Diagram
    3. 8.3 Feature Description
      1. 8.3.1 Electromagnetic Compatibility (EMC) Considerations
    4. 8.4 Device Functional Modes
      1. 8.4.1 Device I/O Schematics
  10. Application and Implementation
    1. 9.1 Application Information
    2. 9.2 Typical Application
      1. 9.2.1 Design Requirements
      2. 9.2.2 Detailed Design Procedure
      3. 9.2.3 Application Curve
    3. 9.3 Insulation Lifetime
  11. 10Power Supply Recommendations
  12. 11Layout
    1. 11.1 Layout Guidelines
      1. 11.1.1 PCB Material
    2. 11.2 Layout Example
  13. 12Device and Documentation Support
    1. 12.1 Device Support
      1. 12.1.1 Development Support
    2. 12.2 Documentation Support
      1. 12.2.1 Related Documentation
    3. 12.3 Receiving Notification of Documentation Updates
    4. 12.4 支持资源
    5. 12.5 Trademarks
    6. 12.6 静电放电警告
    7. 12.7 术语表
  14. 13Mechanical, Packaging, and Orderable Information

封装选项

机械数据 (封装 | 引脚)
散热焊盘机械数据 (封装 | 引脚)
订购信息

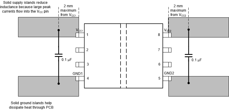
Layout Example

GUID-20201201-CA0I-SKBV-X6DL-WLDWT5V3JJNR-low.gif Figure 11-1 Layout Example
GUID-C5C731DE-9187-4BBF-ADD7-69252B8F712C-low.gif Figure 11-2 Four Layer Board Layout Example