ZHCSL82A May   2020  – June 2021 INA239-Q1

PRODUCTION DATA  

  1. 特性
  2. 应用
  3. 说明
  4. Revision History
  5. Pin Configuration and Functions
  6. Specifications
    1. 6.1 Absolute Maximum Ratings
    2. 6.2 ESD Ratings
    3. 6.3 Recommended Operating Conditions
    4. 6.4 Thermal Information
    5. 6.5 Electrical Characteristics
    6. 6.6 Timing Requirements (SPI)
    7. 6.7 Timing Diagram
    8. 6.8 Typical Characteristics
  7. Detailed Description
    1. 7.1 Overview
    2. 7.2 Functional Block Diagram
    3. 7.3 Feature Description
      1. 7.3.1 Versatile High Voltage Measurement Capability
      2. 7.3.2 Power Calculation
      3. 7.3.3 Low Bias Current
      4. 7.3.4 High-Precision Delta-Sigma ADC
        1. 7.3.4.1 Low Latency Digital Filter
        2. 7.3.4.2 Flexible Conversion Times and Averaging
      5. 7.3.5 Integrated Precision Oscillator
      6. 7.3.6 Multi-Alert Monitoring and Fault Detection
    4. 7.4 Device Functional Modes
      1. 7.4.1 Shutdown Mode
      2. 7.4.2 Power-On Reset
    5. 7.5 Programming
      1. 7.5.1 Serial Interface
        1. 7.5.1.1 SPI Frame
    6. 7.6 Register Maps
      1. 7.6.1 INA239-Q1 Registers
  8. Application and Implementation
    1. 8.1 Application Information
      1. 8.1.1 Device Measurement Range and Resolution
      2. 8.1.2 Current and Power Calculations
      3. 8.1.3 ADC Output Data Rate and Noise Performance
      4. 8.1.4 Input Filtering Considerations
    2. 8.2 Typical Application
      1. 8.2.1 Design Requirements
      2. 8.2.2 Detailed Design Procedure
        1. 8.2.2.1 Select the Shunt Resistor
        2. 8.2.2.2 Configure the Device
        3. 8.2.2.3 Program the Shunt Calibration Register
        4. 8.2.2.4 Set Desired Fault Thresholds
        5. 8.2.2.5 Calculate Returned Values
      3. 8.2.3 Application Curves
  9. Power Supply Recommendations
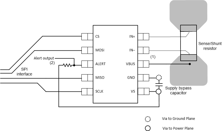
  10. 10Layout
    1. 10.1 Layout Guidelines
    2. 10.2 Layout Example
  11. 11Device and Documentation Support
    1. 11.1 接收文档更新通知
    2. 11.2 支持资源
    3. 11.3 Trademarks
    4. 11.4 Electrostatic Discharge Caution
    5. 11.5 术语表
  12. 12Mechanical, Packaging, and Orderable Information

封装选项

机械数据 (封装 | 引脚)
散热焊盘机械数据 (封装 | 引脚)
订购信息

Layout Example

GUID-20201103-CA0I-WN4F-0KN0-GV3DM0D5BDKK-low.gif
(1) Connect the VBUS pin to the voltage powering the load for load power calculations..
(2) Can be left floating if unused.
Figure 10-1 INA239-Q1 Layout Example