ZHCSJA8B September   2005  – January 2019 DS90LV049H

PRODUCTION DATA.  

  1. 特性
  2. 应用
  3. 说明
    1.     Device Images
      1.      双列直插式
      2.      功能图
  4. 修订历史记录
  5. Pin Configuration and Functions
    1.     Pin Functions
  6. Specifications
    1. 6.1 Absolute Maximum Ratings
    2. 6.2 ESD Ratings
    3. 6.3 Recommended Operating Conditions
    4. 6.4 Thermal Information
    5. 6.5 Electrical Characteristics
    6. 6.6 Switching Characteristics
    7. 6.7 Typical Characteristics
  7. Parameter Measurement Information
  8. Detailed Description
    1. 8.1 Overview
    2. 8.2 Functional Block Diagram
    3. 8.3 Feature Description
      1. 8.3.1 DS90LV049H LVDS Driver and Receiver Functionality
      2. 8.3.2 Termination
      3. 8.3.3 Fail-Safe Feature
    4. 8.4 Device Functional Modes
  9. Application and Implementation
    1. 9.1 Application Information
    2. 9.2 Typical Application
      1. 9.2.1 Design Requirements
      2. 9.2.2 Detailed Design Procedure
        1. 9.2.2.1 Power Decoupling Recommendations
        2. 9.2.2.2 PCB Transmission Lines
        3. 9.2.2.3 Input Fail-Safe Biasing
        4. 9.2.2.4 Probing LVDS Transmission Lines on PCB
        5. 9.2.2.5 Interconnecting Media
      3. 9.2.3 Application Curve
  10. 10Power Supply Recommendations
  11. 11Layout
    1. 11.1 Layout Guidelines
      1. 11.1.1 Microstrip vs. Stripline Topologies
      2. 11.1.2 Dielectric Type and Board Construction
      3. 11.1.3 Recommended Stack Layout
      4. 11.1.4 Separation Between Traces
      5. 11.1.5 Crosstalk and Ground Bounce Minimization
      6. 11.1.6 Decoupling
    2. 11.2 Layout Example
  12. 12器件和文档支持
    1. 12.1 相关文档
    2. 12.2 接收文档更新通知
    3. 12.3 社区资源
    4. 12.4 商标
    5. 12.5 静电放电警告
    6. 12.6 术语表
  13. 13机械、封装和可订购信息

封装选项

机械数据 (封装 | 引脚)
散热焊盘机械数据 (封装 | 引脚)
订购信息

Parameter Measurement Information

DS90LV049H 20161703.gifFigure 2. Driver VOD and VOS Test Circuit
DS90LV049H 20161704.gifFigure 3. Driver Propagation Delay and Transition Time Test Circuit
DS90LV049H 20161705.pngFigure 4. Driver Propagation Delay and Transition Time Waveforms
DS90LV049H 20161706.gifFigure 5. Driver TRI-STATE Delay Test Circuit
DS90LV049H 20161707.pngFigure 6. Driver TRI-STATE Delay Waveform
DS90LV049H 20161709.gifFigure 7. Receiver Propagation Delay and Transition Time Test Circuit
DS90LV049H 20161710.pngFigure 8. Receiver Propagation Delay and Transition Time Waveforms
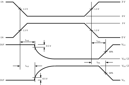
DS90LV049H 20161711.gifFigure 9. Receiver TRI-STATE Delay Test Circuit
DS90LV049H 20161714.gifFigure 10. Receiver TRI-STATE Delay Waveforms