ZHCSIT3C February   2012  – September 2018 DS90C187

PRODUCTION DATA.  

  1. 特性
  2. 应用
  3. 说明
    1.     Device Images
      1.      典型应用
      2.      典型应用
  4. 修订历史记录
  5. (说明 (续))
  6. Pin Configuration and Functions
    1.     DS90C187 Pin Descriptions — Serializer
  7. Specifications
    1. 7.1 Absolute Maximum Ratings
    2. 7.2 ESD Ratings
    3. 7.3 Recommended Operating Conditions
    4. 7.4 Thermal Information
    5. 7.5 Electrical Characteristics
    6. 7.6 Recommended Input Characteristics
    7. 7.7 Switching Characteristics
    8. 7.8 AC Timing Diagrams
    9. 7.9 Typical Characteristics
  8. Detailed Description
    1. 8.1 Overview
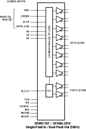
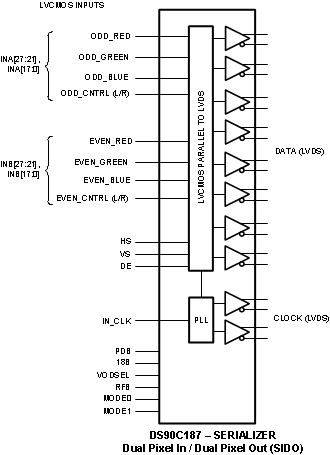
    2. 8.2 Functional Block Diagrams
    3. 8.3 Device Functional Modes
      1. 8.3.1  Device Configuration
      2. 8.3.2  Single Pixel Input / Single Pixel Output
      3. 8.3.3  Single Pixel Input / Dual Pixel Output
      4. 8.3.4  Dual Pixel Input / Dual Pixel Output
      5. 8.3.5  Pixel Clock Edge Select (RFB)
      6. 8.3.6  Power Management
      7. 8.3.7  Sleep Mode (PDB)
      8. 8.3.8  LVDS Outputs
      9. 8.3.9  18 bit / 24 bit Color Mode (18B)
      10. 8.3.10 LVCMOS Inputs
    4. 8.4 Programming
      1. 8.4.1 LVDS Interface / TFT Color Data Recommended Mapping
        1. 8.4.1.1 Color Mapping Information
  9. Application and Implementation
    1. 9.1 Application Information
    2. 9.2 Typical Application
      1. 9.2.1 Design Requirements
      2. 9.2.2 Detailed Design Procedure
        1. 9.2.2.1 LVDS Interconnect Guidelines
      3. 9.2.3 Application Curves
  10. 10Power Supply Recommendations
    1. 10.1 Power Up Sequence
    2. 10.2 Power Supply Filtering
  11. 11Layout
    1. 11.1 Layout Guidelines
    2. 11.2 Layout Example
  12. 12器件和文档支持
    1. 12.1 文档支持
      1. 12.1.1 相关文档
    2. 12.2 接收文档更新通知
    3. 12.3 社区资源
    4. 12.4 商标
    5. 12.5 静电放电警告
    6. 12.6 术语表
  13. 13机械、封装和可订购信息

封装选项

机械数据 (封装 | 引脚)
散热焊盘机械数据 (封装 | 引脚)
订购信息

Functional Block Diagrams

DS90C187 30151694.gif
DS90C187 30151695.gif
DS90C187 30151696.gif