ZHCSKE7B February   2017  – October 2019 DS250DF210

PRODUCTION DATA.  

  1. 特性
  2. 应用
  3. 说明
    1.     Device Images
      1.      简化原理图
  4. 修订历史记录
  5. 说明 (续)
  6. Pin Configuration and Functions
    1.     Pin Functions
  7. Specifications
    1. 7.1  Absolute Maximum Ratings
    2. 7.2  ESD Ratings
    3. 7.3  Recommended Operating Conditions
    4. 7.4  Thermal Information
    5. 7.5  Electrical Characteristics
    6. 7.6  Timing Requirements, Retimer Jitter Specifications
    7. 7.7  Timing Requirements, Retimer Specifications
    8. 7.8  Timing Requirements, Recommended Calibration Clock Specifications
    9. 7.9  Recommended SMBus Switching Characteristics (Slave Mode)
    10. 7.10 Recommended SMBus Switching Characteristics (Master Mode)
    11. 7.11 Typical Characteristics
  8. Detailed Description
    1. 8.1 Overview
    2. 8.2 Functional Block Diagram
    3. 8.3 Feature Description
      1. 8.3.1  Device Data Path Operation
      2. 8.3.2  Signal Detect
      3. 8.3.3  Continuous Time Linear Equalizer (CTLE)
      4. 8.3.4  Variable Gain Amplifier (VGA)
      5. 8.3.5  Cross-Point Switch
      6. 8.3.6  Decision Feedback Equalizer (DFE)
      7. 8.3.7  Clock and Data Recovery (CDR)
      8. 8.3.8  Calibration Clock
      9. 8.3.9  Differential Driver With FIR Filter
        1. 8.3.9.1 Setting the Output VOD, Precursor, and Postcursor Equalization
        2. 8.3.9.2 Output Driver Polarity Inversion
      10. 8.3.10 Debug Features
        1. 8.3.10.1 Pattern Generator
        2. 8.3.10.2 Pattern Checker
        3. 8.3.10.3 Eye Opening Monitor
      11. 8.3.11 Interrupt Signals
    4. 8.4 Device Functional Modes
      1. 8.4.1 Supported Data Rates
      2. 8.4.2 SMBus Master Mode
      3. 8.4.3 Device SMBus Address
    5. 8.5 Programming
      1. 8.5.1 Bit Fields in the Register Set
      2. 8.5.2 Writing to and Reading from the Global/Shared/Channel Registers
    6. 8.6 Register Maps
  9. Application and Implementation
    1. 9.1 Application Information
    2. 9.2 Typical Applications
      1. 9.2.1 Front-Port Jitter Cleaning Applications
        1. 9.2.1.1 Design Requirements
        2. 9.2.1.2 Detailed Design Procedure
      2. 9.2.2 Active Cable Applications
        1. 9.2.2.1 Design Requirements
        2. 9.2.2.2 Detailed Design Procedure
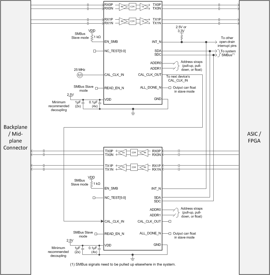
      3. 9.2.3 Backplane and Mid-Plane Applications
      4. 9.2.4 Design Requirements
      5. 9.2.5 Detailed Design Procedure
      6. 9.2.6 Application Curves
  10. 10Power Supply Recommendations
  11. 11Layout
    1. 11.1 Layout Guidelines
    2. 11.2 Layout Example
  12. 12器件和文档支持
    1. 12.1 器件支持
      1. 12.1.1 开发支持
    2. 12.2 文档支持
      1. 12.2.1 相关文档
    3. 12.3 接收文档更新通知
    4. 12.4 支持资源
    5. 12.5 商标
    6. 12.6 静电放电警告
    7. 12.7 Glossary
  13. 13机械、封装和可订购信息

封装选项

机械数据 (封装 | 引脚)
散热焊盘机械数据 (封装 | 引脚)
订购信息

Backplane and Mid-Plane Applications

The DS250DF210 has strong equalization capabilities that allow it to recover data over channels up to 35 dB insertion loss. As a result, the optimum placement for the DS250DF210 in a backplane/mid-plane application is with the higher-loss channel segment at the input and the lower-loss channel segment at the output. This reduces the equalization burden on the downstream ASIC/FPGA, as the DS250DF210 is equalizing a majority of the overall channel. This type of asymmetric placement is not a requirement, but when an asymmetric placement is required due to the presence of a passive backplane or mid-plane, then this becomes the recommended placement.

DS250DF210 DS250DF210_app_bp_bd.gifFigure 20. Backplane/Mid-Plane Application Block Diagram
(Top: Recommended Placement; Bottom: Placement With Both Retimers on the Same board)
DS250DF210 DS250DF200_app_bp_schematic.gifFigure 21. Backplane/Mid-Plane Application Schematic