ZHCSDR9D July   2012  – May 2015 DS125BR401

PRODUCTION DATA.  

  1. 特性
  2. 应用范围
  3. 说明
  4. 典型应用
  5. 修订历史记录
  6. 说明(续)
  7. Pin Configuration and Functions
  8. Specifications
    1. 8.1 Absolute Maximum Ratings
    2. 8.2 ESD Ratings
    3. 8.3 Recommended Operating Conditions
    4. 8.4 Thermal Information
    5. 8.5 Electrical Characteristics
    6. 8.6 Electrical Characteristics — Serial Management Bus Interface
    7. 8.7 Typical Characteristics
  9. Detailed Description
    1. 9.1 Overview
    2. 9.2 Functional Block Diagram
    3. 9.3 Feature Description
      1. 9.3.1 Typical 4-Level Input Thresholds
    4. 9.4 Device Functional Modes
      1. 9.4.1 Pin Control Mode
      2. 9.4.2 SMBUS Mode
    5. 9.5 Programming
      1. 9.5.1 PCIe Signal Integrity
        1. 9.5.1.1 RX-Detect in SAS/SATA (up to 6 Gbps) Applications
          1. 9.5.1.1.1 Signal Detect Control for Datarates Above 8 Gbps
        2. 9.5.1.2 MODE Operation With SMBus Registers
      2. 9.5.2 SMBUS Master Mode
      3. 9.5.3 System Management Bus (SMBus) and Configuration Registers
        1. 9.5.3.1 Transfer of Data Through the SMBus
        2. 9.5.3.2 SMBus Transactions
        3. 9.5.3.3 Writing a Register
        4. 9.5.3.4 Reading a Register
    6. 9.6 Register Maps
  10. 10Application and Implementation
    1. 10.1 Application Information
    2. 10.2 Typical Application
      1. 10.2.1 Design Requirements
      2. 10.2.2 Detailed Design Procedure
      3. 10.2.3 Application Curves
  11. 11Power Supply Recommendations
    1. 11.1 3.3-V or 2.5-V Supply Mode Operation
    2. 11.2 Power Supply Bypassing
  12. 12Layout
    1. 12.1 Layout Guidelines
      1. 12.1.1 PCB Layout Considerations for Differential Pairs
    2. 12.2 Layout Example
  13. 13器件和文档支持
    1. 13.1 文档支持
      1. 13.1.1 相关文档
    2. 13.2 Community Resources
    3. 13.3 商标
    4. 13.4 静电放电警告
    5. 13.5 术语表
  14. 14机械、封装和可订购信息

封装选项

机械数据 (封装 | 引脚)
散热焊盘机械数据 (封装 | 引脚)
订购信息

8 Specifications

8.1 Absolute Maximum Ratings(1)

MIN MAX UNIT
Supply Voltage (VDD - 2.5 V) –0.5 2.75 V
Supply Voltage (VIN - 3.3 V) –0.5 4 V
LVCMOS Input/Output Voltage –0.5 4 V
CML Input Voltage –0.5 (VDD + 0.5) V
CML Input Current –30 30 mA
Junction Temperature 125 °C
Lead Temperature Range Soldering (4 sec.)(2) 260 °C
Storage Temperature, Tstg –40 125 °C
(1) Stresses beyond those listed under Absolute Maximum Ratings may cause permanent damage to the device. These are stress ratings only, which do not imply functional operation of the device at these or any other conditions beyond those indicated under Recommended Operating Conditions. Exposure to absolute-maximum-rated conditions for extended periods may affect device reliability.
(2) For soldering specifications: See application note SNOA549.

8.2 ESD Ratings

VALUE UNIT
V(ESD) Electrostatic discharge Human body model (HBM), per ANSI/ESDA/JEDEC JS-001, all pins(1) ±5000 V
Charged device model (CDM), per JEDEC specification JESD22-C101, all pins(2) ±1000
Machine model (MM), JESD22-A115-A ±150
(1) JEDEC document JEP155 states that 500-V HBM allows safe manufacturing with a standard ESD control process.
(2) JEDEC document JEP157 states that 250-V CDM allows safe manufacturing with a standard ESD control process.

8.3 Recommended Operating Conditions

The Recommended Operating Conditions indicate conditions at which the device is functional and the device should not be operated beyond such conditions. Absolute maximum numbers are specified for a junction temperature range of –40°C to 125°C. Models are validated to maximum operating voltages only.
MIN NOM MAX UNIT
Supply Voltage (2.5-V mode) 2.375 2.5 2.625 V
Supply Voltage (3.3-V mode) 3.0 3.3 3.6 V
Ambient Temperature –40 25 85 °C
SMBus (SDA, SCL) 3.6 V
Supply Noise up to 50 MHz(1) 100 mVp-p
(1) Allowed supply noise (mVp-p sine wave) under typical conditions.

8.4 Thermal Information

THERMAL METRIC(1) DS125BR401 UNIT
NJY [WQFN]
54 PINS
RθJA Junction-to-ambient thermal resistance 26.6 °C/W
RθJC(top) Junction-to-case (top) thermal resistance 10.8 °C/W
RθJB Junction-to-board thermal resistance 4.4 °C/W
ψJT Junction-to-top characterization parameter 0.2 °C/W
ψJB Junction-to-board characterization parameter 4.3 °C/W
RθJC(bot) Junction-to-case (bottom) thermal resistance 1.5 °C/W
(1) For more information about traditional and new thermal metrics, see the Semiconductor and IC Package Thermal Metrics application report, SPRA953.

8.5 Electrical Characteristics

PARAMETER TEST CONDITIONS MIN TYP MAX UNIT
POWER
PD Power Dissipation VDD = 2.5-V supply, EQ Enabled,
VOD = 1 Vp-p, RXDET = 1, PWDN = 0
500 700 mW
VIN = 3.3-V supply, EQ Enabled,
VOD = 1 Vp-p, RXDET = 1, PWDN = 0
660 900
LVCMOS / LVTTL DC SPECIFICATIONS
VIH25 High Level Input Voltage 2.5-V Mode 2.0 VDD V
VIH33 High Level Input Voltage 3.3-V Mode 2.0 VIN V
VIL Low Level Input Voltage 0 0.8 V
VOH High Level Output Voltage
(ALL_DONE pin)
Ioh = –4 mA 2.0 V
VOL Low Level Output Voltage
(ALL_DONE pin)
Iol = 4 mA 0.4 V
IIH Input High Current (PWDN pin) VIN = 3.6 V,
LVCMOS = 3.6 V
–15 15 µA
Input High Current with internal resistors
(4-level input pin)
20 150
IIL Input Low Current (PWDN pin) VIN = 3.6 V,
LVCMOS = 0 V
–15 15 µA
Input Low Current with internal resistors
(4-level input pin)
–160 –40
CML RECEIVER INPUTS (IN_N+, IN_N-)
RLRX-DIFF RX Differential return loss 0.05 - 7.5 GHz –15 dB
7.5 - 15 GHz –5
RLRX-CM RX Common mode return loss 0.05 - 5 GHz –10 dB
ZRX-DC RX DC common mode impedance Tested at VDD = 2.5 V 40 50 60 Ω
ZRX-DIFF-DC RX DC differential mode impedance Tested at VDD = 2.5 V 80 100 120 Ω
VRX-DIFF-DC Differential RX peak-to-peak voltage (VID) Tested at pins 1.2 V
VRX-SIGNAL-DET-DIFF-PP Signal detect assert level for active data signal SD_TH = F (float), 0101 pattern at 8 Gbps 180 mVp-p
VRX-IDLE-DET-DIFF-PP Signal detect deassert level for electrical idle SD_TH = F (float), 0101 pattern at 8 Gbps 110 mVp-p
HIGH SPEED OUTPUTS
VTX-DIFF-PP Output Voltage Differential Swing Differential measurement with Out_n+ and OUT_n-, terminated by 50 Ω to GND,
AC-Coupled, VID = 1 Vp-p,
DEM0 = 1, DEM1 = 0(2)
0.8 1 1.2 Vp-p
VTX-DE-RATIO_3.5 TX de-emphasis ratio VOD = 1 Vp-p, DEM0 = 0, DEM1 = R,
PCIe Gen-1 or PCIe Gen-2 and SAS/SATA (up to 6 Gbps)
–3.5 dB
VTX-DE-RATIO_6 TX de-emphasis ratio VOD = 1 Vp-p, DEM0 = R, DEM1 = R,
PCIe Gen-1 or PCIe Gen-2 and SAS/SATA (up to 6 Gbps)
–6 dB
TTX-DJ Deterministic Jitter VID = 800 mV, PRBS15 pattern, 8.0 Gbps, VOD = 1 V, EQ = 0x00, DE = 0 dB, (no input or output trace loss) 0.05 UIpp
TTX-RJ Random Jitter VID = 800 mV, 0101 pattern, 8.0 Gbps, VOD = 1 V, EQ = 0x00, DE = 0 dB, (no input or output trace loss) 0.3 ps RMS
TTX-RISE-FALL Transmitter rise/fall time 20% to 80% of differential output voltage 35 45 ps
TRF-MISMATCH Transmitter rise/fall mismatch 20% to 80% of differential output voltage 0.01 0.1 UI
RLTX-DIFF TX Differential return loss 0.05 - 7.5 GHz –15 dB
7.5 - 15 GHz –5
RLTX-CM TX Common mode return loss 0.05 - 5 GHz –10 dB
ZTX-DIFF-DC DC differential TX impedance 100 Ω
VTX-CM-AC-PP TX AC common mode voltage VOD = 1 Vp-p,
DEM0 = 1, DEM1 = 0
100 mVp-p
ITX-SHORT Transmitter short circuit current limit Total current the transmitter can supply when shorted to VDD or GND 20 mA
VTX-CM-DC-ACTIVE-IDLE-DELTA Absolute delta of DC common mode voltage during L0 and electrical idle 100 mV
VTX-CM-DC-LINE-DELTA Absolute delta of DC common mode voltage between TX+ and TX- 25 mV
TTX-IDLE-DATA Max time to transition to valid differential signal after idle VID = 1 Vp-p, 8 Gbps 3.5 ns
TTX-DATA-IDLE Max time to transition to idle after differential signal VID = 1 Vp-p, 8 Gbps 6.2 ns
TPDEQ Differential propagation delay EQ = 00(1) 200 ps
TLSK Lane-to-lane skew T = 25°C, VDD = 2.5 V 25 ps
TPPSK Part-to-part propagation delay skew T = 25°C, VDD = 2.5 V 40 ps
EQUALIZATION
DJE1 Residual deterministic jitter at 12 Gbps 30” 5mils FR4, VID = 0.6 Vp-p,
PRBS15, EQ = 0x07, DEM = 0 dB
0.18 UIpp
DJE2 Residual deterministic jitter at 8 Gbps 30” 5mils FR4, VID = 0.6 Vp-p,
PRBS15, EQ = 0x07, DEM = 0 dB
0.11 UIpp
DJE3 Residual deterministic jitter at 5 Gbps 30” 5mils FR4, VID = 0.6 Vp-p,
PRBS15, EQ = 0x07, DEM = 0 dB
0.07 UIpp
DJE4 Residual deterministic jitter at 12 Gbps 5-meter 30-AWG cable, VID = 0.6 Vp-p,
PRBS15, EQ = 0x07, DEM = 0 dB
0.25 UIpp
DJE5 Residual deterministic jitter at 12 Gbps 8-meter 30-AWG cable, VID = 0.6 Vp-p,
PRBS15, EQ = 0x0F, DEM = 0 dB
0.33 UIpp
DE-EMPHASIS — PCIe Gen-1 or PCIe Gen-2 and SAS/SATA (up to 6 Gbps)
DJD1 Residual deterministic jitter at 12 Gbps

Input Channel: 20" 5mils FR4,

Output Channel: 10” 5mils FR4,
VID = 0.6 Vp-p, PRBS15, EQ = 0x03,
VOD = 1 Vp-p, DEM = −3.5 dB
0.1 UIpp
(1) Propagation Delay measurements will change slightly based on the level of EQ selected. EQ = 00 will result in the longest propagation delays.
(2) In PCIe Gen-3 mode, the output VOD level is not fixed. It will be adjusted automatically based on the VID input amplitude level. The output VOD level set by DEMA/B[1:0] in this MODE is dependent on the VID level and the frequency content. The DS125BR401 repeater is designed to be nonlimiting in this MODE, so the TX-FIR (de-emphasis) is passed to the RX to support the handshake negotiation link training.

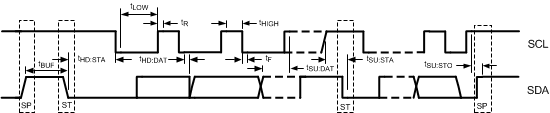
8.6 Electrical Characteristics — Serial Management Bus Interface

Over recommended operating supply and temperature ranges unless other specified.
PARAMETER TEST CONDITIONS MIN TYP MAX UNIT
SERIAL BUS INTERFACE DC SPECIFICATIONS
VIL Data, Clock Input Low Voltage 0.8 V
VIH Data, Clock Input High Voltage 2.1 3.6 V
IPULLUP Current Through Pullup Resistor or Current Source High Power Specification 4 mA
VDD Nominal Bus Voltage 2.375 3.6 V
ILEAK-Bus Input Leakage Per Bus Segment See(1) –200 200 µA
ILEAK-Pin Input Leakage Per Device Pin –15 µA
CI Capacitance for SDA and SCL See(1)(2) 10 pF
RTERM External Termination Resistance pull to VDD = 2.5 V ± 5% OR 3.3 V ± 10% Pullup VDD = 3.3 V(1)(2)(3) 2000 Ω
Pullup VDD = 2.5 V(1)(2)(3) 1000
SERIAL BUS INTERFACE TIMING SPECIFICATIONS
FSMB Bus Operating Frequency ENSMB = VDD (Slave Mode) 400 kHz
ENSMB = FLOAT (Master Mode) 280 400 520
TBUF Bus Free Time Between Stop and Start Condition 1.3 µs
THD:STA Hold time after (Repeated) Start Condition. After this period, the first clock is generated. At IPULLUP, Max 0.6 µs
TSU:STA Repeated Start Condition Setup Time 0.6 µs
TSU:STO Stop Condition Setup Time 0.6 µs
THD:DAT Data Hold Time 0 ns
TSU:DAT Data Setup Time 100 ns
TLOW Clock Low Period 1.3 µs
THIGH Clock High Period See(4) 0.6 50 µs
tF Clock/Data Fall Time See(4) 300 ns
tR Clock/Data Rise Time See(4) 300 ns
tPOR Time in which a device must be operational after power-on reset See(4)(5) 500 ms
(1) Recommended value.
(2) Recommended maximum capacitance load per bus segment is 400 pF.
(3) Maximum termination voltage should be identical to the device supply voltage.
(4) Compliant to SMBus 2.0 physical layer specification. See System Management Bus (SMBus) Specification Version 2.0, section 3.1.1 SMBus common AC specifications for details.
(5) Ensured by Design. Parameter not tested in production.
DS125BR401 edge.gifFigure 1. CML Output and Rise and FALL Transition Time
DS125BR401 30198703.gifFigure 2. Propagation Delay Timing Diagram
DS125BR401 30198704.gifFigure 3. Transmit IDLE-DATA and DATA-IDLE Response Time
DS125BR401 30198794.gifFigure 4. SMBus Timing Parameters

8.7 Typical Characteristics

DS125BR401 30198727.gifFigure 5. Power Dissipation (PD)
vs Output Differential Voltage (VOD)
DS125BR401 30198729.gifFigure 7. Output Differential Voltage (VOD = 1 Vp-p) vs Temperature
DS125BR401 30198728.gifFigure 6. Output Differential Voltage (VOD = 1 Vp-p)
vs Supply Voltage (VDD)